lemon-mirror:
Home >> Nissan-Datsun >> 2011 >> Sentra SE-R >> Repair and Diagnosis >> Engine Performance >> System >> Engine Control System - Component Testing (MR20DE) (Except CALIFORNIA) >> Ignition Signal >> Wiring Diagram

Ignition Signal: Wiring Diagram

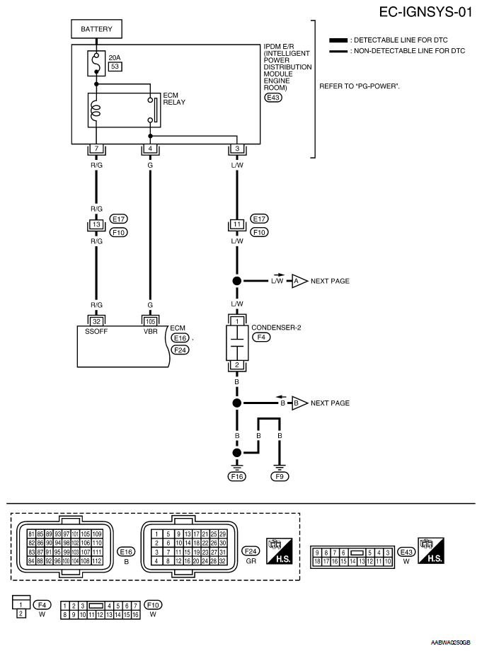
Fig 1: Wiring Diagram - EC-IGNSYS-01
G07140248Courtesy of NISSAN MOTOR CO., U.S.A.

Specification data are reference values and are measured between each terminal and ground.

CAUTION: Do not use ECM ground terminals when measuring input/output voltage. Doing so may result in damage to the ECM's transistor. Use a ground other than ECM terminals, such as the ground.
ECM CONNECTOR TERMINALS REFERENCE CHART

TERMINAL NO. WIRE COLOR ITEM CONDITION DATA (DC Voltage)
32 R/G ECM relay (Self shut-off) [Engine is running] 
[Ignition switch: OFF] 
  • For a few seconds after turning ignition switch OFF
0 - 1.0 V
[Ignition switch: OFF] 
  • More than a few seconds after turning ignition switch OFF
BATTERY VOLTAGE (11 - 14 V)
105 G Power supply for ECM [Ignition switch: ON]  BATTERY VOLTAGE (11 - 14 V)
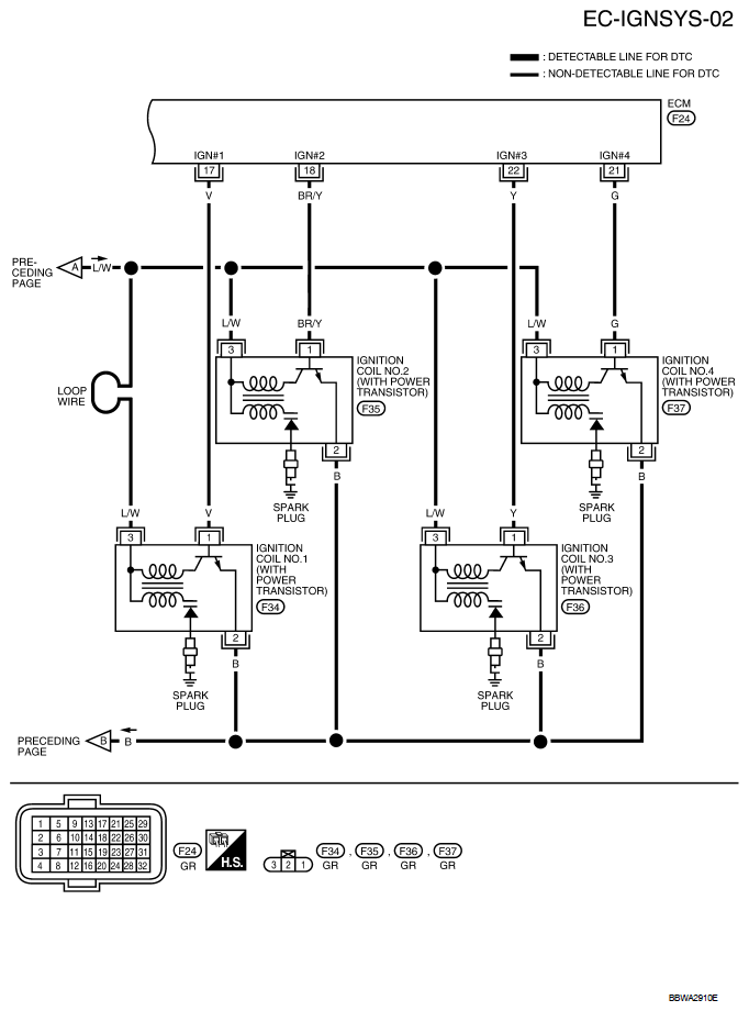
Fig 2: Wiring Diagram - EC-IGNSYS-02
G07140249Courtesy of NISSAN MOTOR CO., U.S.A.

Specification data are reference values and are measured between each terminal and ground.

Pulse signal is measured by CONSULT-III.

CAUTION: Do not use ECM ground terminals when measuring input/output voltage. Doing so may result in damage to the ECM's transistor. Use a ground other than ECM terminals, such as the ground.
ECM CONNECTOR TERMINALS REFERENCE CHART

TERMINAL NO. WIRE COLOR ITEM CONDITION DATA (DC Voltage)
17
18
21
22
V
BR/Y
G
Y
Ignition signal No. 1
Ignition signal No. 2
Ignition signal No. 4
Ignition signal No. 3
[Engine is running] 
  • Warm-up condition 
  • Idle speed
NOTE: The pulse cycle changes depending on RPM at idle
0 - 0.3 V(1)
G07140250Courtesy of NISSAN MOTOR CO., U.S.A.
[Engine is running] 
  • Warm-up condition 
  • Engine speed: 2, 500 RPM
0.2 - 0.5 V(1)
G07140251Courtesy of NISSAN MOTOR CO., U.S.A.
(1) Average voltage for pulse signal (Actual pulse signal can be confirmed by oscilloscope.)