lemon-mirror:
Home >> Nissan-Datsun >> 2012 >> Altima Base >> Repair and Diagnosis >> Engine Performance >> System >> Engine Control System (Introduction) (Qr25DE For MEXICO) >> System Description >> Engine Control System >> System Diagram

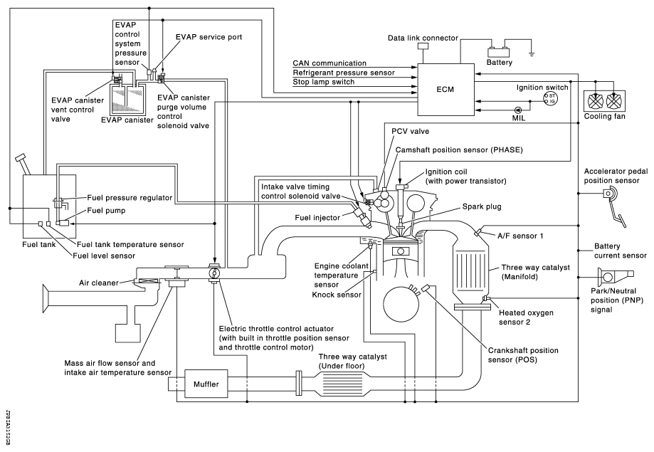
System Diagram

Fig 1: Engine Control - System Diagram
G06557168Courtesy of NISSAN NORTH AMERICA, INC.