lemon-mirror:
Home >> Nissan-Datsun >> 2012 >> NV3500 HD SL >> Repair and Diagnosis >> Electrical >> Starter >> Starting System >> System Description >> System >> System Diagram

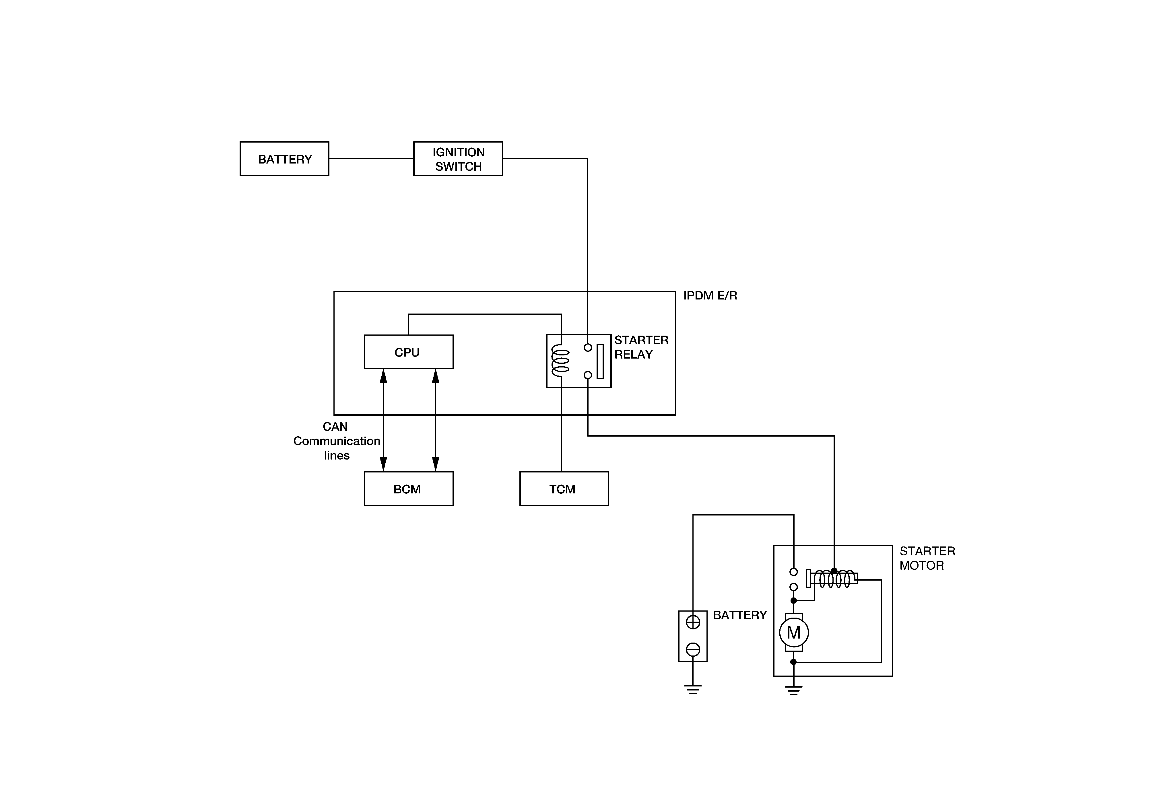
System Diagram

Fig 1: Starting - System Diagram
G08162313Courtesy of NISSAN NORTH AMERICA, INC.