lemon-mirror:
Home >> Nissan-Datsun >> 2012 >> Sentra SE-R >> Repair and Diagnosis >> Body & Frame >> Windows >> Glass, Window System & Mirrors >> Service Information >> Power Window System >> Schematic

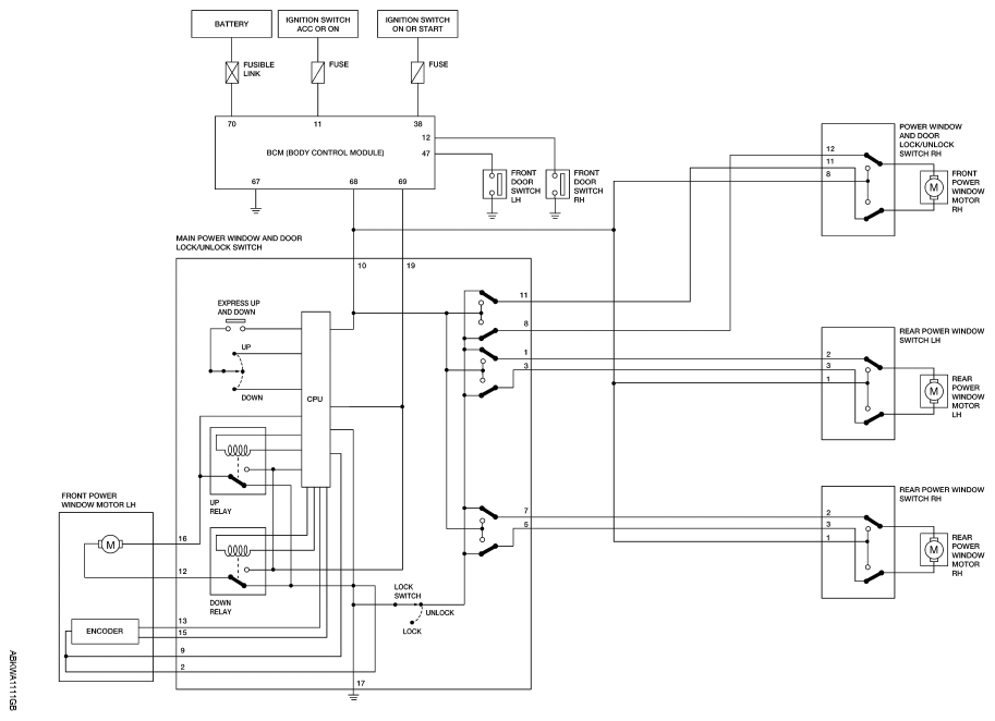
Power Window System: Schematic

Fig 1: Identifying Power Window System Schematic
G07142748Courtesy of NISSAN NORTH AMERICA, INC.