lemon-mirror:
Home >> Nissan-Datsun >> 2012 >> Sentra SE-R >> Repair and Diagnosis >> Body & Frame >> Windows >> Glass, Window System & Mirrors >> Service Information >> Rear Window Defogger >> Schematic

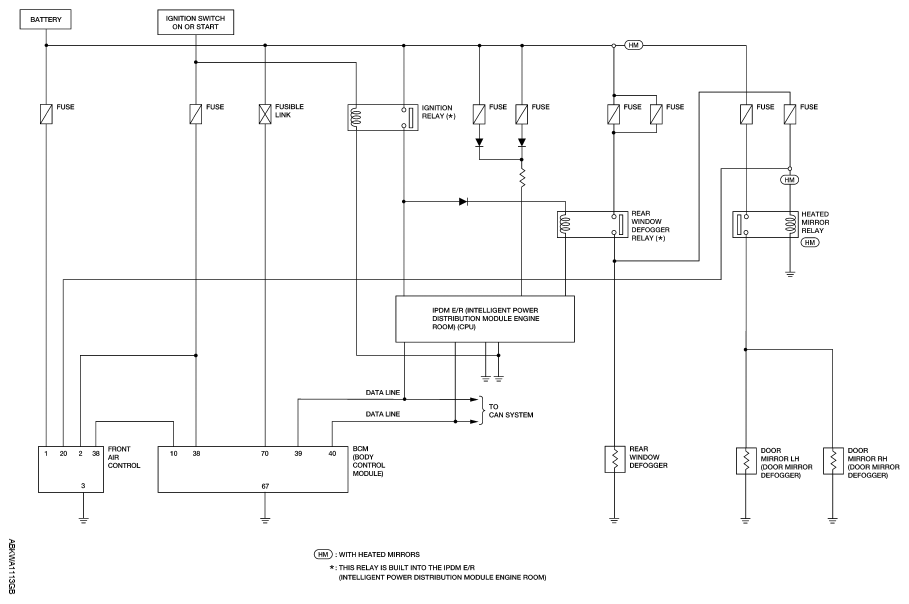
Rear Window Defogger: Schematic

Fig 1: Identifying Rear Window Defogger Schematic
G07142828Courtesy of NISSAN NORTH AMERICA, INC.