lemon-mirror:
Home >> Nissan-Datsun >> 2012 >> Sentra SE-R >> Repair and Diagnosis >> Engine Performance >> System >> Engine Control System - Component Testing (Qr25DE) >> ASCD Indicator >> Wiring Diagram

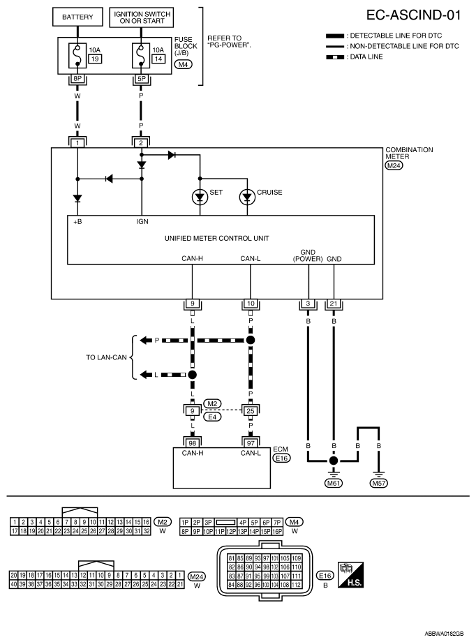
ASCD Indicator: Wiring Diagram

Fig 1: Identifying Wiring Diagram With Connector End View (EC-ASCIND-01)
G06552039Courtesy of NISSAN NORTH AMERICA, INC.