lemon-mirror:
Home >> Nissan-Datsun >> 2012 >> Sentra SE-R >> Repair and Diagnosis >> Engine Performance >> System >> Engine Control System - Component Testing (Qr25DE) >> Ignition Signal >> Wiring Diagram

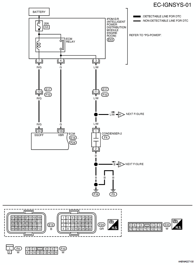
Ignition Signal: Wiring Diagram

Fig 1: Identifying Wiring Diagram With Connector End View (EC-IGNSYS-01)
G05924182Courtesy of NISSAN NORTH AMERICA, INC.

Specification data are reference values and are measured between each terminal and ground.

CAUTION: Never use ECM ground terminals when measuring input/output voltage. Doing so may result in damage to the ECM's transistor. Use a ground other than ECM terminals, such as the ground.
TERMINAL NO. WIRE COLOR ITEM CONDITION DATA (DC Voltage)
24 R/G ECM relay (Self shut-off) [Engine is running] 
[Ignition switch: OFF] 
  • For a few seconds after turning ignition switch OFF
0 - 1.0 V
[Ignition switch: OFF] 
  • More than a few seconds after turning ignition switch OFF
BATTERY VOLTAGE (11 - 14 V)
105 G Power supply for ECM [Ignition switch: ON]  BATTERY VOLTAGE (11 - 14 V)
Fig 2: Identifying Wiring Diagram With Connector End View (EC-IGNSYS-02)
G04926265Courtesy of NISSAN NORTH AMERICA, INC.

Specification data are reference values and are measured between each terminal and ground. Pulse signal is measured by CONSULT.

CAUTION: Never use ECM ground terminals when measuring input/output voltage. Doing so may result in damage to the ECM's transistor. Use a ground other than ECM terminals, such as the ground.
TERMINAL NO. WIRE COLOR ITEM CONDITION DATA (DC Voltage)
9
10
11
21
Y
BR/Y
V
G
Ignition signal No. 3
Ignition signal No. 2
Ignition signal No. 1
Ignition signal No. 4
[Engine is running] 
  • Warm-up condition 
  • Idle speed
NOTE: The pulse cycle changes depending on rpm at idle
0 - 0.1 V(1)
G04926268Courtesy of NISSAN NORTH AMERICA, INC.
[Engine is running] 
  • Warm-up condition 
  • Engine speed: 2, 500 rpm
0 - 0.2 V(1)
G06551547Courtesy of NISSAN NORTH AMERICA, INC.
(1) Average voltage for pulse signal (Actual pulse signal can be confirmed by oscilloscope.)