lemon-mirror:
Home >> Nissan-Datsun >> 2012 >> Sentra SE-R >> Repair and Diagnosis >> Engine Performance >> System >> Engine Control System - Component Testing (Qr25DE) >> Mil And Data Link Connector >> Wiring Diagram

Mil And Data Link Connector: Wiring Diagram

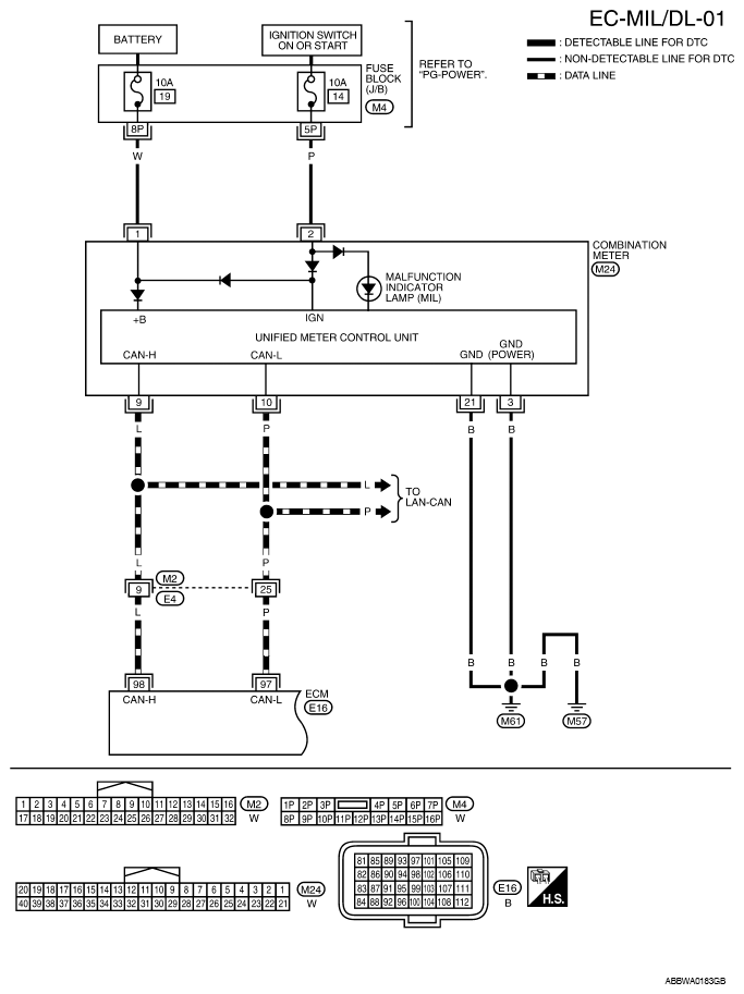
Fig 1: Identifying Wiring Diagram With Connector End View (EC-MIL/DL-01)
G06552078Courtesy of NISSAN NORTH AMERICA, INC.
Fig 2: Identifying Wiring Diagram With Connector End View (EC-MIL/DL-02)
G04925661Courtesy of NISSAN NORTH AMERICA, INC.