lemon-mirror:
Home >> Nissan-Datsun >> 2012 >> Versa SL, 4D Hatchback >> Repair and Diagnosis >> Engine Performance >> System >> Engine Control System - Component Testing (Hatchback) >> ASCD Indicator >> Wiring Diagram

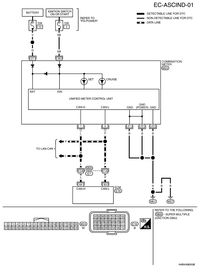
ASCD Indicator: Wiring Diagram

Fig 1: ACSD Indicator Wiring Diagram
G08275733Courtesy of NISSAN NORTH AMERICA, INC.