lemon-mirror:
Home >> Nissan-Datsun >> 2012 >> Versa SL, 4D Hatchback >> Repair and Diagnosis >> Engine Performance >> System >> Engine Control System - Introduction (Hatchback) >> Service Information >> Engine Control System >> Schematic

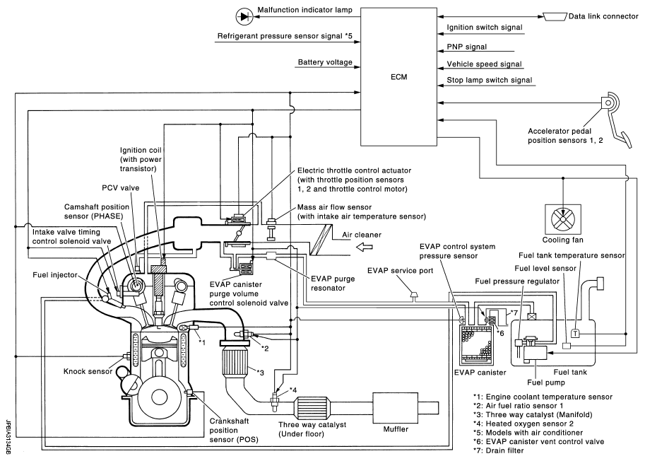
Engine Control System: Schematic

Fig 1: Engine Control System Schematic
G08275187Courtesy of NISSAN NORTH AMERICA, INC.