lemon-mirror:
Home >> Nissan-Datsun >> 2013 >> Versa SV >> Repair and Diagnosis >> Engine Performance >> System >> Engine Control System (Introduction) >> Wiring Diagram >> Engine Control System >> Wiring Diagram

Engine Control System: Wiring Diagram

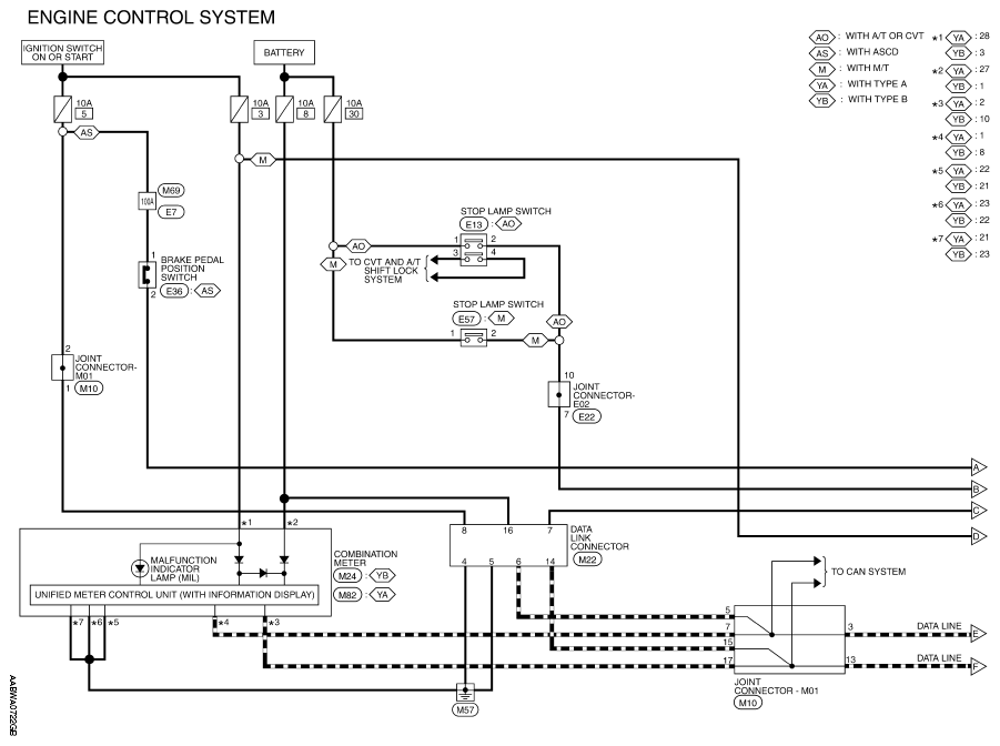
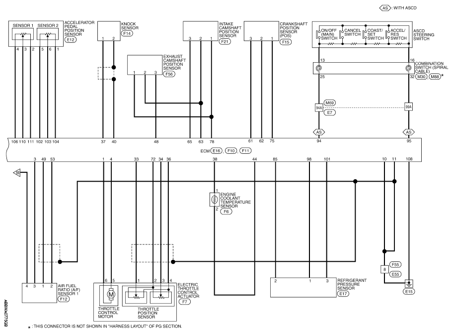
Fig 1: Engine Control System Wiring Diagram (1 Of 6)
G09054243Courtesy of NISSAN NORTH AMERICA, INC.
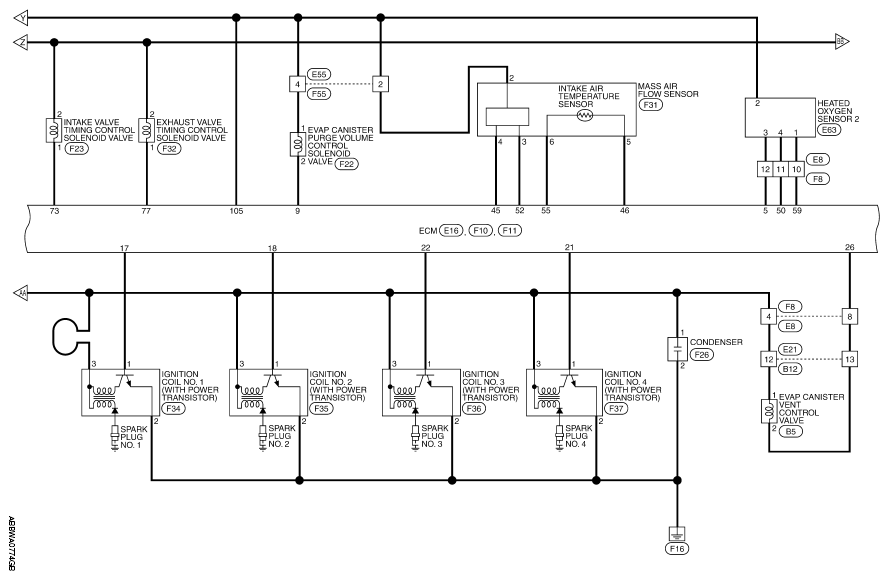
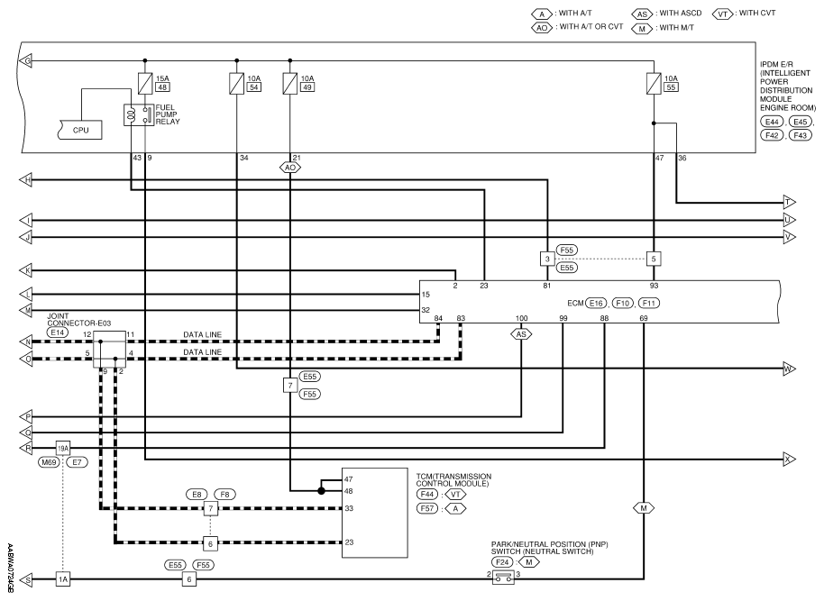
Fig 2: Engine Control System Wiring Diagram (2 Of 6)
G09054244Courtesy of NISSAN NORTH AMERICA, INC.
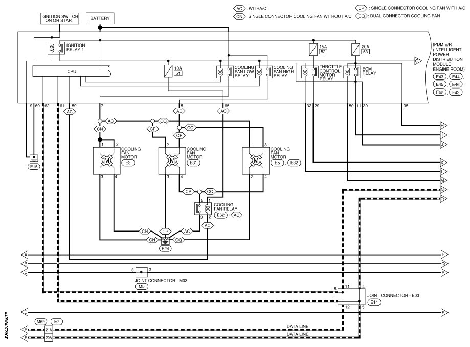
Fig 3: Engine Control System Wiring Diagram (3 Of 6)
G09054245Courtesy of NISSAN NORTH AMERICA, INC.
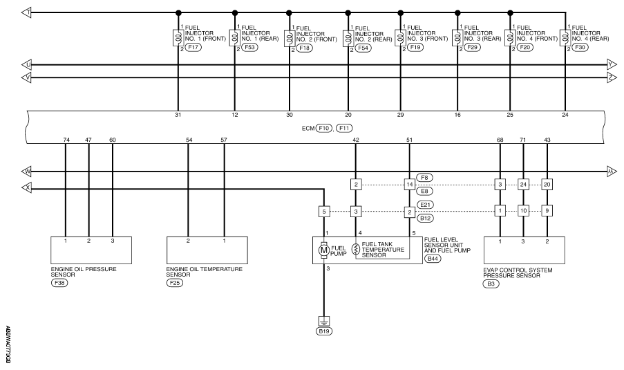
Fig 4: Engine Control System Wiring Diagram (4 Of 6)
G09054246Courtesy of NISSAN NORTH AMERICA, INC.
Fig 5: Engine Control System Wiring Diagram (5 Of 6)
G09054247Courtesy of NISSAN NORTH AMERICA, INC.
Fig 6: Engine Control System Wiring Diagram (6 Of 6)
G09054248Courtesy of NISSAN NORTH AMERICA, INC.
Fig 7: Engine Control System Connector End Views (1 Of 14)
G09054249Courtesy of NISSAN NORTH AMERICA, INC.
Fig 8: Engine Control System Connector End Views (2 Of 14)
G09054250Courtesy of NISSAN NORTH AMERICA, INC.
Fig 9: Engine Control System Connector End Views (3 Of 14)
G09054251Courtesy of NISSAN NORTH AMERICA, INC.
Fig 10: Engine Control System Connector End Views (4 Of 14)
G09054252Courtesy of NISSAN NORTH AMERICA, INC.
Fig 11: Engine Control System Connector End Views (5 Of 14)
G09054253Courtesy of NISSAN NORTH AMERICA, INC.
Fig 12: Engine Control System Connector End Views (6 Of 14)
G09054254Courtesy of NISSAN NORTH AMERICA, INC.
Fig 13: Engine Control System Connector End Views (7 Of 14)
G09054255Courtesy of NISSAN NORTH AMERICA, INC.
Fig 14: Engine Control System Connector End Views (8 Of 14)
G09054256Courtesy of NISSAN NORTH AMERICA, INC.
Fig 15: Engine Control System Connector End Views (9 Of 14)
G09054257Courtesy of NISSAN NORTH AMERICA, INC.
Fig 16: Engine Control System Connector End Views (10 Of 14)
G09054258Courtesy of NISSAN NORTH AMERICA, INC.
Fig 17: Engine Control System Connector End Views (11 Of 14)
G09054259Courtesy of NISSAN NORTH AMERICA, INC.
Fig 18: Engine Control System Connector End Views (12 Of 14)
G09054260Courtesy of NISSAN NORTH AMERICA, INC.
Fig 19: Engine Control System Connector End Views (13 Of 14)
G09054261Courtesy of NISSAN NORTH AMERICA, INC.
Fig 20: Engine Control System Connector End Views (14 Of 14)
G09054262Courtesy of NISSAN NORTH AMERICA, INC.