lemon-mirror:
Home >> Nissan-Datsun >> 2014 >> Altima Base >> Repair and Diagnosis >> Electrical >> Starter >> Starting System >> System Description >> System >> System Diagram

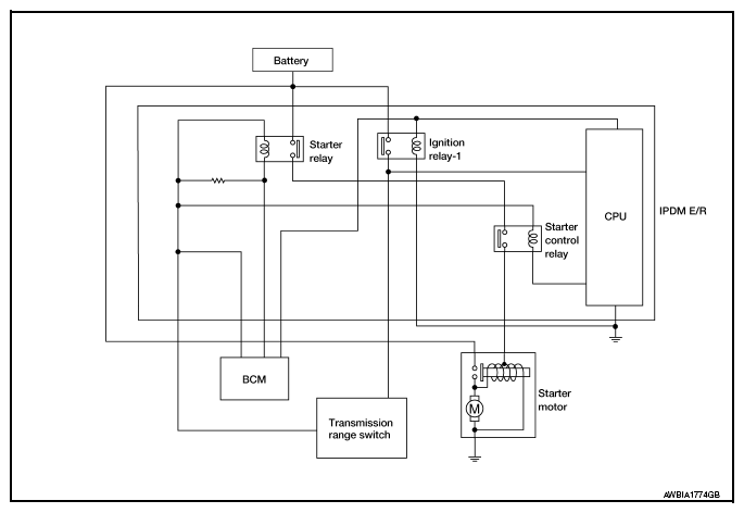
System Diagram

Fig 1: Starting System Diagram
G09140653Courtesy of NISSAN NORTH AMERICA, INC.