lemon-mirror:
Home >> Nissan-Datsun >> 2014 >> Rogue SL, FWD >> Repair and Diagnosis >> Engine Performance >> System >> Engine Control System (Introduction) >> Wiring Diagram >> Engine Control System >> Wiring Diagram

Engine Control System: Wiring Diagram

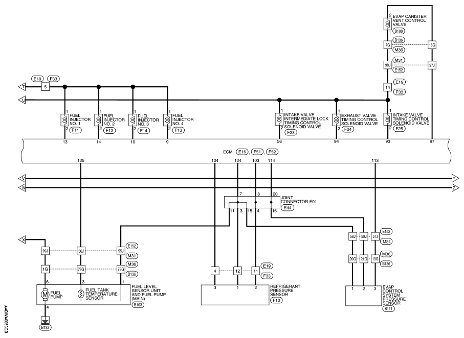
Fig 1: Engine Control System Wiring Diagram (1 Of 7)
G09155614Courtesy of NISSAN NORTH AMERICA, INC.
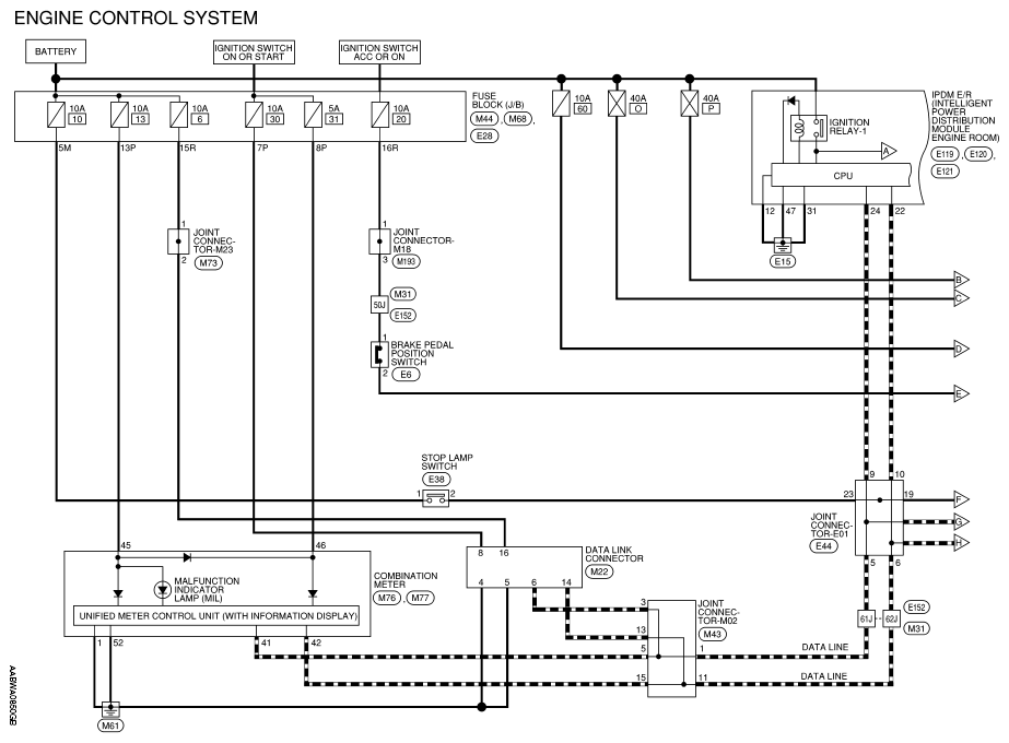
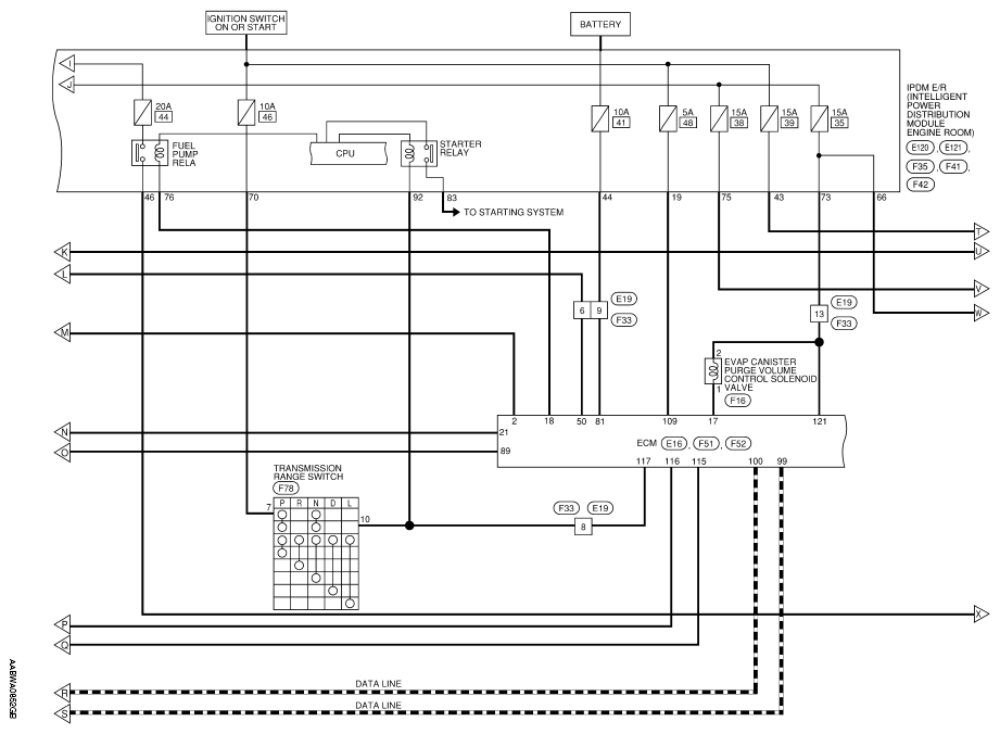
Fig 2: Engine Control System Wiring Diagram (2 Of 7)
G09155615Courtesy of NISSAN NORTH AMERICA, INC.
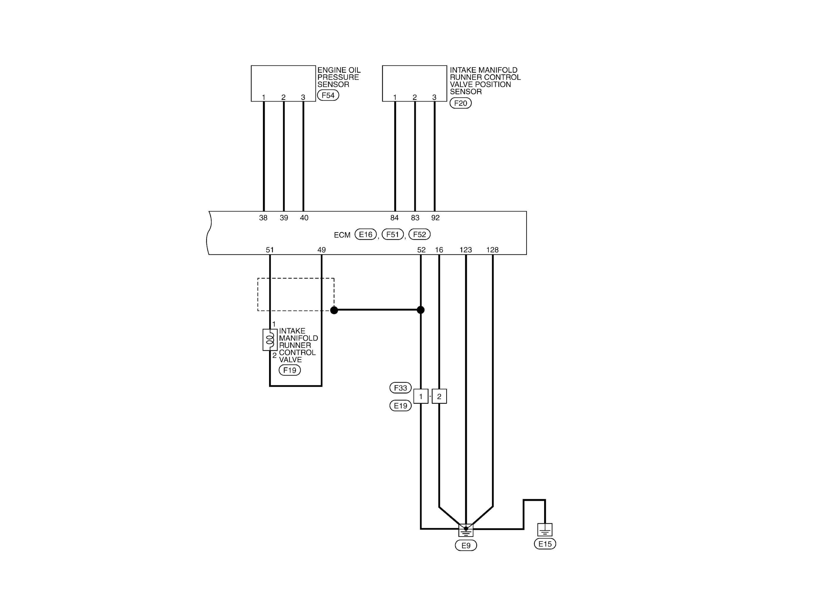
Fig 3: Engine Control System Wiring Diagram (3 Of 7)
G09155616Courtesy of NISSAN NORTH AMERICA, INC.
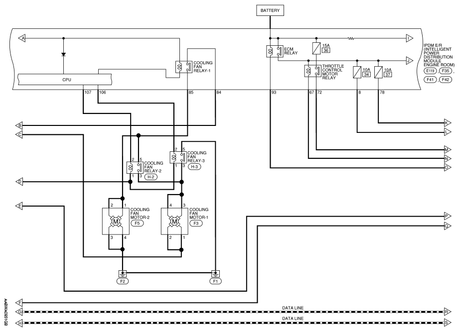
Fig 4: Engine Control System Wiring Diagram (4 Of 7)
G09155617Courtesy of NISSAN NORTH AMERICA, INC.
Fig 5: Engine Control System Wiring Diagram (5 Of 7)
G09155618Courtesy of NISSAN NORTH AMERICA, INC.
Fig 6: Engine Control System Wiring Diagram (6 Of 7)
G09155619Courtesy of NISSAN NORTH AMERICA, INC.
Fig 7: Engine Control System Wiring Diagram (7 Of 7)
G09155620Courtesy of NISSAN NORTH AMERICA, INC.