lemon-mirror:
Home >> Nissan-Datsun >> 2014 >> Sentra SV >> Repair and Diagnosis >> Engine Performance >> System >> Engine Control System (Introduction) >> Wiring Diagram >> Engine Control System >> Wiring Diagram

Engine Control System: Wiring Diagram

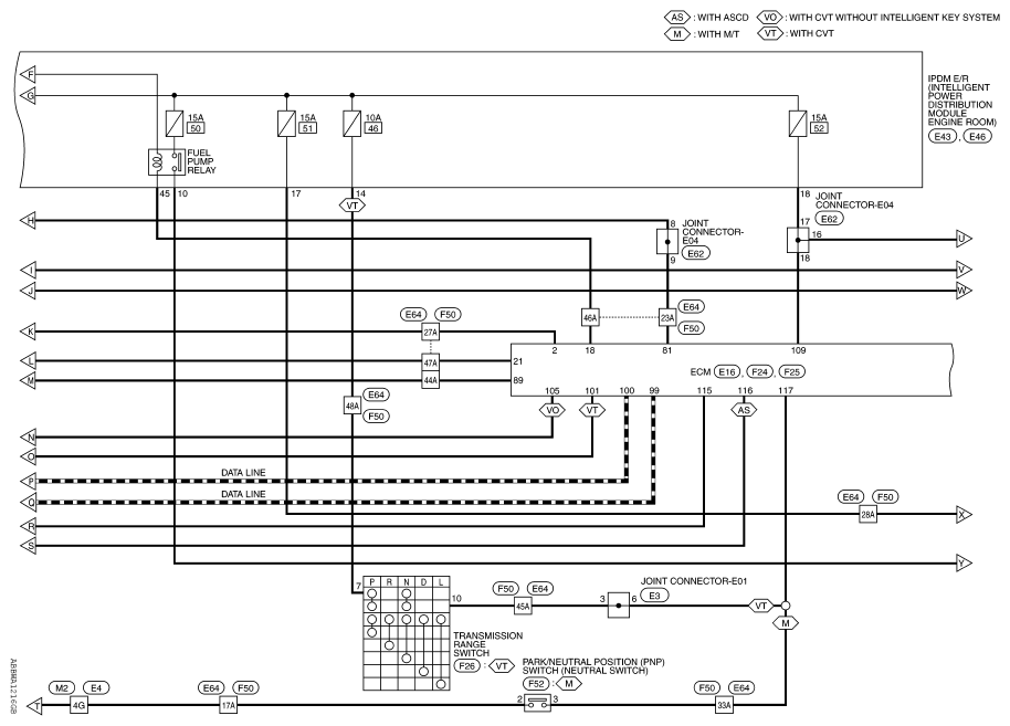
Fig 1: Engine Control System Wiring Diagram (1 Of 6)
G09458343Courtesy of NISSAN NORTH AMERICA, INC.
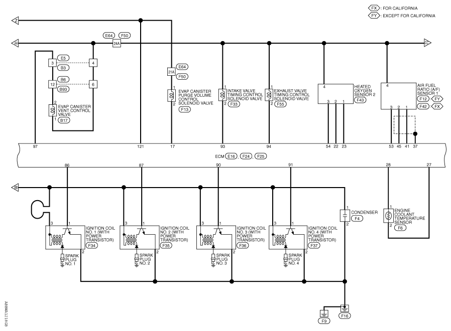
Fig 2: Engine Control System Wiring Diagram (2 Of 6)
G09458344Courtesy of NISSAN NORTH AMERICA, INC.
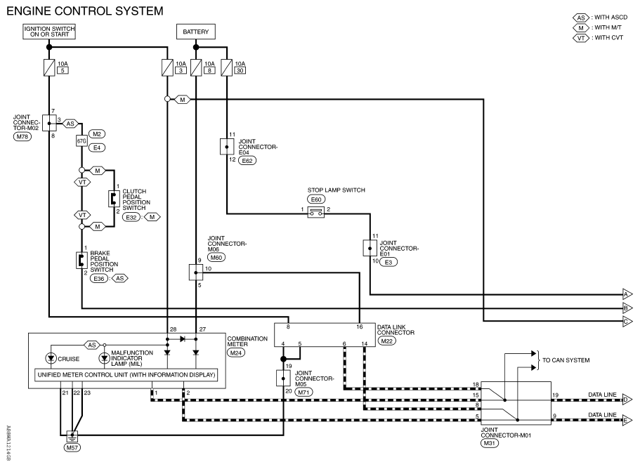
Fig 3: Engine Control System Wiring Diagram (3 Of 6)
G09458345Courtesy of NISSAN NORTH AMERICA, INC.
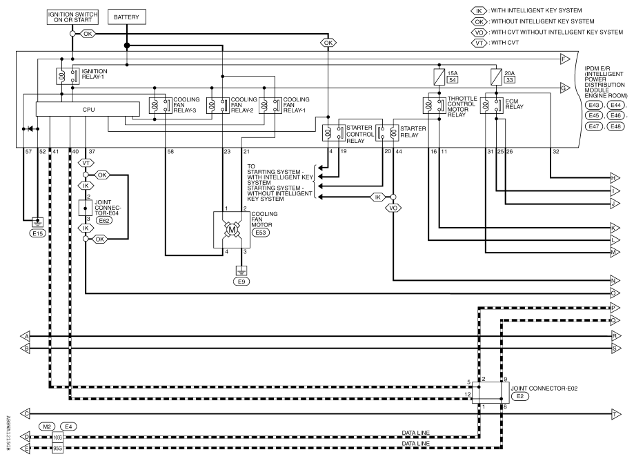
Fig 4: Engine Control System Wiring Diagram (4 Of 6)
G09458346Courtesy of NISSAN NORTH AMERICA, INC.
Fig 5: Engine Control System Wiring Diagram (5 Of 6)
G09458347Courtesy of NISSAN NORTH AMERICA, INC.
Fig 6: Engine Control System Wiring Diagram (6 Of 6)
G09458348Courtesy of NISSAN NORTH AMERICA, INC.