lemon-mirror:
Home >> Nissan-Datsun >> 2014 >> Versa Note SV >> Repair and Diagnosis >> Engine Performance >> System >> Engine Control System (Introduction) >> System Description >> System >> Engine Control System >> ENGINE CONTROL SYSTEM: System Diagram

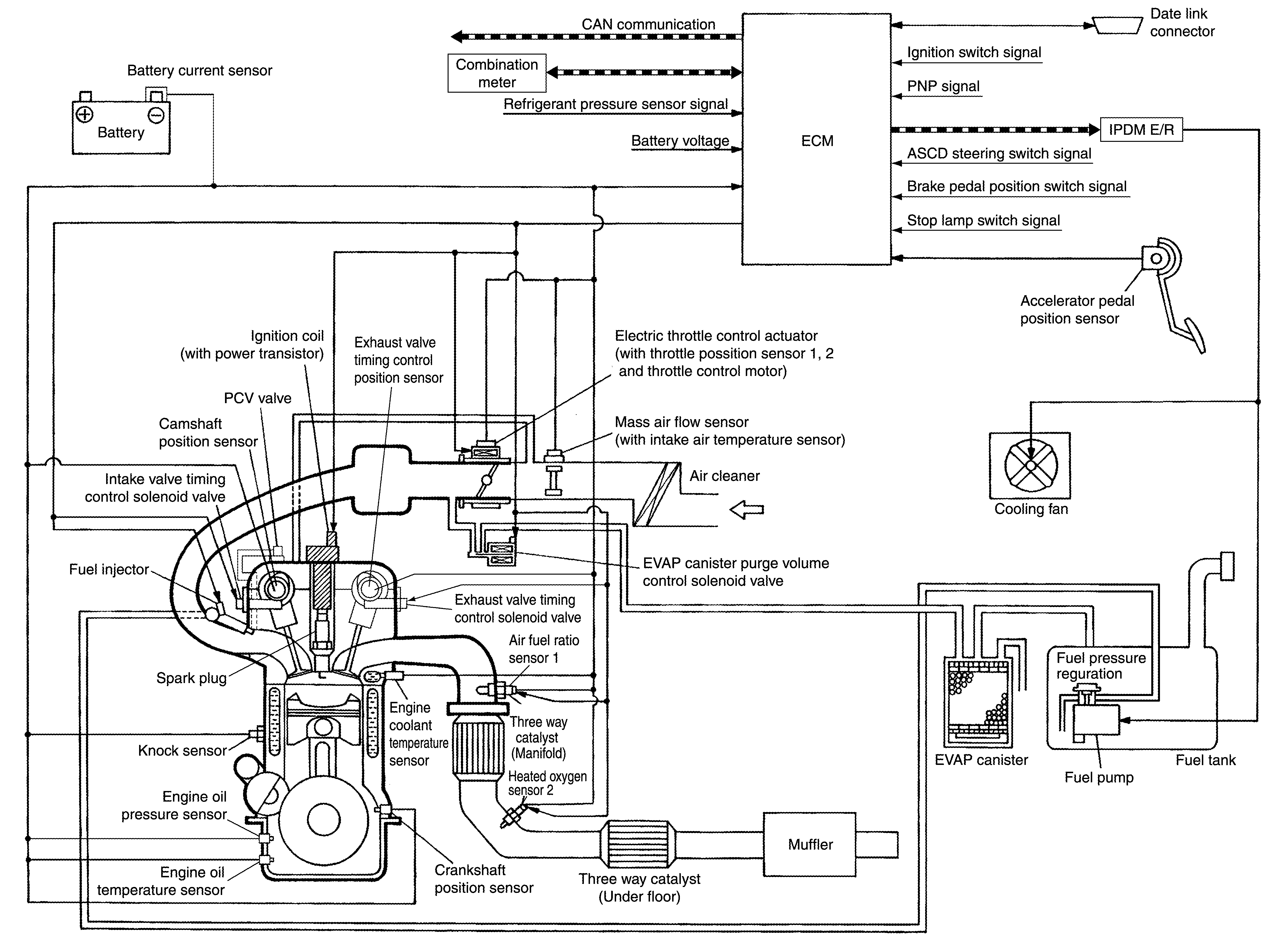
ENGINE CONTROL SYSTEM: System Diagram

Fig 1: Engine Control System Diagram
G09617590Courtesy of NISSAN NORTH AMERICA, INC.