lemon-mirror:
Home >> Nissan-Datsun >> 2014 >> Versa S, Automatic Trans >> Repair and Diagnosis >> Engine Performance >> System >> Engine Control System (Introduction) >> Wiring Diagram >> Engine Control System >> Wiring Diagram

Engine Control System: Wiring Diagram

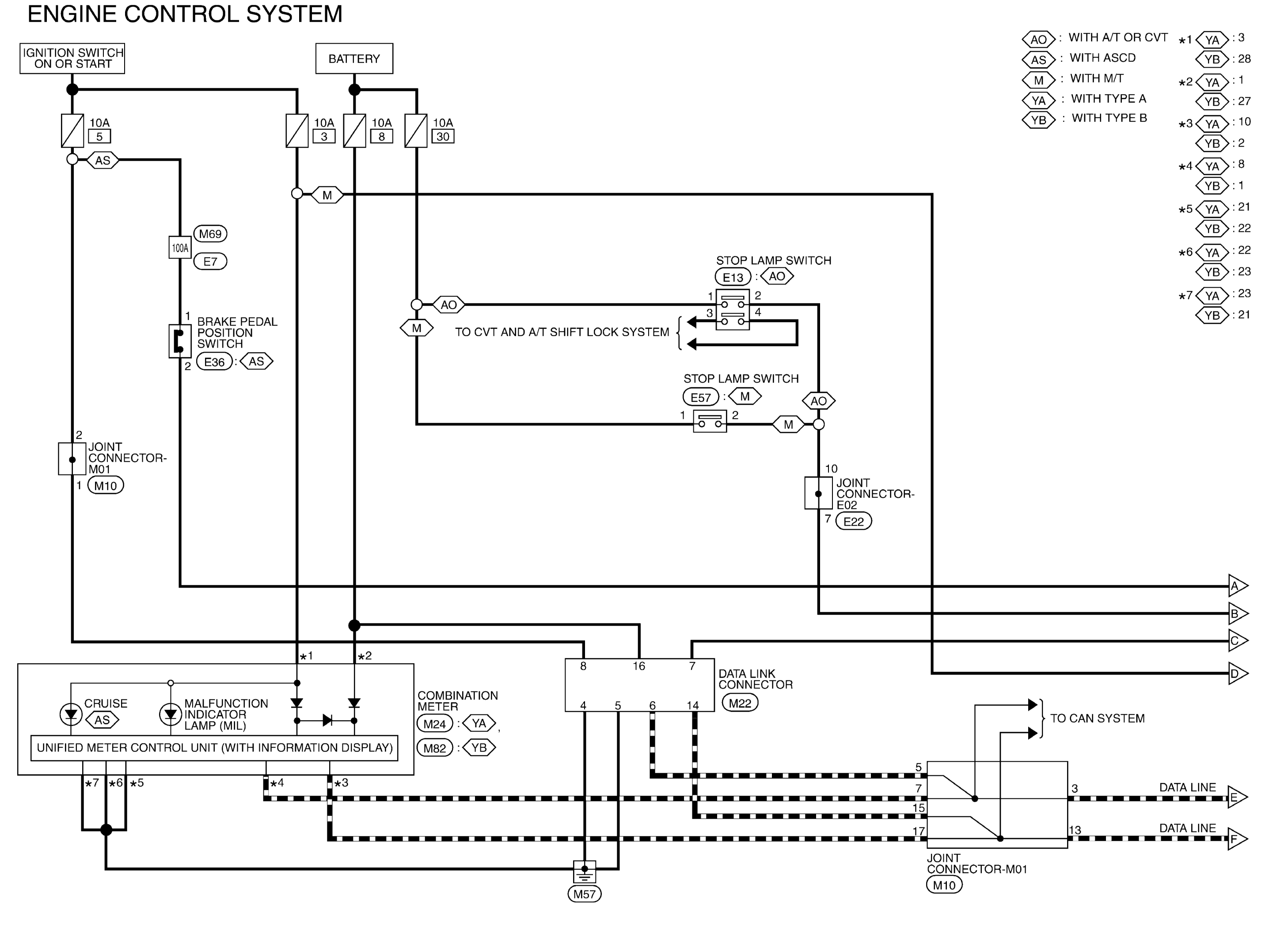
Fig 1: Engine Control System Wiring Diagram (1 Of 6)
G09614471Courtesy of NISSAN NORTH AMERICA, INC.
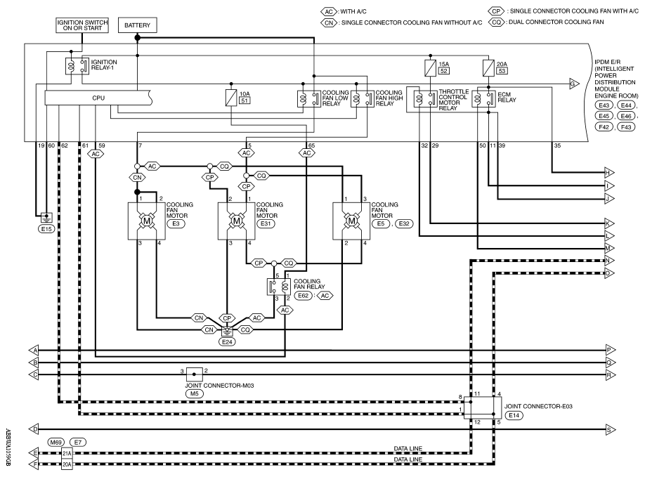
Fig 2: Engine Control System Wiring Diagram (2 Of 6)
G09614472Courtesy of NISSAN NORTH AMERICA, INC.
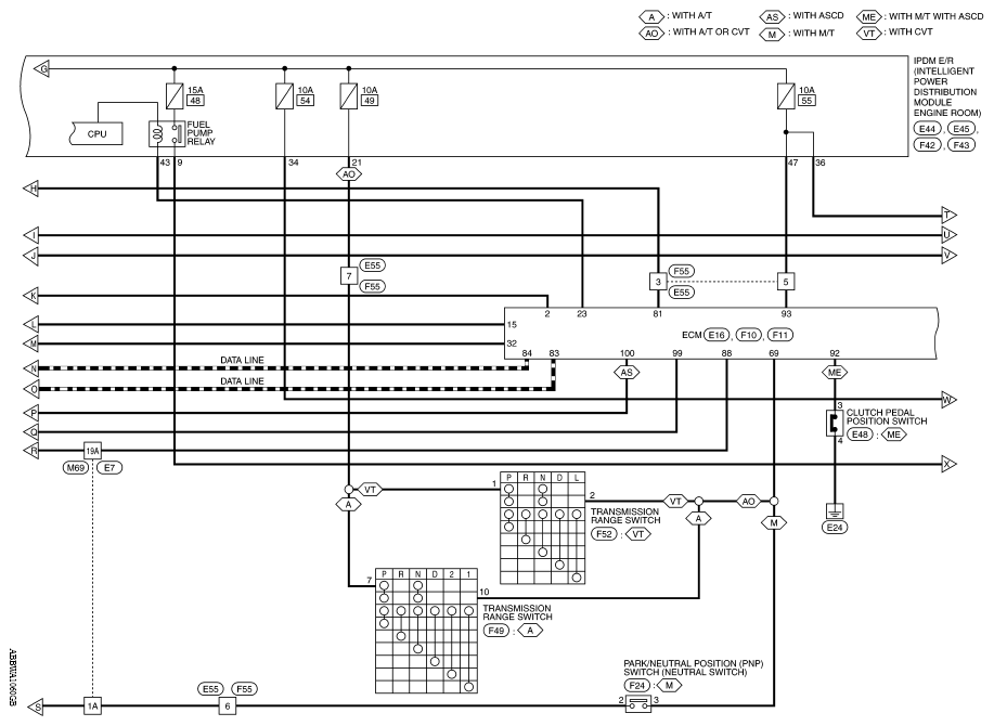
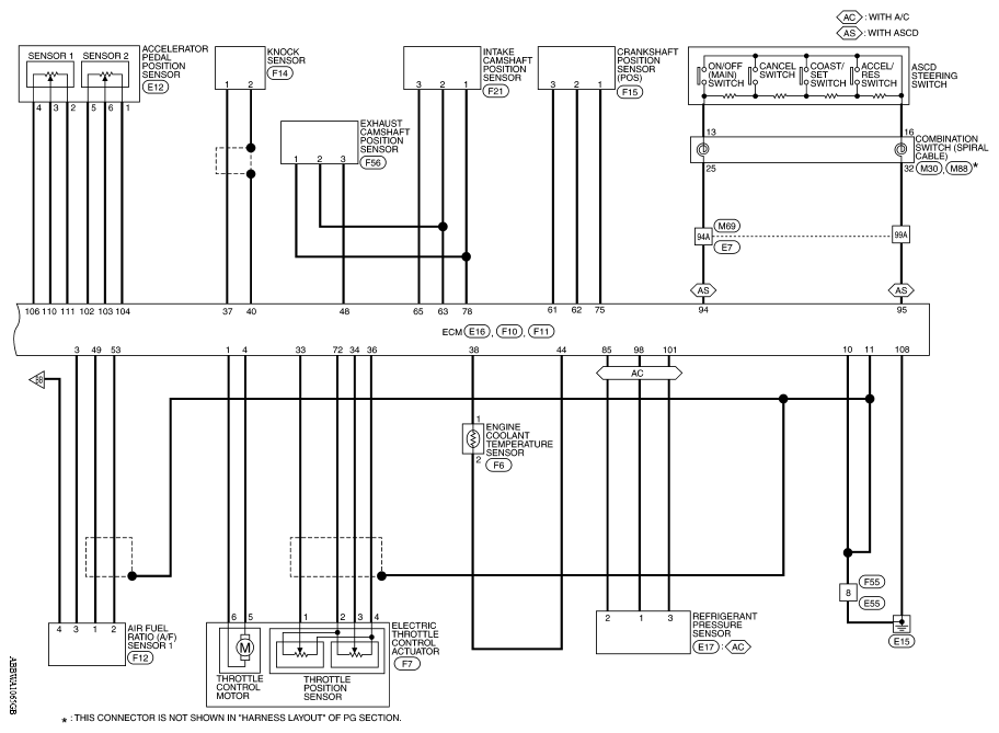
Fig 3: Engine Control System Wiring Diagram (3 Of 6)
G09614473Courtesy of NISSAN NORTH AMERICA, INC.
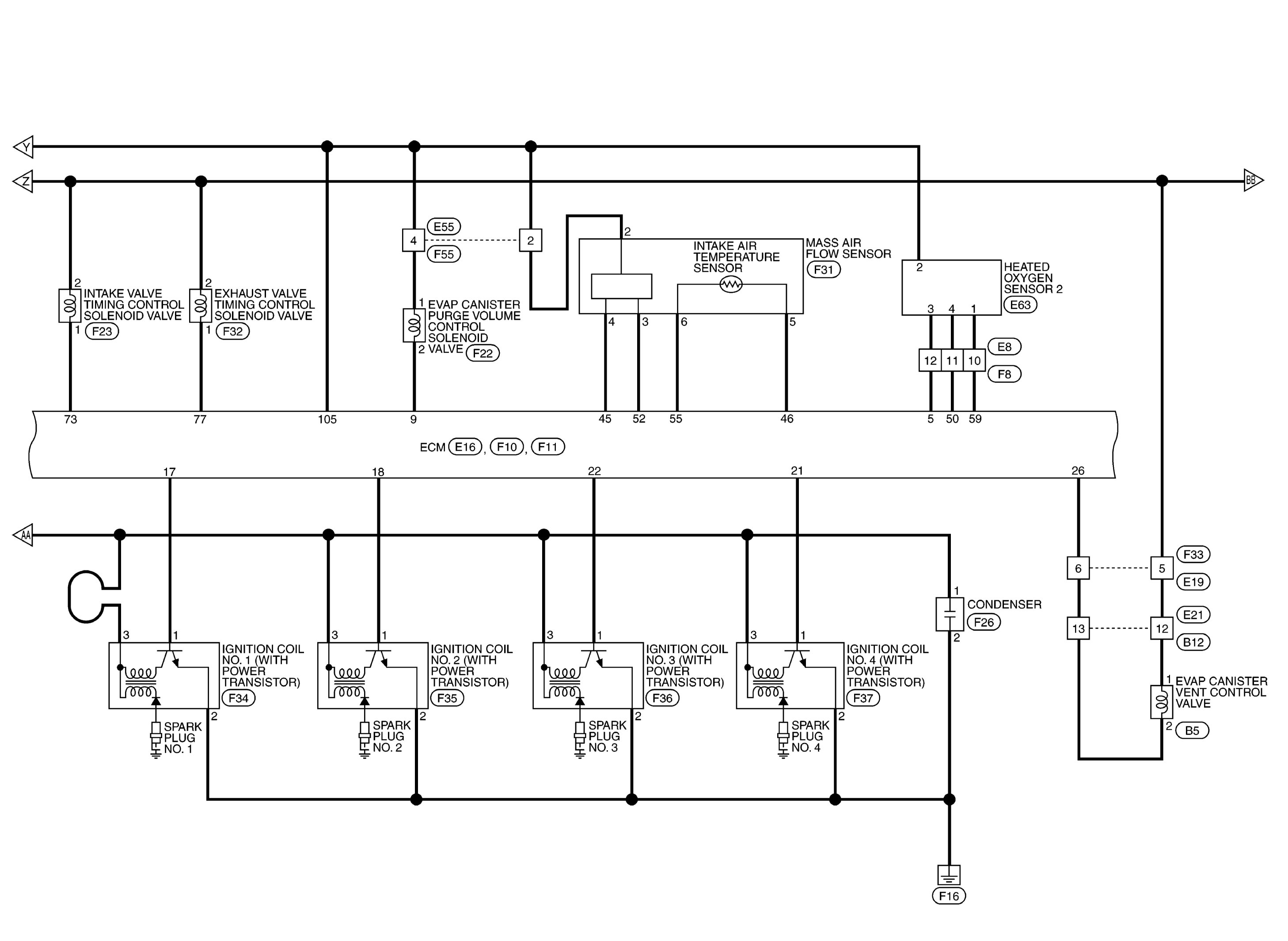
Fig 4: Engine Control System Wiring Diagram (4 Of 6)
G09614474Courtesy of NISSAN NORTH AMERICA, INC.
Fig 5: Engine Control System Wiring Diagram (5 Of 6)
G09614475Courtesy of NISSAN NORTH AMERICA, INC.
Fig 6: Engine Control System Wiring Diagram (6 Of 6)
G09614476Courtesy of NISSAN NORTH AMERICA, INC.