lemon-mirror:
Home >> Nissan-Datsun >> 2015 >> Sentra S, Standard Trans >> Repair and Diagnosis >> Brakes >> Traction Control >> Brake Control System >> System Description >> System >> VDC/TCS/Abs >> System Description >> Abs Function Operating (Pressure Decreases)

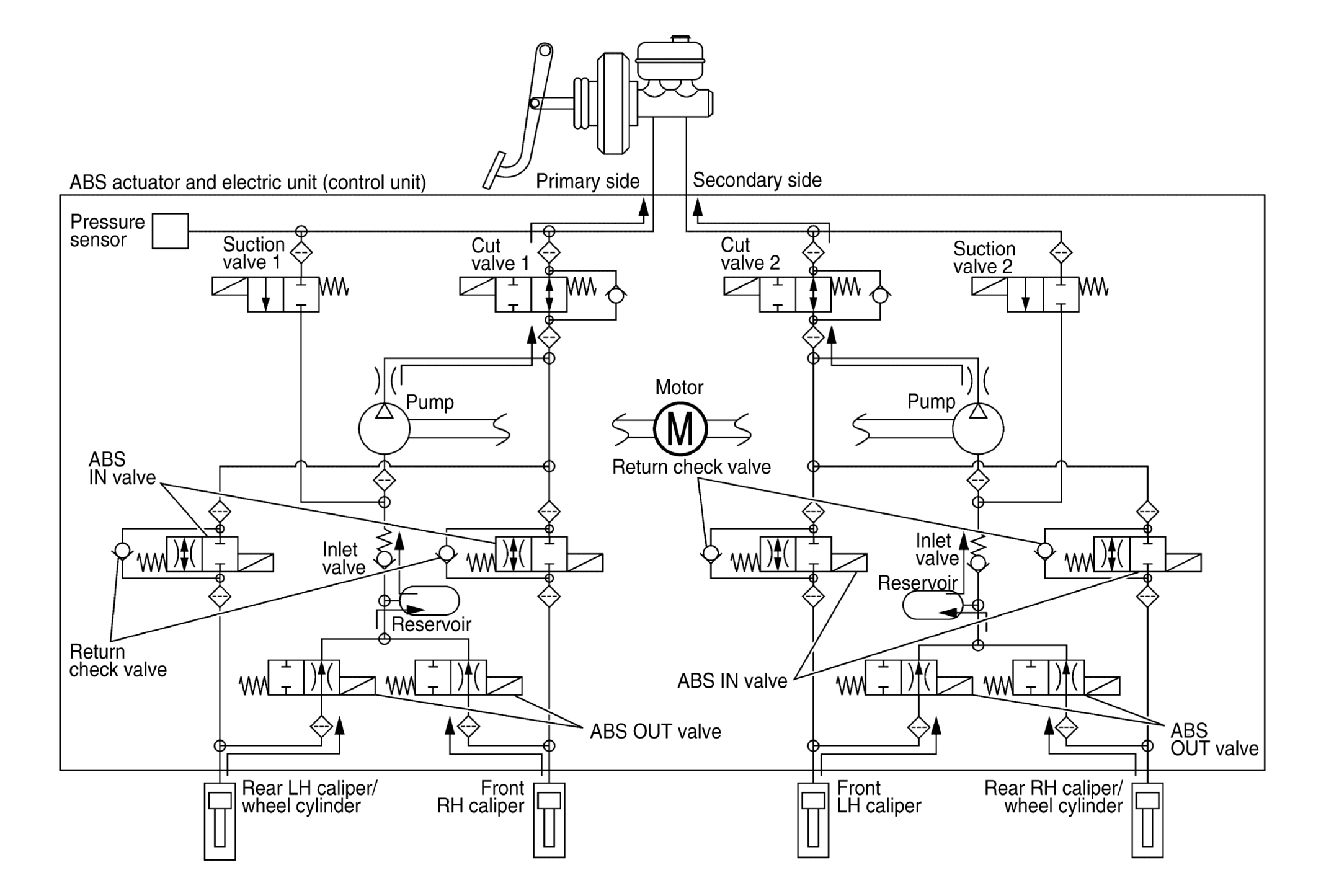
Abs Function Operating (Pressure Decreases)

Fig 1: ABS Function Starts Operation Diagram (Pressure Decreases)
G08990165Courtesy of NISSAN NORTH AMERICA, INC.
Name Not activated During pressure decreases
Cut valve 1 Power supply is not supplied (open) Power supply is not supplied (open)
Cut valve 2 Power supply is not supplied (open) Power supply is not supplied (open)
Suction valve 1 Power supply is not supplied (close) Power supply is not supplied (close)
Suction valve 2 Power supply is not supplied (close) Power supply is not supplied (close)
ABS IN valve Power supply is not supplied (open) Power supply is supplied (close)
ABS OUT valve Power supply is not supplied (close) Power supply is supplied (open)
Each brake caliper and each wheel cylinder (fluid pressure) - Pressure decreases

Front RH brake caliper

Front LH brake caliper

Rear RH brake caliper/wheel cylinder

Rear LH brake caliper/wheel cylinder