Brake Release
| Name | Not activated | During brake release |
|---|---|---|
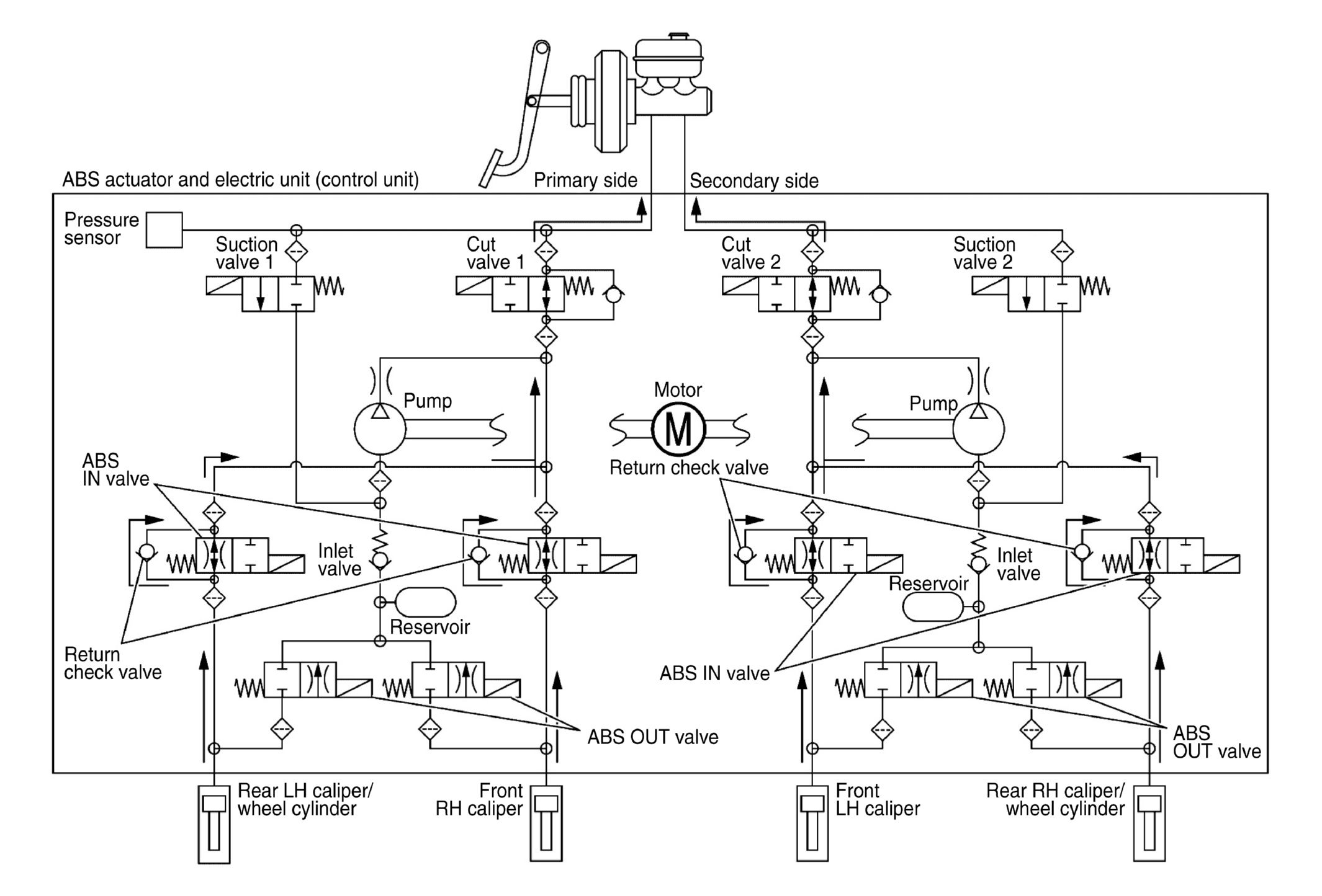
| Cut valve 1 | Power supply is not supplied (open) | Power supply is not supplied (open) |
| Cut valve 2 | Power supply is not supplied (open) | Power supply is not supplied (open) |
| Suction valve 1 | Power supply is not supplied (close) | Power supply is not supplied (close) |
| Suction valve 2 | Power supply is not supplied (close) | Power supply is not supplied (close) |
| ABS IN valve | Power supply is not supplied (open) | Power supply is not supplied (open) |
| ABS OUT valve | Power supply is not supplied (close) | Power supply is not supplied (close) |
| Each brake caliper and each wheel cylinder (fluid pressure) | - | Pressure decreases |
Front RH brake caliper
- Brake fluid is supplied to the front RH brake caliper through the return check valve of the ABS IN valve and the cut valve 1, and returns to the master cylinder.
Front LH brake caliper
- Brake fluid is supplied to the front LH brake caliper through the return check valve of the ABS IN valve and the cut valve 2, and returns to the master cylinder.
Rear RH brake caliper/wheel cylinder
- Brake fluid is supplied to the rear RH brake caliper/wheel cylinder through the return check valve of the ABS IN valve and the cut valve 2, and returns to the master cylinder.
Rear LH brake caliper/wheel cylinder
- Brake fluid is supplied to the rear LH brake caliper/wheel cylinder through the return check valve of the ABS IN valve and the cut valve 1, and returns to the master cylinder.