Abs Function Operating (Pressure Increases)
| Name | Not activated | During pressure increases |
|---|---|---|
| Cut valve 1 | Power supply is not supplied (open) | Power supply is not supplied (open) |
| Cut valve 2 | Power supply is not supplied (open) | Power supply is not supplied (open) |
| Suction valve 1 | Power supply is not supplied (close) | Power supply is not supplied (close) |
| Suction valve 2 | Power supply is not supplied (close) | Power supply is not supplied (close) |
| ABS IN valve | Power supply is not supplied (open) | Power supply is not supplied (open) |
| ABS OUT valve | Power supply is not supplied (close) | Power supply is not supplied (close) |
| Each brake caliper and each wheel cylinder (fluid pressure) | - | Pressure increases |
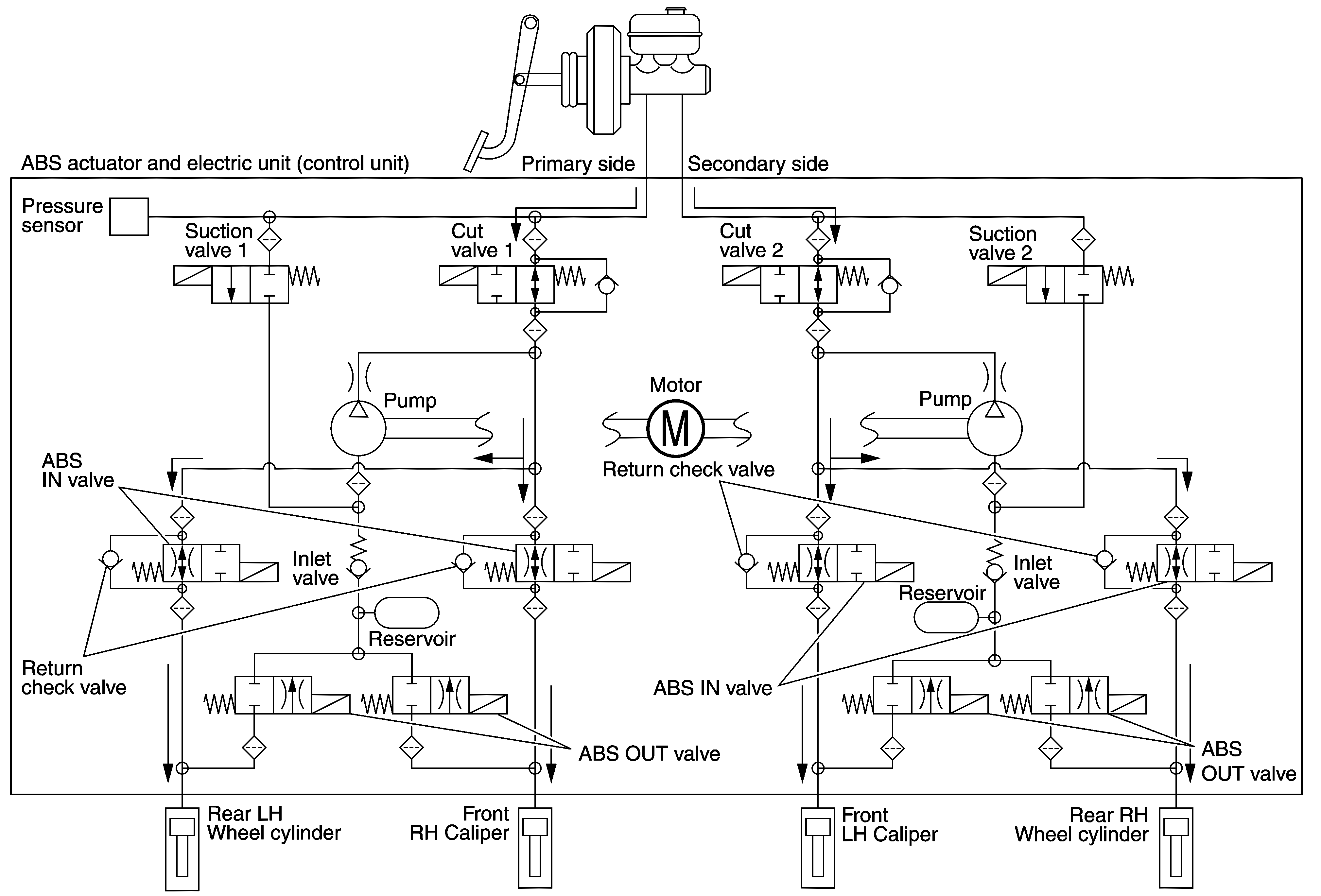
Front RH brake caliper
- Brake fluid is supplied to the front RH brake caliper from the master cylinder through the cut valve 1 and the ABS IN valve. Since the suction valve 1 and the ABS OUT valve is closed, the fluid does not flow into the reservoir. The amount of brake fluid supplied to the front RH brake caliper from the master cylinder is controlled according to time that the ABS IN valve is not energized (time that the ABS IN valve is open).
Front LH brake caliper
- Brake fluid is supplied to the front LH brake caliper from the master cylinder through the cut valve 2 and the ABS IN valve. Since the suction valve 2 and the ABS OUT valve is closed, the fluid does not flow into the reservoir. The amount of brake fluid supplied to the front LH brake caliper from the master cylinder is controlled according to time that the ABS IN valve is not energized (time that the ABS IN valve is open).
Rear RH wheel cylinder
- Brake fluid is supplied to the rear RH wheel cylinder from the master cylinder through the cut valve 2 and the ABS IN valve. Since the suction valve 2 and the ABS OUT valve is closed, the fluid does not flow into the reservoir. The amount of brake fluid supplied to the rear RH wheel cylinder from the master cylinder is controlled according to time that the ABS IN valve is not energized (time that the ABS IN valve is open).
Rear LH wheel cylinder
- Brake fluid is supplied to the rear LH wheel cylinder from the master cylinder through the cut valve 1 and the ABS IN valve. Since the suction valve 1 and the ABS OUT valve is closed, the fluid does not flow into the reservoir. The amount of brake fluid supplied to the rear LH wheel cylinder from the master cylinder is controlled according to time that the ABS IN valve is not energized (time that the ABS IN valve is open).