lemon-mirror:
Home >> Nissan-Datsun >> 2016 >> Quest SL >> Repair and Diagnosis >> Engine Performance >> Testing & Diagnosis >> Engine Control System (Introduction) >> System Description >> System >> Engine Control System >> Circuit Diagram

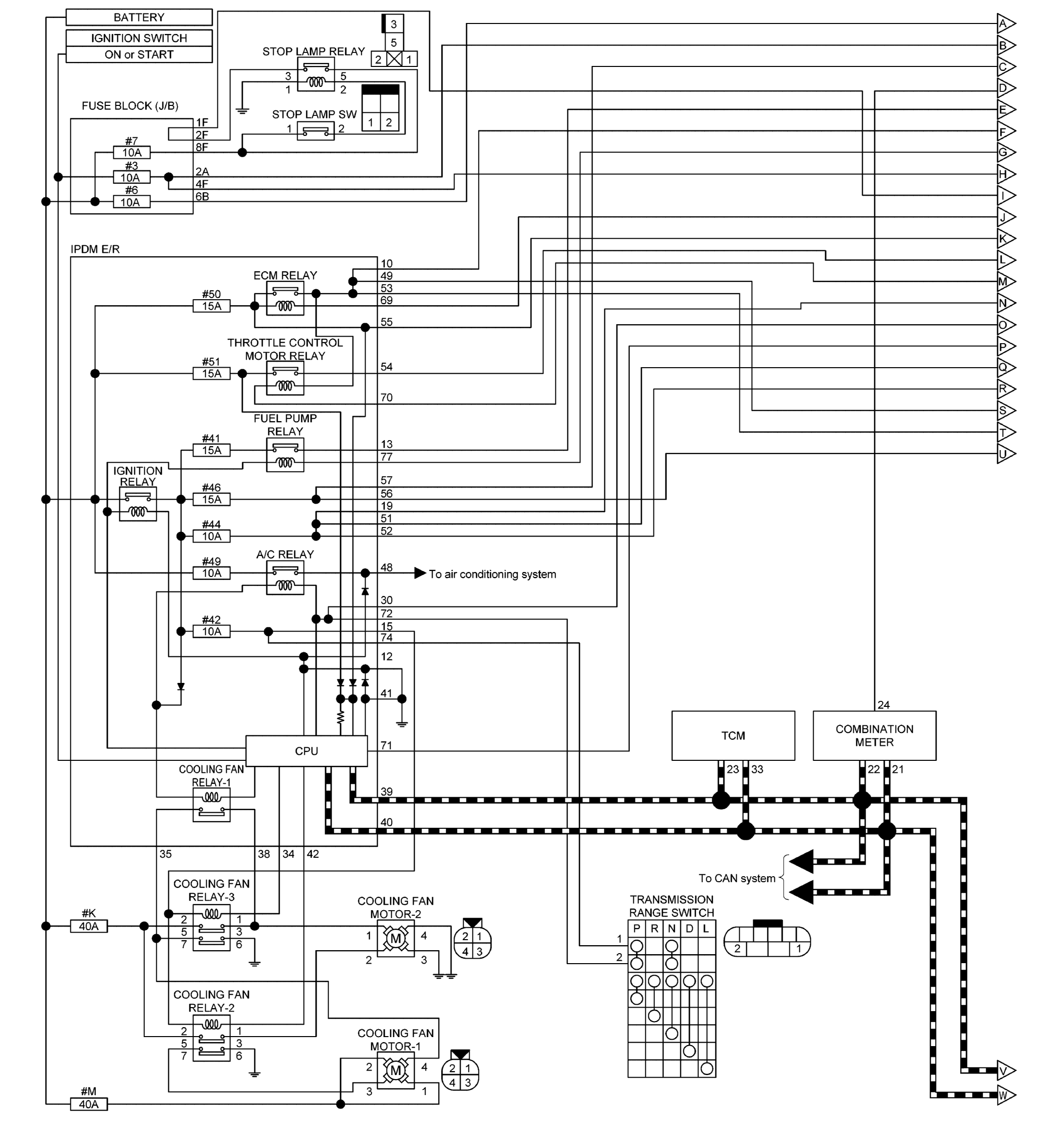
Circuit Diagram

Fig 1: Engine Control System Circuit Diagram With Connector Terminal Identification (1 Of 4)
GNSJSBIA5853GB-853Courtesy of NISSAN NORTH AMERICA, INC.
Fig 2: Engine Control System Circuit Diagram With Connector Terminal Identification (2 Of 4)
GNSJSBIA5822GB-822Courtesy of NISSAN NORTH AMERICA, INC.
Fig 3: Engine Control System Circuit Diagram With Connector Terminal Identification (3 Of 4)
GNSJSBIA5823GB-823Courtesy of NISSAN NORTH AMERICA, INC.
Fig 4: Engine Control System Circuit Diagram With Connector Terminal Identification (4 Of 4)
GNSJSBIA5824GB-824Courtesy of NISSAN NORTH AMERICA, INC.