lemon-mirror:
Home >> Nissan-Datsun >> 2023 >> Z Performance, Automatic Trans >> Repair and Diagnosis >> Engine Performance >> Engine Control Systems >> Engine Control System (1 Of 2) >> System Description >> System >> Engine Control System >> Circuit Diagram

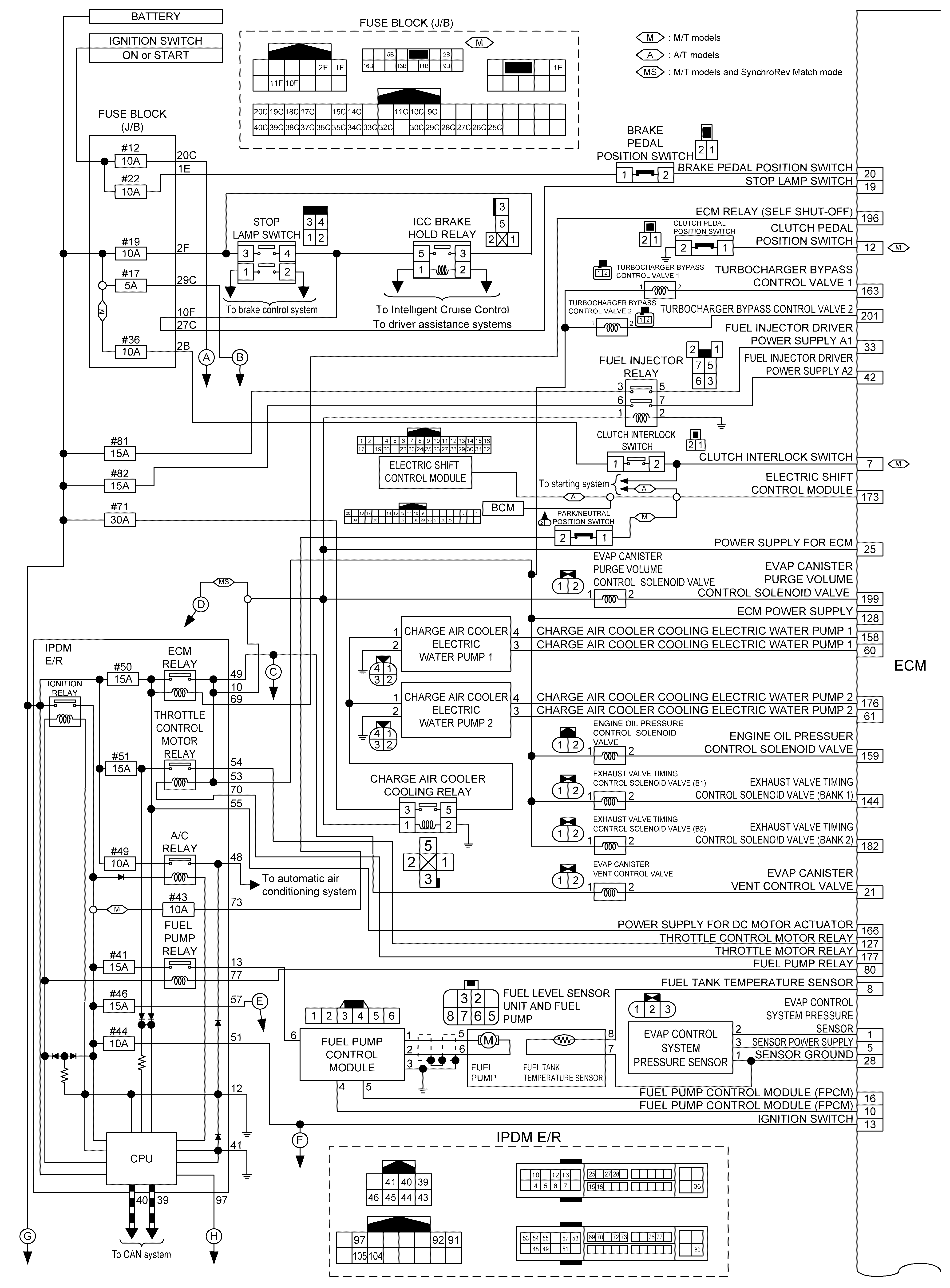
Circuit Diagram

GNSDB154738Courtesy of NISSAN NORTH AMERICA, INC.
GNSDB156102Courtesy of NISSAN NORTH AMERICA, INC.
GNSDB154788Courtesy of NISSAN NORTH AMERICA, INC.
GNSDB155950Courtesy of NISSAN NORTH AMERICA, INC.