lemon-mirror:
Home >> Nissan-Datsun >> 2024 >> Frontier PRO-X >> Repair and Diagnosis >> Engine Performance >> Engine Control Systems >> Engine Control System (1 Of 2) >> System Description >> Component Location >> Idle Start/Stop System >> Fuel Level Sensor

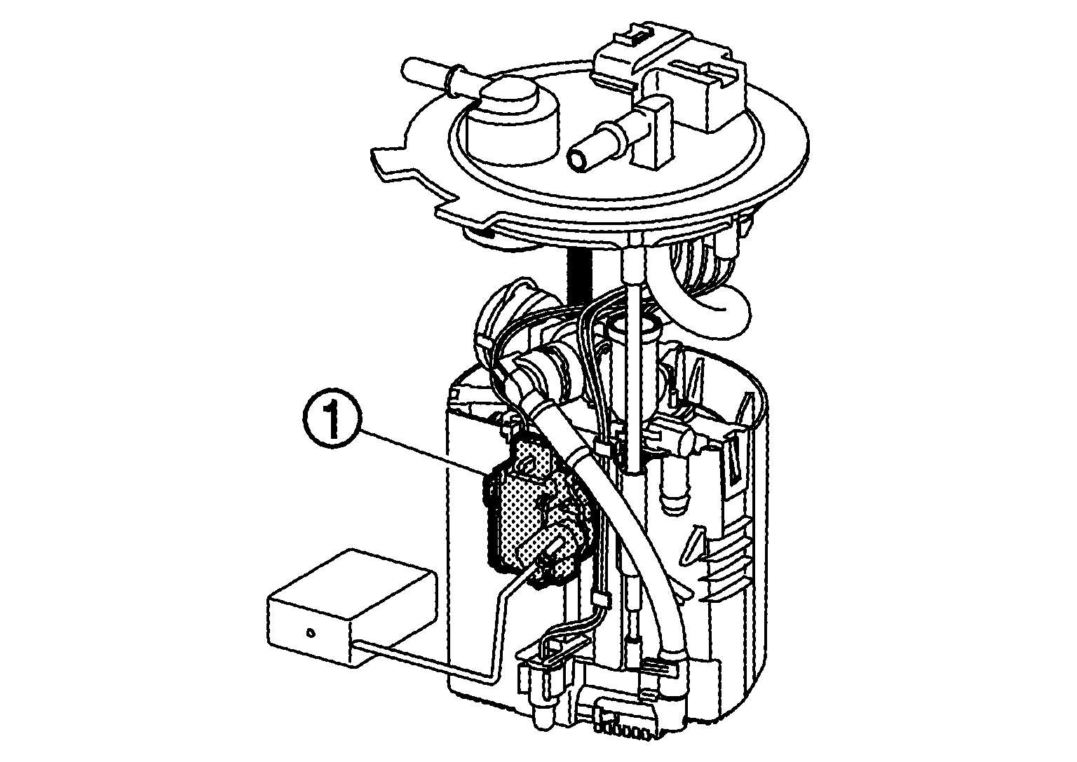
Fuel Level Sensor

The fuel level sensor SYMBOL is mounted in the fuel level sensor unit.

GNSDB134914Courtesy of NISSAN NORTH AMERICA, INC.

The sensor detects a fuel level in the fuel tank and transmits a signal to the combination meter. The combination meter sends the fuel level sensor signal to the ECM via the CAN communication line. It consists of two parts, one is mechanical float and the other is variable resistor. Fuel level sensor output voltage changes depending on the movement of the fuel mechanical float.