lemon-mirror:
Home >> Oldsmobile >> 1976 >> Custom Cruiser >> Repair and Diagnosis >> Electrical >> Body Electrical >> Cruise Control >> Adjustments >> Centering Spring >> All Models

All Models

If Cruise Control holes speed three or more MPH above that selected, turn centering spring adjusting screws (on regulator) towards "S" 1/32 of a turn (Oldsmobile) or 1/8 of a turn (Pontiac) or less. If cruise control holds speed three or more MPH below that selected, turn centering spring adjusting screw toward "F" 1/32° of a turn (Oldsmobile) or 1/4 turn (Pontiac) or less.

CAUTION: DO NOT move adjustment screw marked "R". This is a vacuum restriction adjustment screw and is preset at factory.
Fig 1: ADJUSTMENT SCREW IDENTIFICATION
G09321473Courtesy of GENERAL MOTORS COMPANY
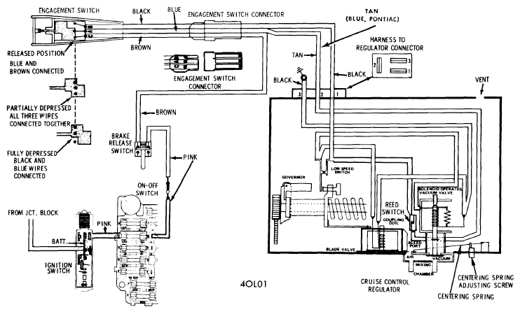
Fig 2: OLDSMOBILE CRUISE CONTROL ELECTRICAL CIRCUIT (PONTIAC SIMILAR)
G09321474Courtesy of GENERAL MOTORS COMPANY