lemon-mirror:
Home >> Oldsmobile >> 1992 >> Ninety-Eight Regency >> Repair and Diagnosis >> Engine Performance >> System >> Engine Controls - System/Component Tests >> Wiring Diagrams

Wiring Diagrams

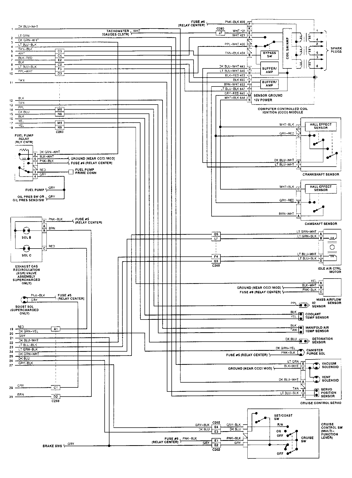
Fig 1: PCM Wiring Diagram (1 of 2), Ninety-Eight (3.8L VIN L & 1)
G92F05868
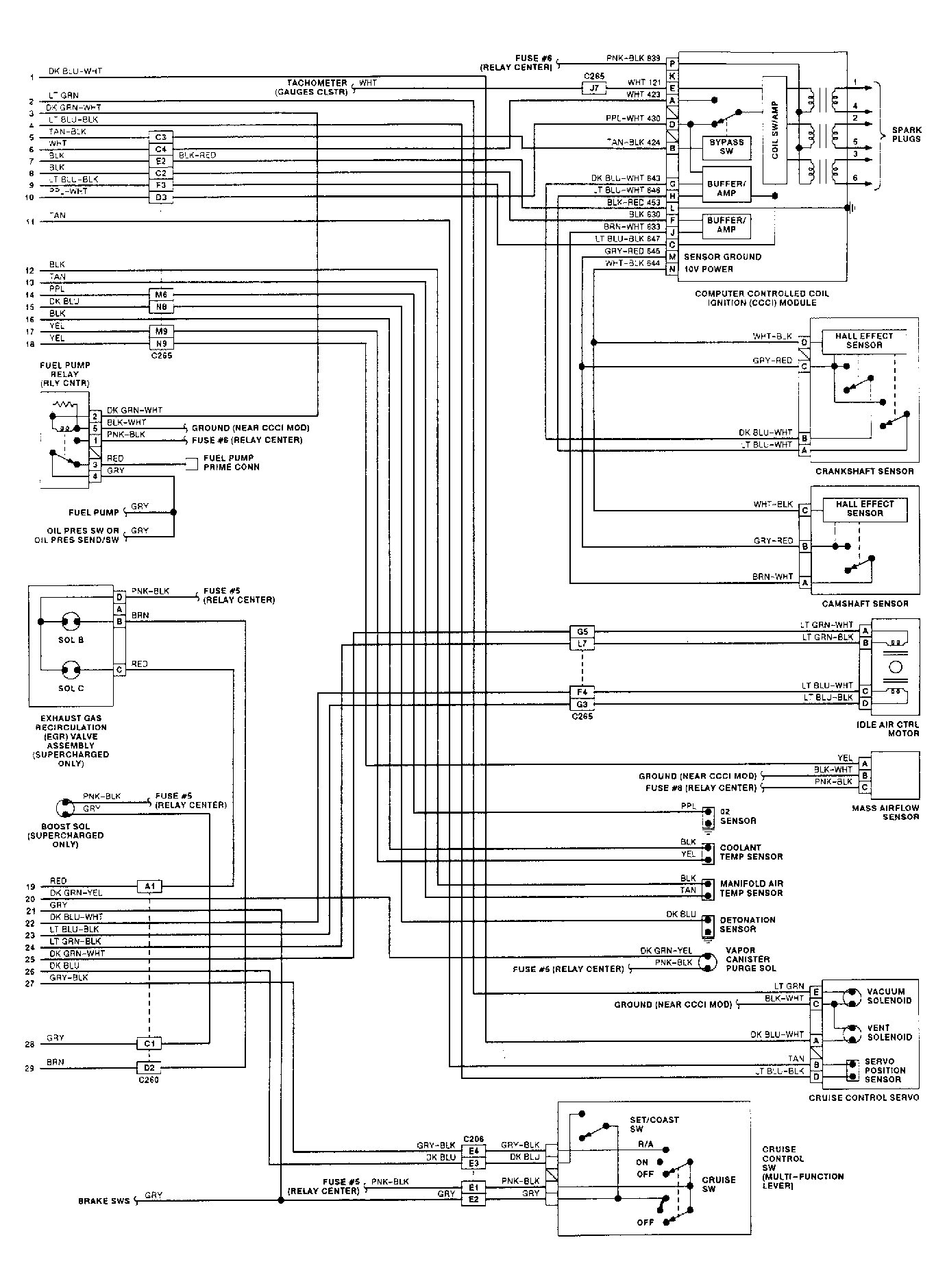
Fig 2: PCM Wiring Diagram (2 of 2), Ninety-Eight (3.8L VIN L & 1)
G92H05869
Fig 3: PCM Wiring Diagram (1 of 2), Park Avenue (3.8L VIN L & 1)
G92J05870
Fig 4: PCM Wiring Diagram (2 of 2), Park Avenue (3.8L VIN L & 1)
G92B05871
Fig 5: PCM Wiring Diagram, DeVille & Fleetwood, (VIN B)
G92A05880
Fig 6: BCM Wiring Diagram, DeVille & Fleetwood, (VIN B)
G92C05881