lemon-mirror:
Home >> Plymouth >> 1982 >> Sapporo Automatic Trans >> Repair and Diagnosis >> Engine Performance >> Engine Control Systems >> Throttle Opener System >> Adjustments >> Throttle Opener Operating Speed

Throttle Opener Operating Speed

  1. Connect tachometer to engine and warm engine to normal operating temperature. Set engine idle speed to specifications. Turn air conditioner and accessories off. On front-wheel drive models, disconnect engine cooling fan.
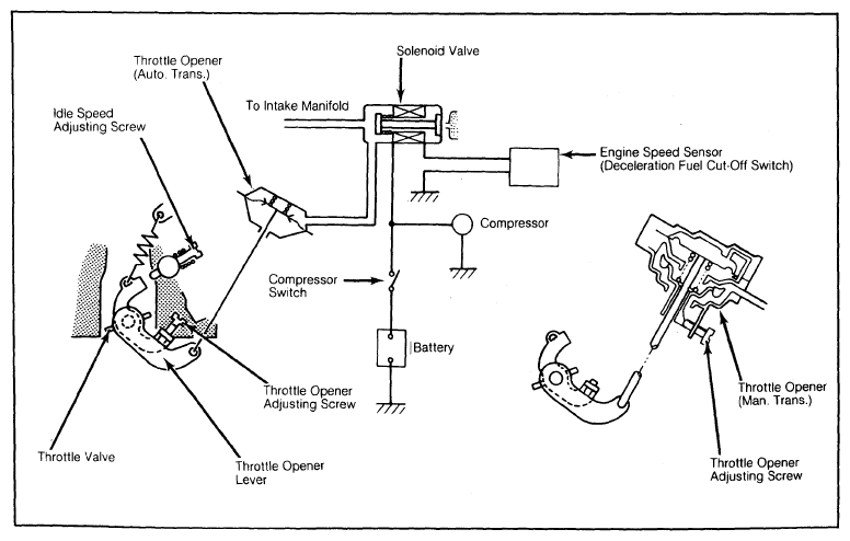
  2. Activate throttle opener (air conditioning "ON") and adjust throttle opener speed to operating speed RPM by turning throttle opener adjusting screw. See Fig. 1. 
  3. With throttle opener speed set to specification, turn air conditioner "OFF" and recheck idle speed. Normal engine idle speed should not be affected when throttle opener is not activated.
    THROTTLE OPENER SPECIFICATIONS

    Application Operating Speed (RPM)
    1.4L & 1.6L Engines
      Man. Trans. 800-900
      Auto. Trans. 850-950
    2.0L & 2.6L Engines 850-950
    Fig 1: Chrysler Corp. Imports Throttle Opener System
    G09315593Courtesy of CHRYSLER GROUP, LLC