lemon-mirror:
Home >> Plymouth >> 1985 >> Colt Vista 4WD >> Repair and Diagnosis >> Engine Performance >> System >> Feedback Carburetor System >> Testing >> Pretesting Inspection

Pretesting Inspection

If FBC system components fail, interruption of fuel supply or failure to supply proper amount of fuel for engine operation will result. The following conditions will result: engine is hard to start or does not start at all, unstable idle and/or poor driveability. Before testing FBC system, perform basic engine checks first (ignition system, incorrect engine adjustments, etc.).

Fig 1: Colt Vista Feedback Carburetor Electronic Control Unit Connector Terminal Locations
G42517
Fig 2: Output Signals for Colt Vista Manual Transmission (Part 1 of 2)
G42521
Fig 3: Output Signals for Colt Vista Manual Transmission (Part 2 of 2)
G42522
Fig 4: Output Signals for Colt Vista Automatic Transmission (Part 1 of 2)
G48086
Fig 5: Output Signals for Colt Vista Automatic Transmission (Part 2 of 2)
G48087
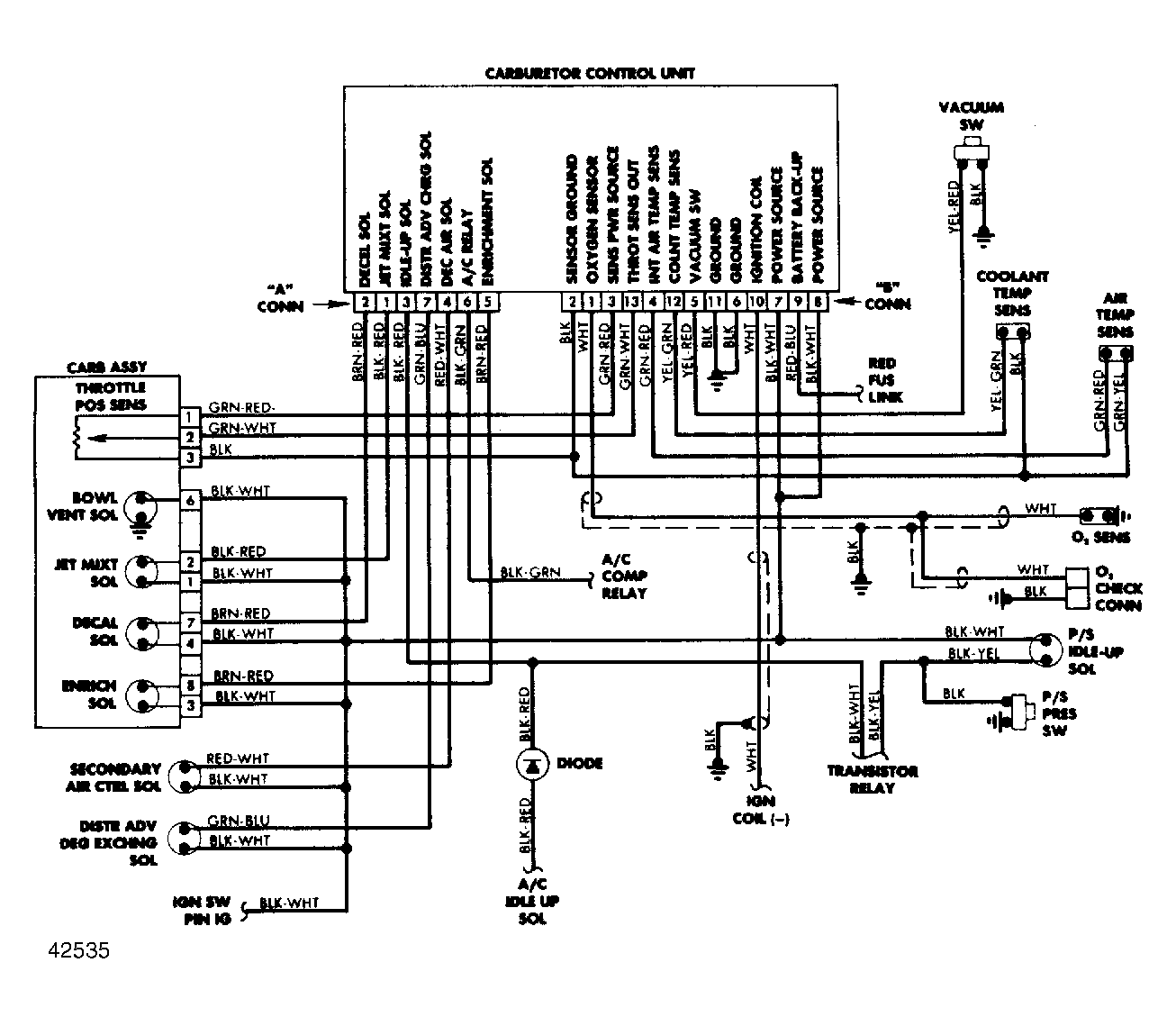
Fig 6: Chrysler Corp. Imports Colt Vista with Manual Transmission Feedback Carburetor System Wiring Diagrams
G42535
Fig 7: Chrysler Corp. Imports Colt Vista with Automatic Transmission Feedback Carburetor System Wiring Diagram
G48098