lemon-mirror:
Home >> Plymouth >> 1987 >> Horizon Automatic >> Repair and Diagnosis >> Engine Performance >> System >> EFC System >> Wiring Diagrams

Wiring Diagrams

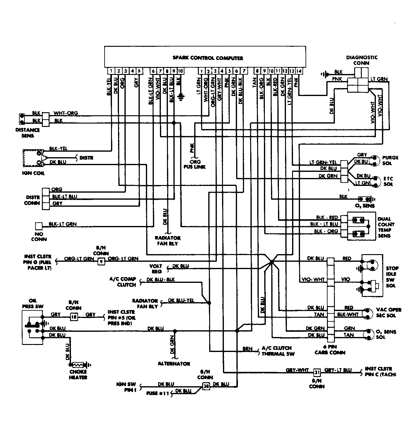
Fig 1: Wiring Diagram For 2.2L Carbureted Engines
G5764