lemon-mirror:
Home >> Plymouth >> 1988 >> Colt Base >> Repair and Diagnosis >> Engine Performance >> System >> Feedback Carburetor System >> Wiring Diagrams

Wiring Diagrams

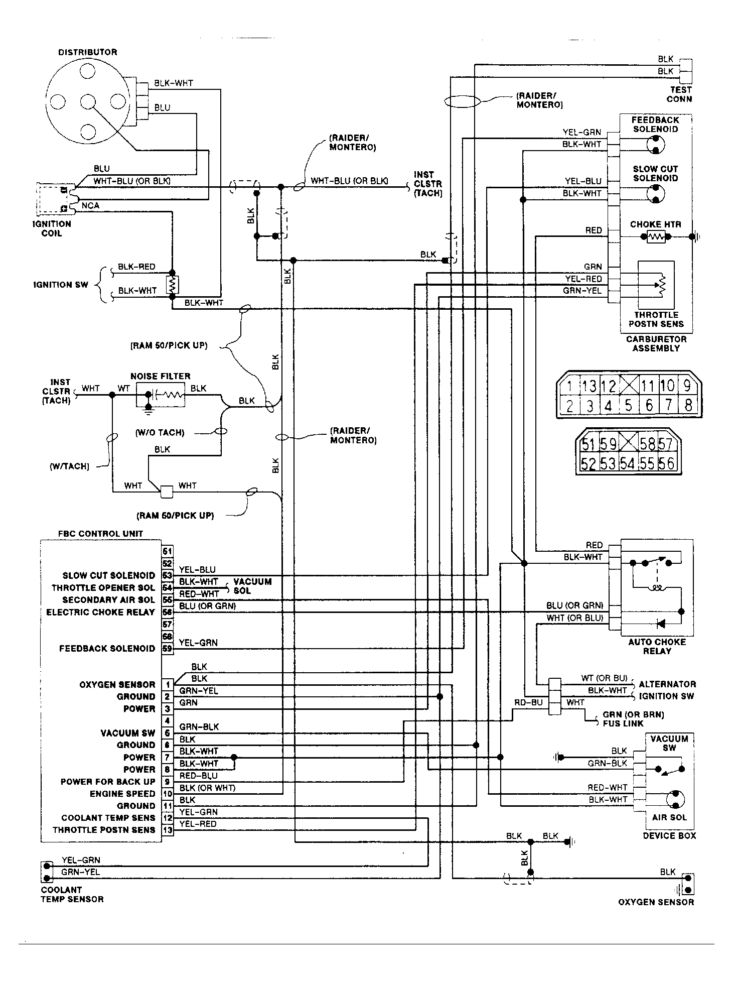
Fig 1: Wiring Diagram (Colt)
G94420
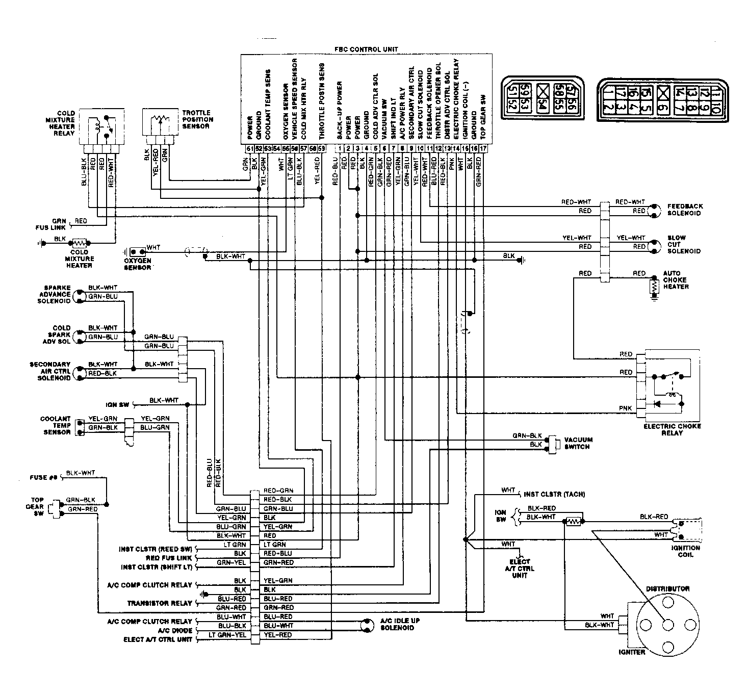
Fig 2: Wiring Diagram (Raider & Ram-50)
G94423