lemon-mirror:
Home >> Plymouth >> 1992 >> Colt Base, Automatic >> Repair and Diagnosis >> Engine Performance >> System >> Engine Controls - Tests W/Codes >> Code Charts >> Dr-6: Testing Motor Position Sensor

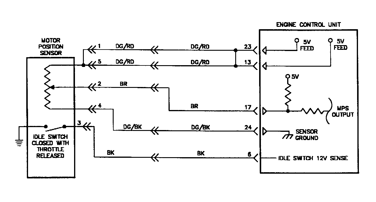
Dr-6: Testing Motor Position Sensor

Fig 1: DR-6 Test Schematic Testing Motor Position Sensor
G90I15378
Fig 2: DR-6 Test Flow Chart (1 Of 2) Testing Motor Position Sensor
G91I17242
Fig 3: DR-6 Test Flow Chart (2 Of 2) Testing Motor Position Sensor
G91J17243