lemon-mirror:
Home >> Plymouth >> 1992 >> Colt Base, Automatic >> Repair and Diagnosis >> Engine Performance >> System >> Engine Controls - Tests W/Codes >> Code Charts >> NS-5: Testing Crank Angle Sensor

NS-5: Testing Crank Angle Sensor

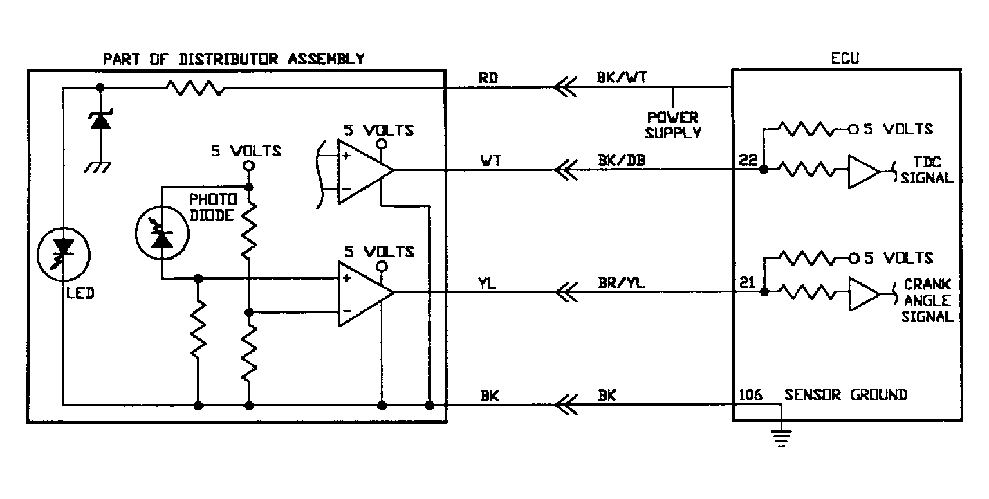
Fig 1: No Start Test 5 Schematic Testing Crank Angle Sensor
G90C15372
Fig 2: No Start Test 5 Flow Chart Testing Crank Angle Sensor
G91E16711