Miscellaneous Components
MISCELLANEOUS COMPONENTS LOCATION
| Component | Location | |
|---|---|---|
| A/C Compressor Clutch Diode | In A/C compressor connector. See Figure. | |
| A/C-Heater Blower Resistors | On firewall, on right side of plenum. See Figure. | |
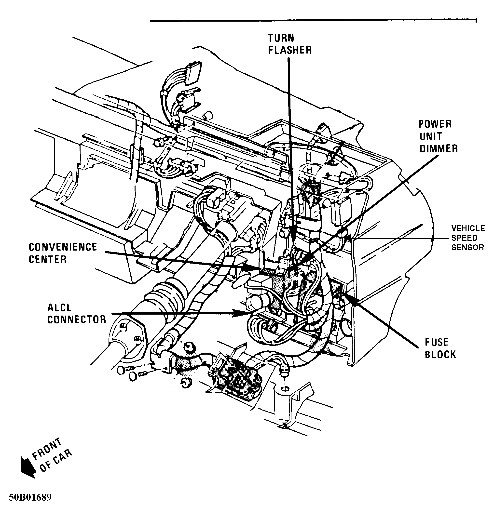
| Assembly Line Data Link | Behind instrument panel, on right side of fuse block. See Figure & 10. | |
| Battery Junction Block | On firewall, behind brake booster. See Figure. | |
| Blocking Diode | In instrument panel harness, near bulkhead connector. | |
| Convenience Center | Behind instrument panel, left of steering column. See Figure. | |
| EFE Heater | On left side of engine, near throttle body. | |
| Fuel Pump In-Line Fuse | On firewall, behind brake booster. See Figure. | |
| Fuel Pump Prime Connector (1.8L) | On left rear side of engine, taped to engine harness. | |
| Fuel Pump Prime Connector (2.0L & 2.8L) | On left side of firewall, by bulkhead connector. | |
| Fuse Block | Under left side of instrument panel. See Figure. | |
| Fusible Links | ||
| "A", "B","C", "G" & "H" (Red) | In wiring harness, at starter solenoid. | |
| "E" (Green) | In engine compartment, at battery junction block. | |
| "F" (Orange) | In engine compartment, behind battery. | |
| Mass Airflow Sensor In-Line Fuse | On firewall, behind brake booster. See Figure. | |
| Power Unit Dimmer | Behind instrument panel, left of steering column. See Figure. | |
| Power Accessory/Convertible Top Circuit Breaker | On fuse block. See Figure. | |
| Power Window Circuit Breaker | On fuse block. See Figure. | |
| Tachometer Filter (1.8L & 1.8L Turbo) | On left side of engine, near distributor. | |
| Tachometer Filter (2.0L & 2.8L) | On firewall, behind brake booster. | |
| Twilight Sentinel Amplifier | Behind instrument panel, left of steering column. | |
| Twilight Sentinel Photocell | On dash, on right side of left defrost vent. | |
| Vehicle Speed Sensor Buffer | Behind instrument cluster, below speed sensor. | |