lemon-mirror:
Home >> Pontiac >> 1988 >> Fiero Formula, Automatic >> Repair and Diagnosis >> Engine Performance >> System >> Fuel Injection System - Multi-Port >> Wiring Diagrams

Wiring Diagrams

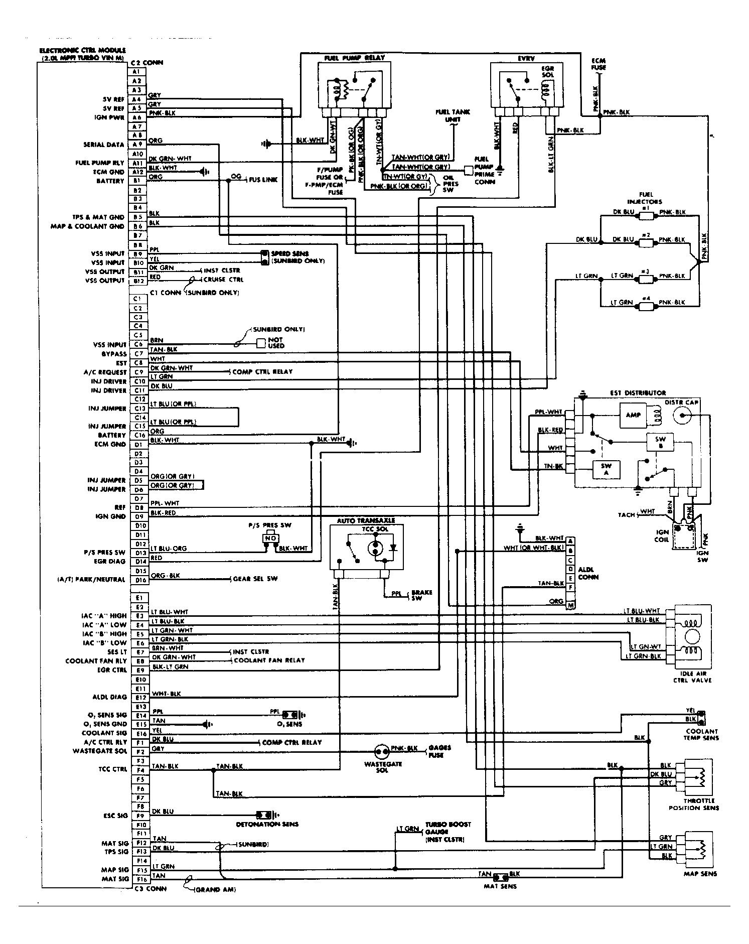
Fig 1: 1988 Grand Am & Sunbird 2.0L Fuel Injection Wiring Diagram
G54368
Fig 2: 1988 Calais & Grand Am 2.3L Fuel Injection Wiring Diagram
G54369
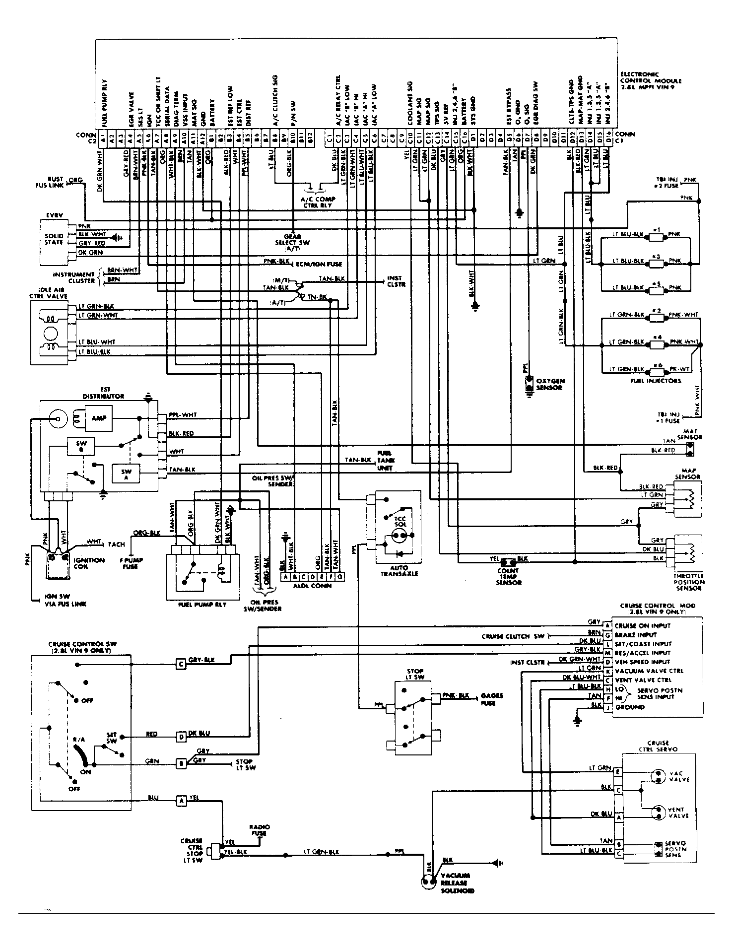
Fig 3: 1988 Skylark 2.3L Fuel Injection Wiring Diagram
G54370
Fig 4: 1988 Camaro & Firebird 2.8L Fuel Injection Wiring Diagram
G54371
Fig 5: 1988 Regal FWD 2.8L Fuel Injection Wiring Diagram
G54372
Fig 6: 1988 Cutlass Supreme FWD 2.8L Fuel Injection Wiring Diagram
G54373
Fig 7: 1988 Cavalier 2.8L Fuel Injection Wiring Diagram
G54374
Fig 8: 1988 Beretta & Corsica 2.8L Fuel Injection Wiring Diagram
G54375
Fig 9: Celebrity, Century, Cutlass Ciera & 6000 2.8L Wiring Diagram
G54376
Fig 10: 1988 Cimarron 2.8L Fuel Injection Wiring Diagram
G54377
Fig 11: 1988 Fiero 2.8L Fuel Injection Wiring Diagram
G54378
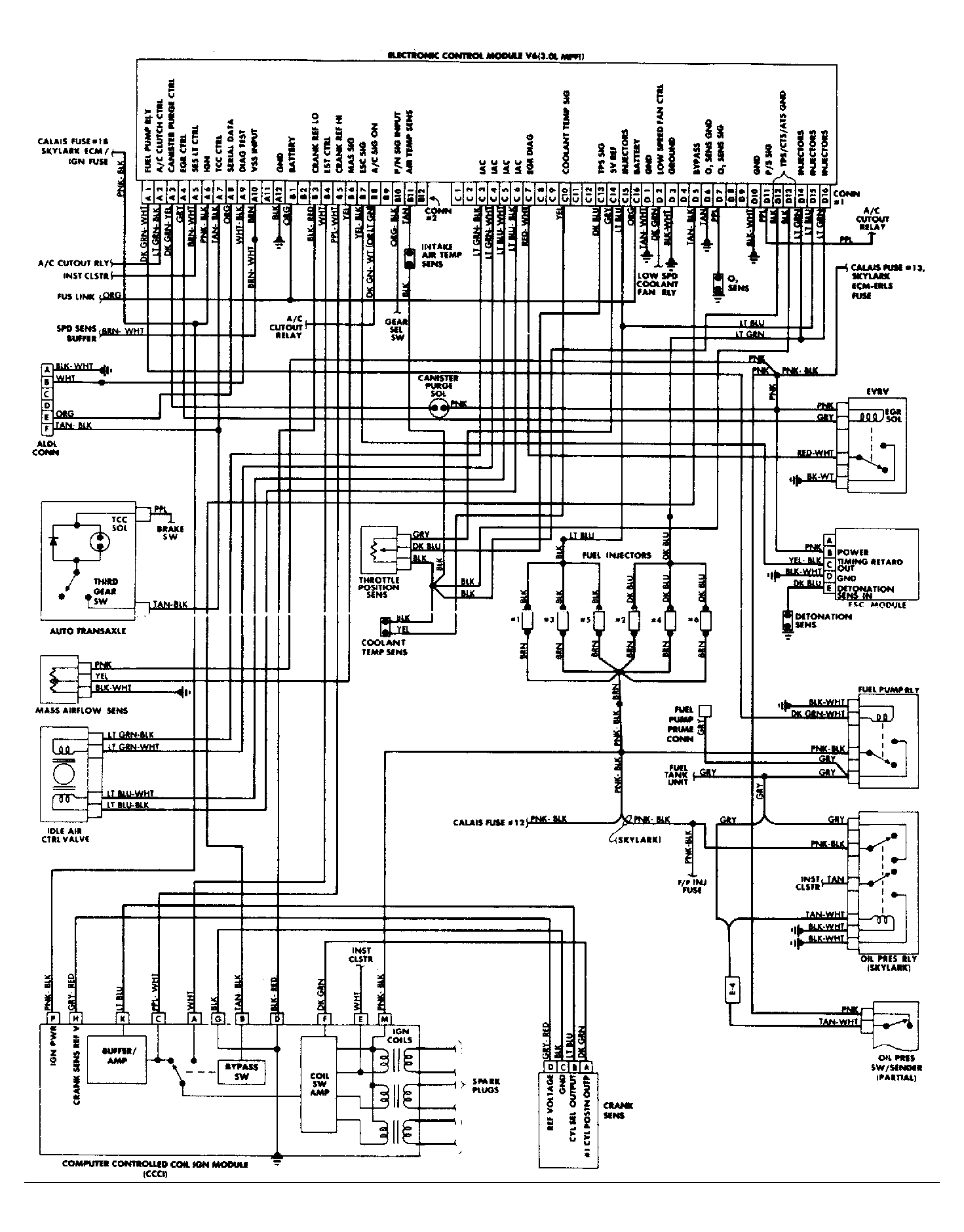
Fig 12: 1988 Calais & Skylark 3.0L Fuel Injection Wiring Diagram
G54379
Fig 13: 1988 Century & Cutlass Ciera 3.8L FI Wiring Diagram
G54380
Fig 14: Bonneville, 88, LeSabre & 98 3.8L FI Wiring Diagram
G54381
Fig 15: Bonneville & Electra 3.8L "3800" FI Wiring Diagram
G54382
Fig 16: LeSabre & Ninety-Eight 3.8L "3800" FI Wiring Diagram
G54382
Fig 17: Camaro & Firebird 5.0 & 5.7L Fuel Injection Wiring Diagram
G54383
Fig 18: 1988 Corvette 5.7L Fuel Injection Wiring Diagram
G54384