lemon-mirror:
Home >> Pontiac >> 1993 >> LeMans VL >> Repair and Diagnosis >> Engine Performance >> System >> Engine Controls - Basic Testing >> Fuel System >> Fuel Pressure >> Checking Fuel Pressure

Checking Fuel Pressure

  1. With fuel pressure relieved, remove air cleaner and gasket. Remove flexible steel fuel line between throttle body and fuel filter. When removing fuel line, always use 2 wrenches to prevent damage. Install fuel pressure gauge between throttle body and fuel filter.
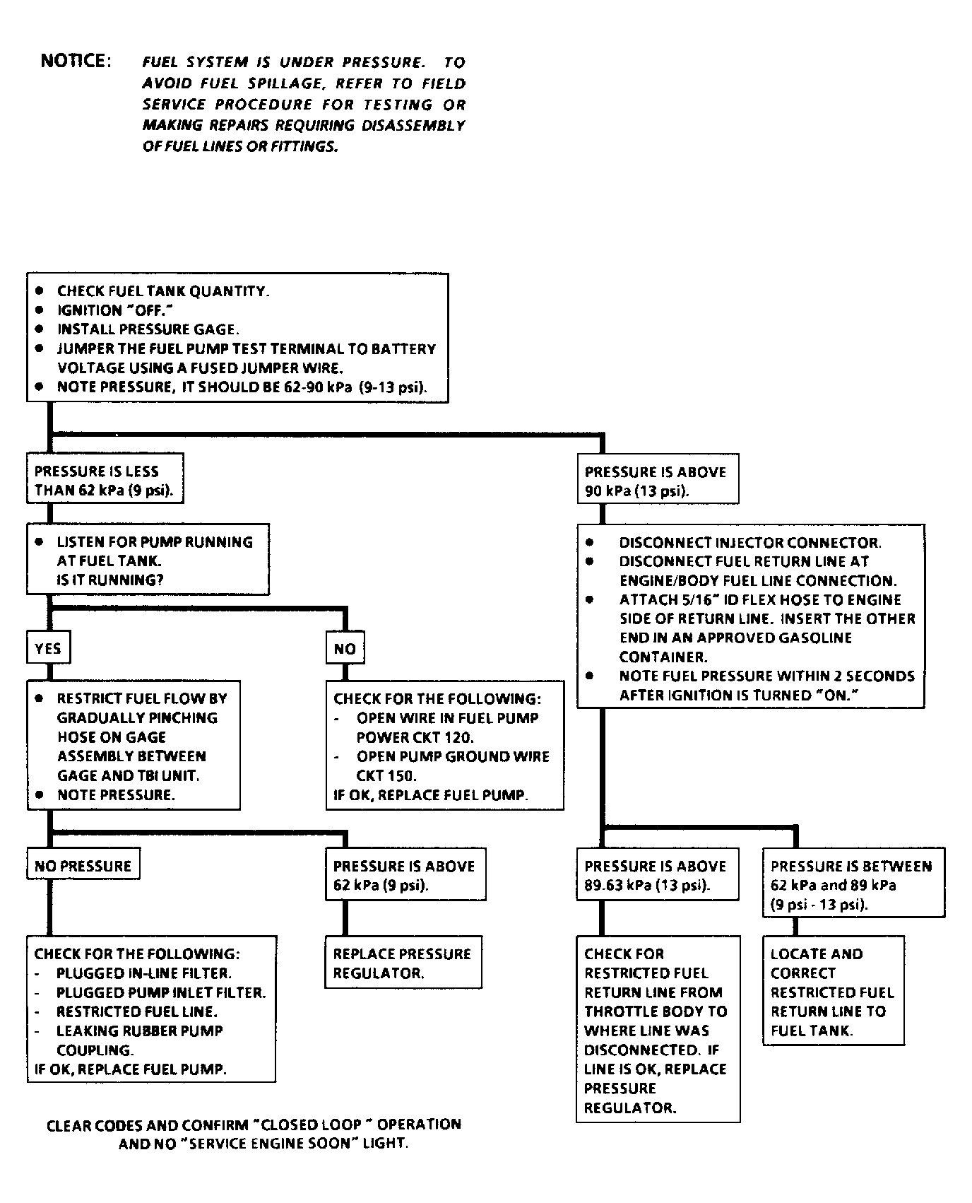
  2. Start vehicle. Observe fuel pressure gauge. Fuel pressure should be 9-13 psi (.6-.9 kg/cm2 ). If pressure is within specification, go to next step. If fuel pressure is not within specification, refer to diagnostic flow charts. See Figure -Figure .
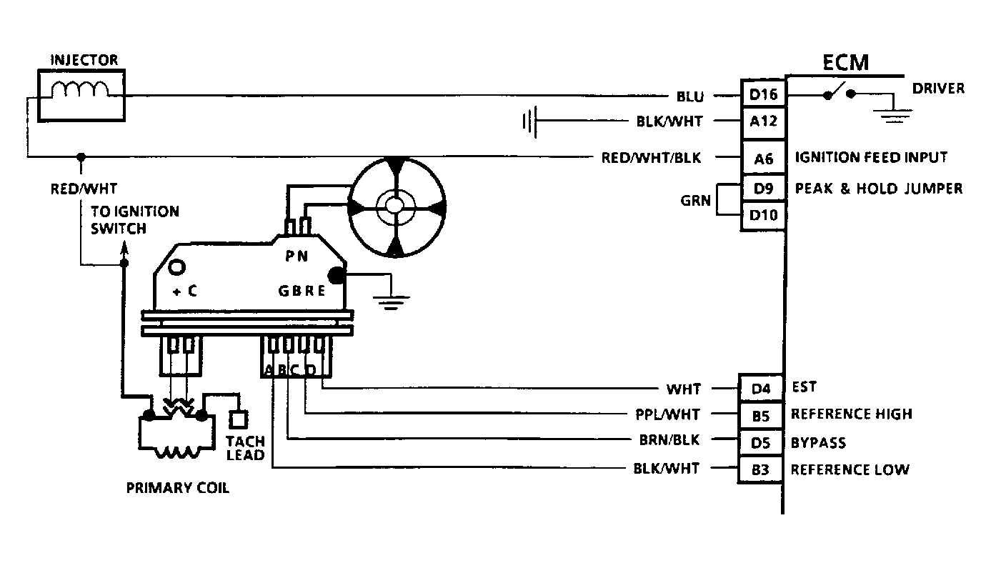
  3. Release fuel pressure. See FUEL PRESSURE RELEASE above. Remove fuel pressure gauge. To measure fuel pump volume, insert end of fuel line into a container. Apply battery voltage to terminal "G" of DLC test connector. See Fig 1 . DLC is mounted on top of ECM, behind passenger side kick panel.
  4. Fuel pump should supply at least 1.0 pt. (.5L) in 30 seconds. If fuel flow is less than specified, check for restricted fuel line. If fuel line is okay, replace fuel pump. Connect flex line between fuel filter and throttle body. Start engine. Check for leaks. Install air cleaner and gasket.
Fig 1: DLC Terminal ID
G93A78105Courtesy of GENERAL MOTORS CORP.