lemon-mirror:
Home >> Pontiac >> 2002 >> Aztek FWD >> Repair and Diagnosis >> External Pages >> Different car >> Section 14 (Body Control Modules) >> Removal & Installation >> Ignition Switch >> Installation

Ignition Switch: Installation

WARNING: This page is about a different car, the 2002 Chevrolet Monte Carlo, 2002 Chevrolet Impala, 2001 Chevrolet Monte Carlo, and 2001 Chevrolet Impala. However, it is still accessible from the selected car via links, so may be relevant.
CAUTION: Use correct fastener in correct location. Replacement fasteners must be correct part number for application. Fasteners requiring replacement or fasteners requiring use of thread locking compound or sealant are identified in service procedures. DO NOT use paints, lubricants, or corrosion inhibitors on fasteners or fastener joint surfaces unless specified. These coatings affect fastener torque and joint clamping force and may damage fastener. Use correct tightening sequence and specifications when installing fasteners in order to avoid damage to part and systems.
  1. Connect electrical connectors. Connect Passlock™ electrical connector. Connect park/lock cable to ignition switch. Turn key to run position. Install ignition lock cylinder into ignition switch. If ignition switch lock cylinder rotated, go to step  3. If ignition switch lock cylinder did not rotate or was seized, go to next step.
  2. Install new ignition switch lock cylinder by rotating both cylinder and ignition switch to RUN position. Push ignition switch lock cylinder into ignition switch housing until fully seated. It may be necessary to slightly depress release button as it passes by 9/32" hole previously drilled in ignition switch housing. Remove key.
  3. Ensure to tighten knee bolster bracket bolt in sequence, as illustrated. See Fig 2. To complete installation, reverse removal procedure.
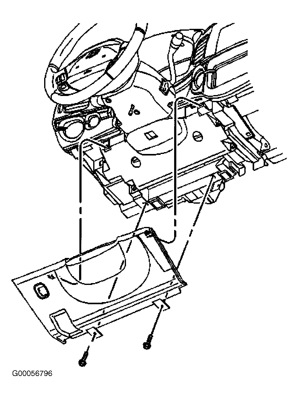
Fig 1: Removing Steering Column Filler Panel
G00056796Courtesy of GENERAL MOTORS CORP.
Fig 2: Installing Knee bolster Bracket Bolts
G00056795Courtesy of GENERAL MOTORS CORP.
Fig 3: Removing Ignition Switch Retaining Bolts
G00056797Courtesy of GENERAL MOTORS CORP.
Fig 4: Removing Ignition Switch Lock Cylinder
G00056806Courtesy of GENERAL MOTORS CORP.