lemon-mirror:
Home >> Pontiac >> 2003 >> Aztek FWD >> Repair and Diagnosis >> Engine Performance >> System >> Engine Controls - System & Component Testing >> Fuel Systems >> Fuel Pump Electrical Circuit Diagnosis >> Notes

Fuel Pump Electrical Circuit Diagnosis: Notes

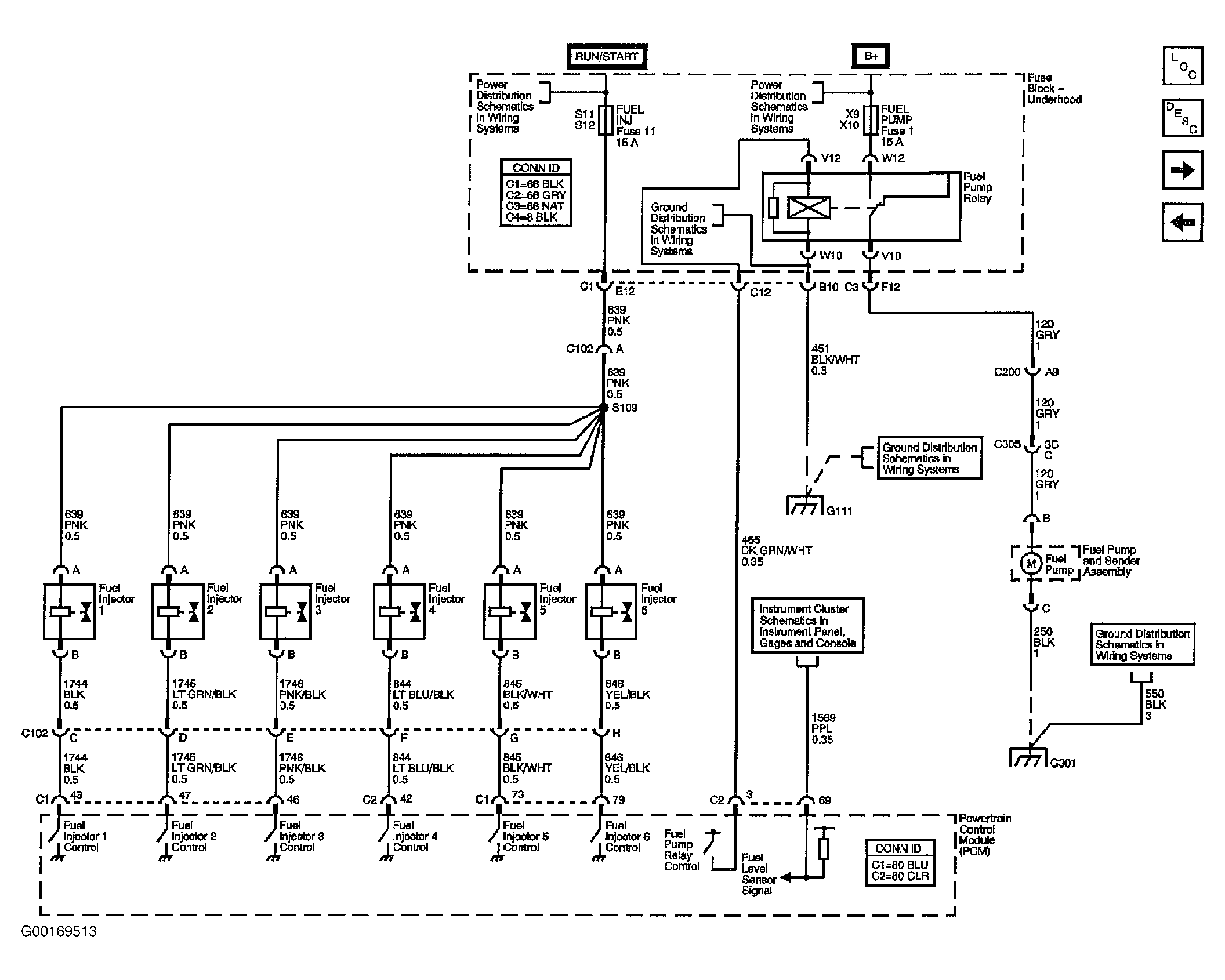
Fig 1: Fuel System Electrical Schematic
G00169513Courtesy of GENERAL MOTORS CORP.