lemon-mirror:
Home >> Pontiac >> 2003 >> Aztek FWD >> Repair and Diagnosis >> External Pages >> Different car >> Section 735 (Body Control System) >> Schematic and Routing Diagrams >> Body Control Module Schematics

Body Control Module Schematics

WARNING: This page is about a different car, the 2002 Pontiac Grand Prix. However, it is still accessible from the selected car via links, so may be relevant.
Fig 1: Body Control Module Schematic (Power, Ground, & References)
G01616380Courtesy of GENERAL MOTORS CORP.
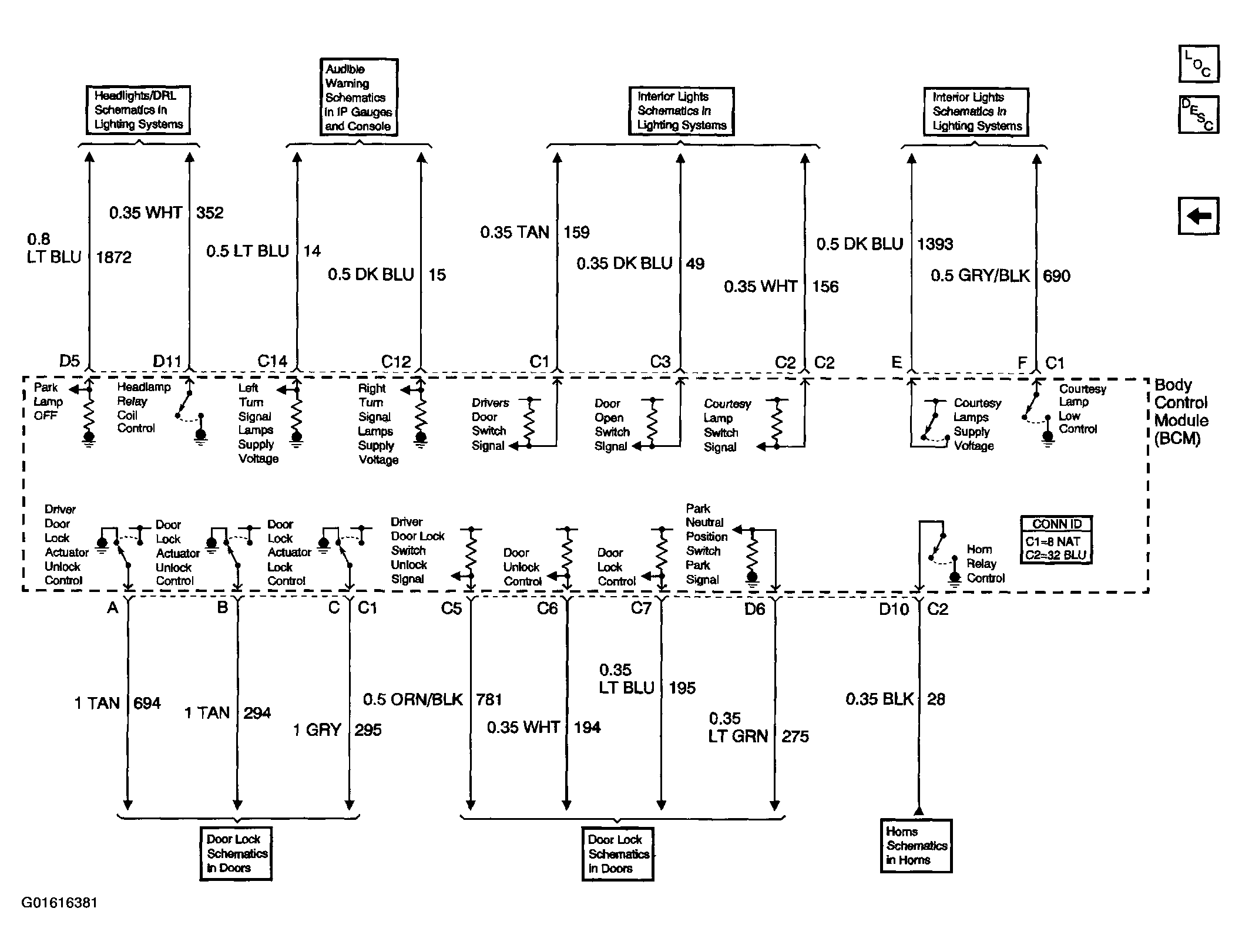
Fig 2: Body Control Module Schematic (Lighting, Door Locks, & Horn References)
G01616381Courtesy of GENERAL MOTORS CORP.