lemon-mirror:
Home >> Pontiac >> 2004 >> GTO Automatic >> Repair and Diagnosis >> Electrical >> Charging Systems >> Battery, Charging System And Starting System >> Repair Instructions >> Generator Replacement >> Installation Procedure

Installation Procedure

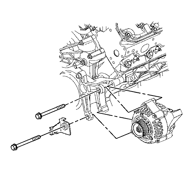
    Fig 1: View Of Generator
    GM211628Courtesy of GENERAL MOTORS CORP.
  1. Install the generator.
  2. NOTE: Refer to Fastener Notice in Cautions and Notices.
  3. Install the generator front mounting bolts.

    Tighten:  Tighten the generator mounting bolts to 50 N.m (37 lb ft).

  4. Fig 2: View Of Generator & Rear Bracket
    GM211626Courtesy of GENERAL MOTORS CORP.
  5. Install the generator rear mounting bolt (1) to the generator.

    Tighten:  Tighten the generator rear mounting bolt at the generator to 50 N.m (37 lb ft).

  6. Fig 3: View Of Generator Electrical Connector
    GM211624Courtesy of GENERAL MOTORS CORP.
  7. Connect the generator electrical connector (3).
  8. Fig 4: View Of Generator Positive Cable
    GM211599Courtesy of GENERAL MOTORS CORP.
  9. Install the positive cable to the generator:
    1. Install the positive cable to the stud.
    2. Install the positive cable nut at the generator.

      Tighten:  Tighten the positive cable nut at the generator to 15 N.m (11 lb ft).

    3. Push the cap onto the generator stud.
  10. Install the power steering pump. Refer to Power Steering Pump Replacement in Power Steering System.
  11. Connect the negative battery cable. Refer to Battery Negative Cable Disconnect/Connect Procedure .