lemon-mirror:
Home >> Pontiac >> 2004 >> GTO Automatic >> Repair and Diagnosis >> Engine Performance >> System >> Engine Controls -- 5.7L -- (Introduction) >> Schematic and Routing Diagrams >> Engine Controls Schematics

Engine Controls Schematics

Fig 1: Powertrain Control Module (PCM) Power & Ground Schematic
GM1348903Courtesy of GENERAL MOTORS CORP.
Fig 2: Manual Transmission Solenoids, EVAP Solenoids, Mass Air Flow (MAF) Sensor Schematic
GM1215601Courtesy of GENERAL MOTORS CORP.
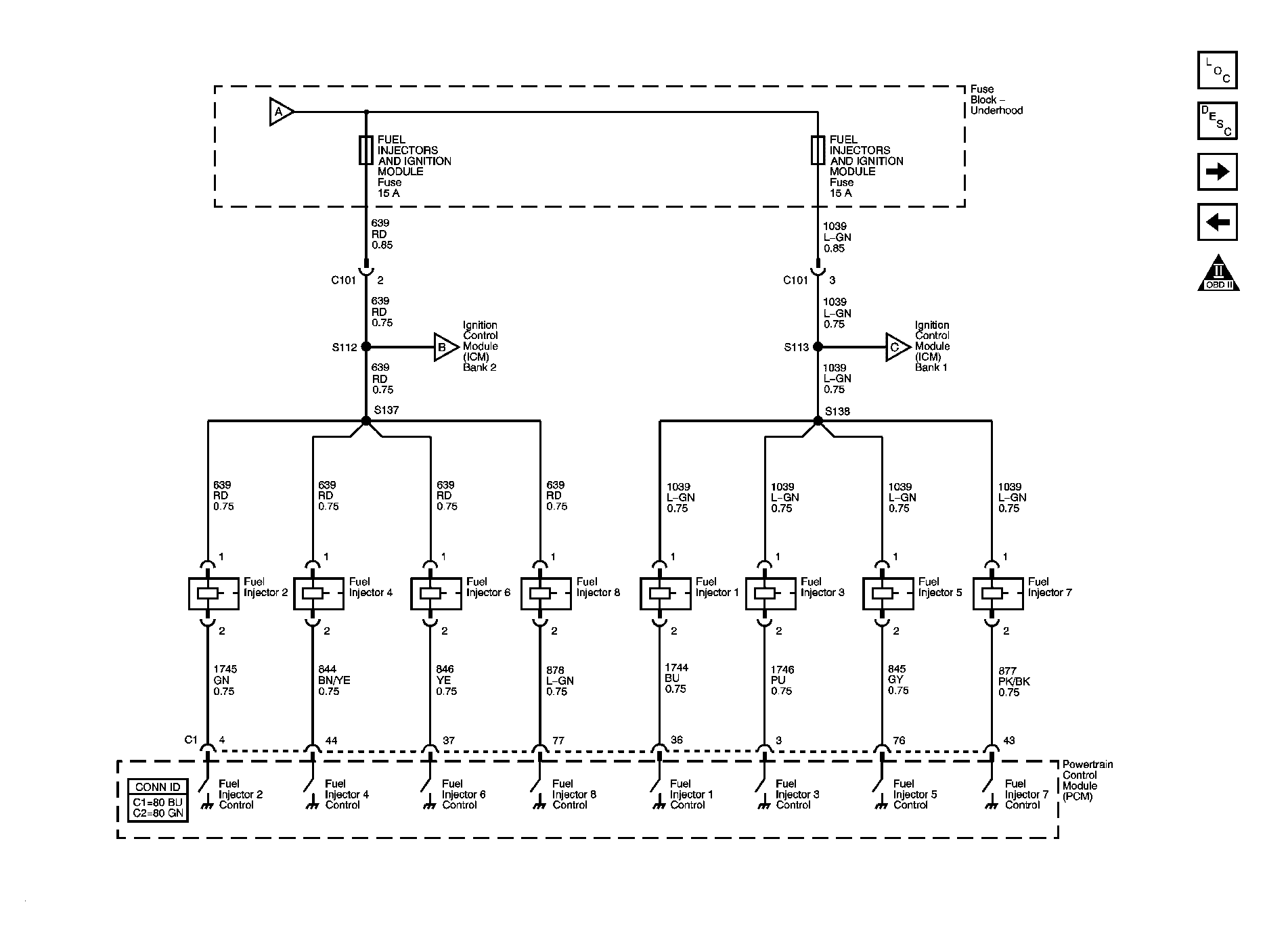
Fig 3: Fuel Injectors Schematic
GM1215602Courtesy of GENERAL MOTORS CORP.
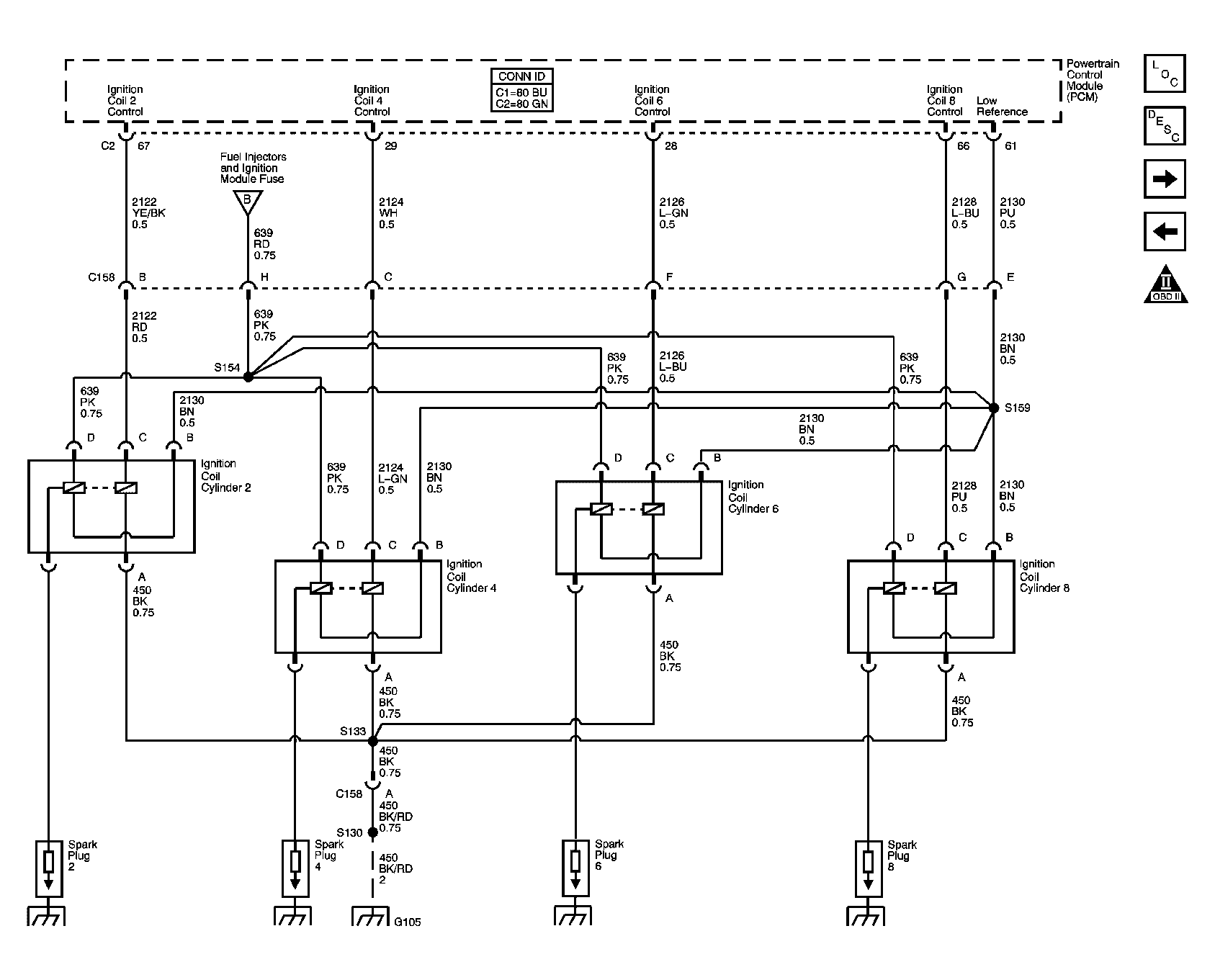
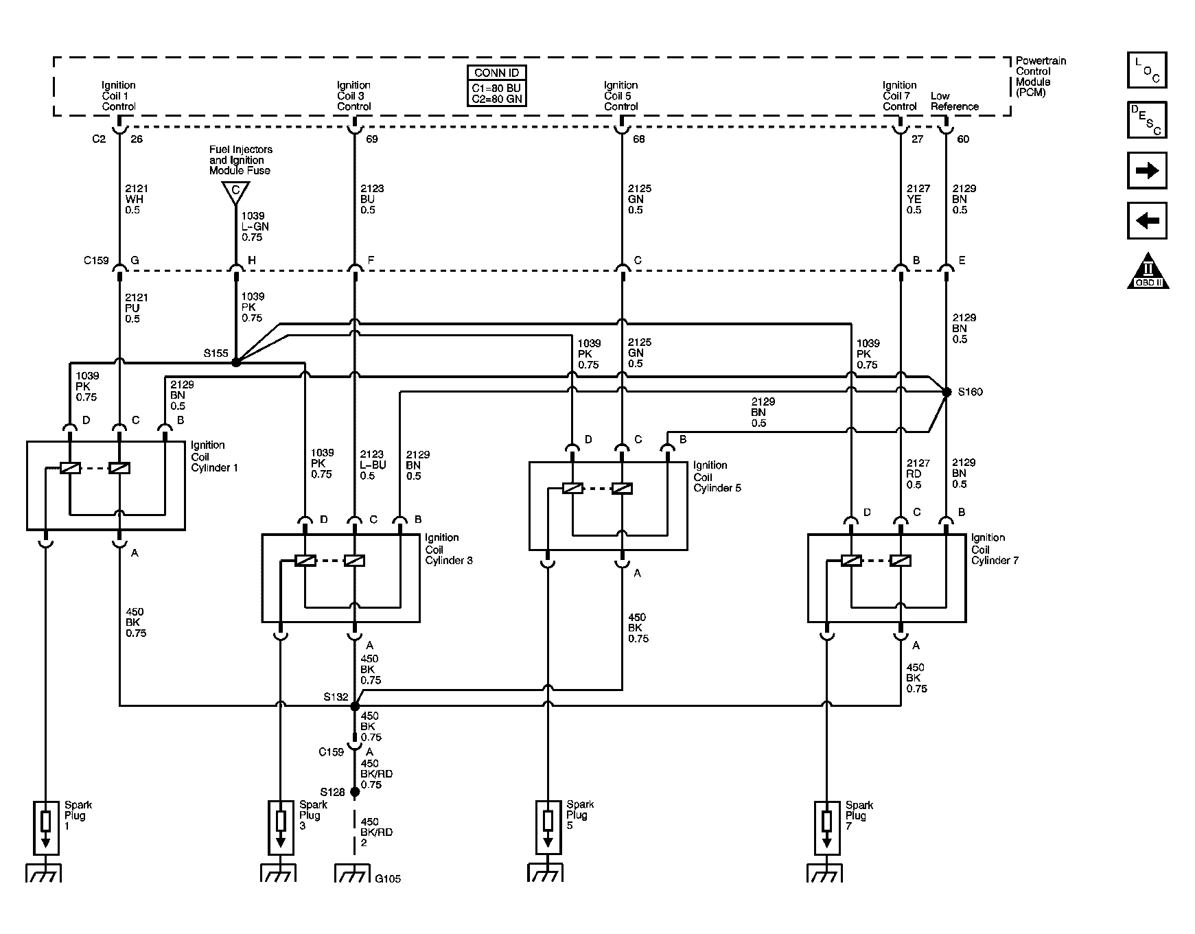
Fig 4: Ignition Coils Schematic (1 Of 2)
GM1215603Courtesy of GENERAL MOTORS CORP.
Fig 5: Ignition Coils Schematic (2 Of 2)
GM1392518Courtesy of GENERAL MOTORS CORP.
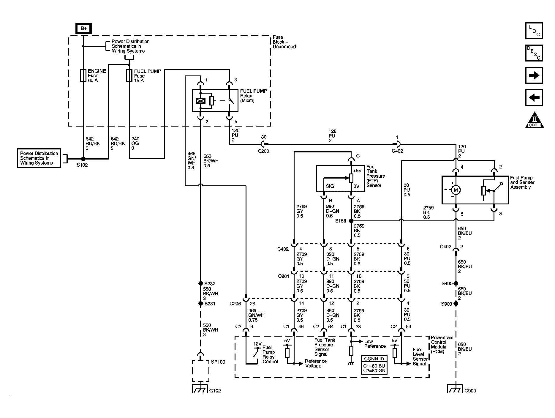
Fig 6: Fuel Pump & Sender Assembly Schematic
GM1348157Courtesy of GENERAL MOTORS CORP.
Fig 7: Throttle Relaxer System, Throttle Position Sensor (TPS) Schematic
GM1349838Courtesy of GENERAL MOTORS CORP.
Fig 8: Knock Sensors (KS), Manifold Absolute Pressure (MAP), Engine Oil Pressure (EOP), Intake Air Temperature (IAT), A/C Refrigerant Pressure Sensors Schematic
GM1348159Courtesy of GENERAL MOTORS CORP.
Fig 9: Idle Air Control (IAC) Valve, Engine Coolant Temperature (ECT), Camshaft Position (CMP), Crankshaft Position (CKP) Sensors, Engine Coolant Level Switch Schematic
GM1348161Courtesy of GENERAL MOTORS CORP.
Fig 10: Heated Oxygen Sensors (HO2S) Schematic
GM1348162Courtesy of GENERAL MOTORS CORP.
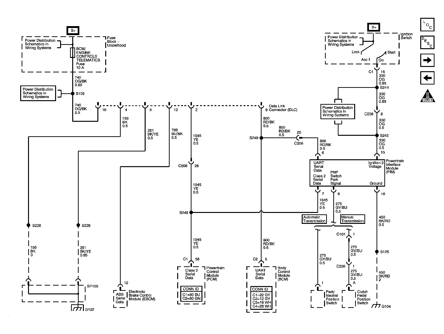
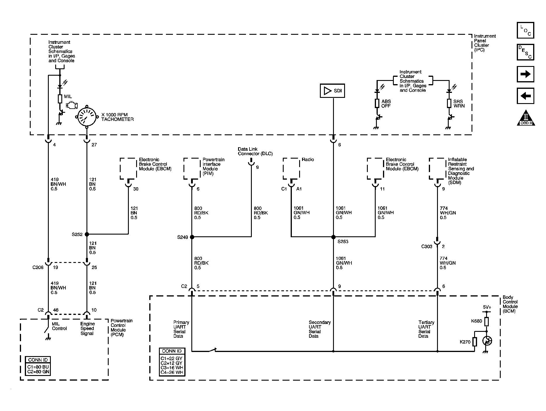
Fig 11: Data Link Connector (DLC) Schematic (1 Of 2)
GM1349386Courtesy of GENERAL MOTORS CORP.
Fig 12: Data Link Connector (DLC) Schematic (2 Of 2)
GM1364453Courtesy of GENERAL MOTORS CORP.
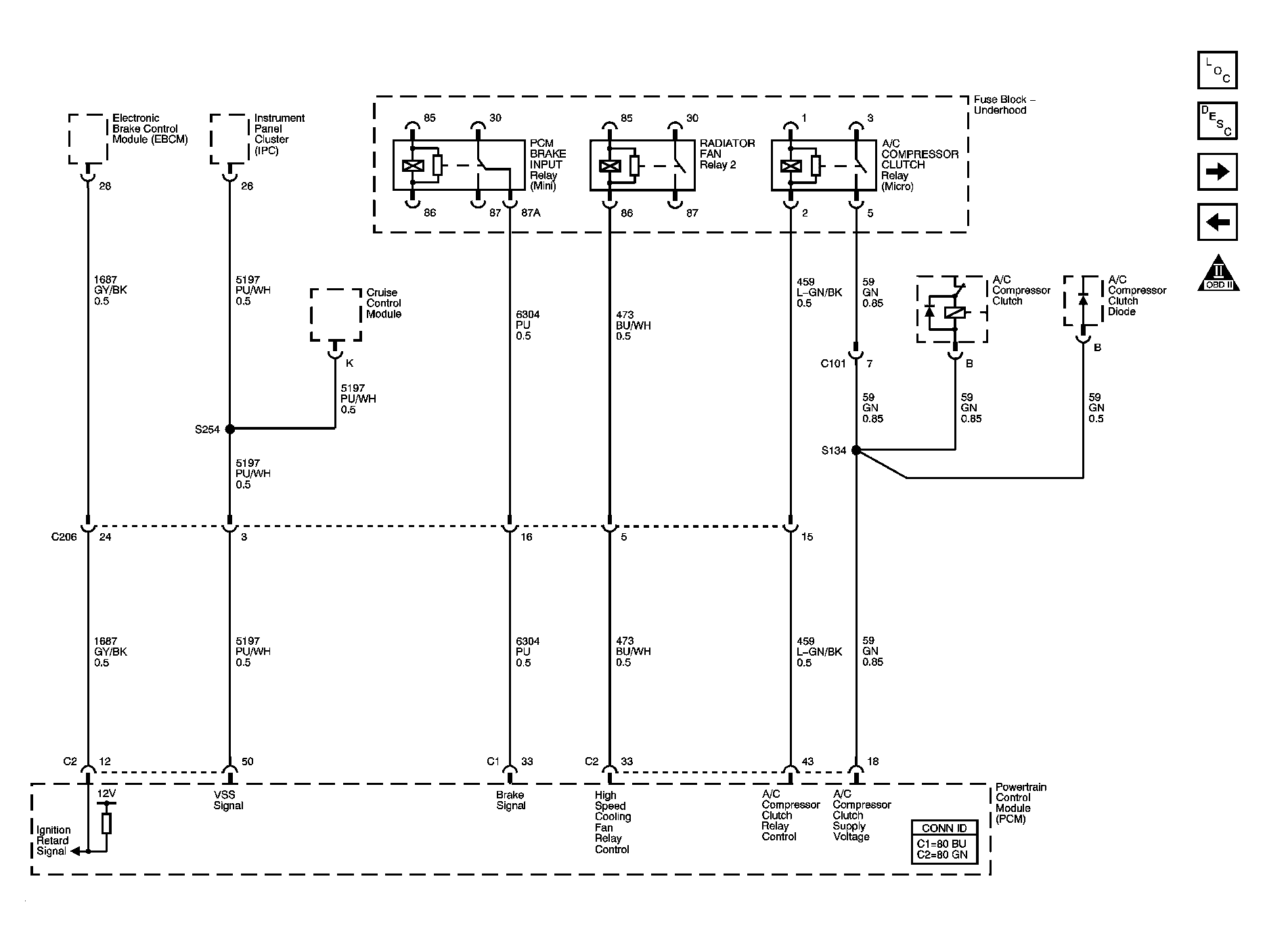
Fig 13: Powertrain Control Module (PCM) Idle-Up Inputs Schematic
GM1364454Courtesy of GENERAL MOTORS CORP.
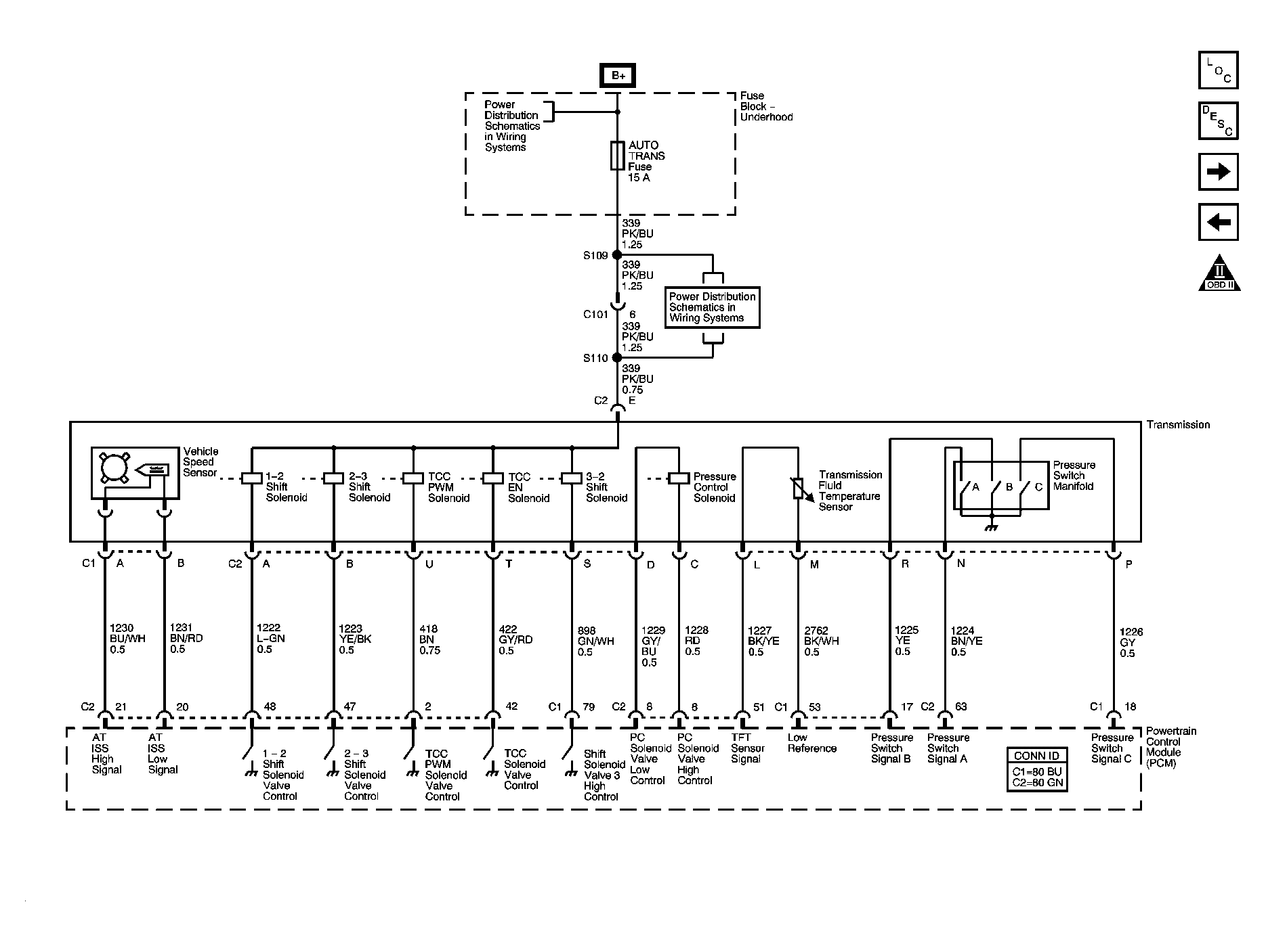
Fig 14: Automatic Transmission Controls Schematic
GM1349510Courtesy of GENERAL MOTORS CORP.
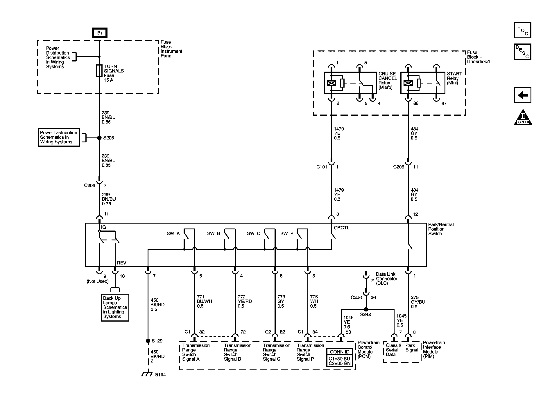
Fig 15: Park/Neutral Position Switch Schematic
GM1351336Courtesy of GENERAL MOTORS CORP.