lemon-mirror:
Home >> Pontiac >> 2004 >> GTO Standard >> Repair and Diagnosis >> Engine Performance >> System >> Engine Controls -- 5.7L -- (Introduction) >> Component Locator >> Engine Controls Component Views

Engine Controls Component Views

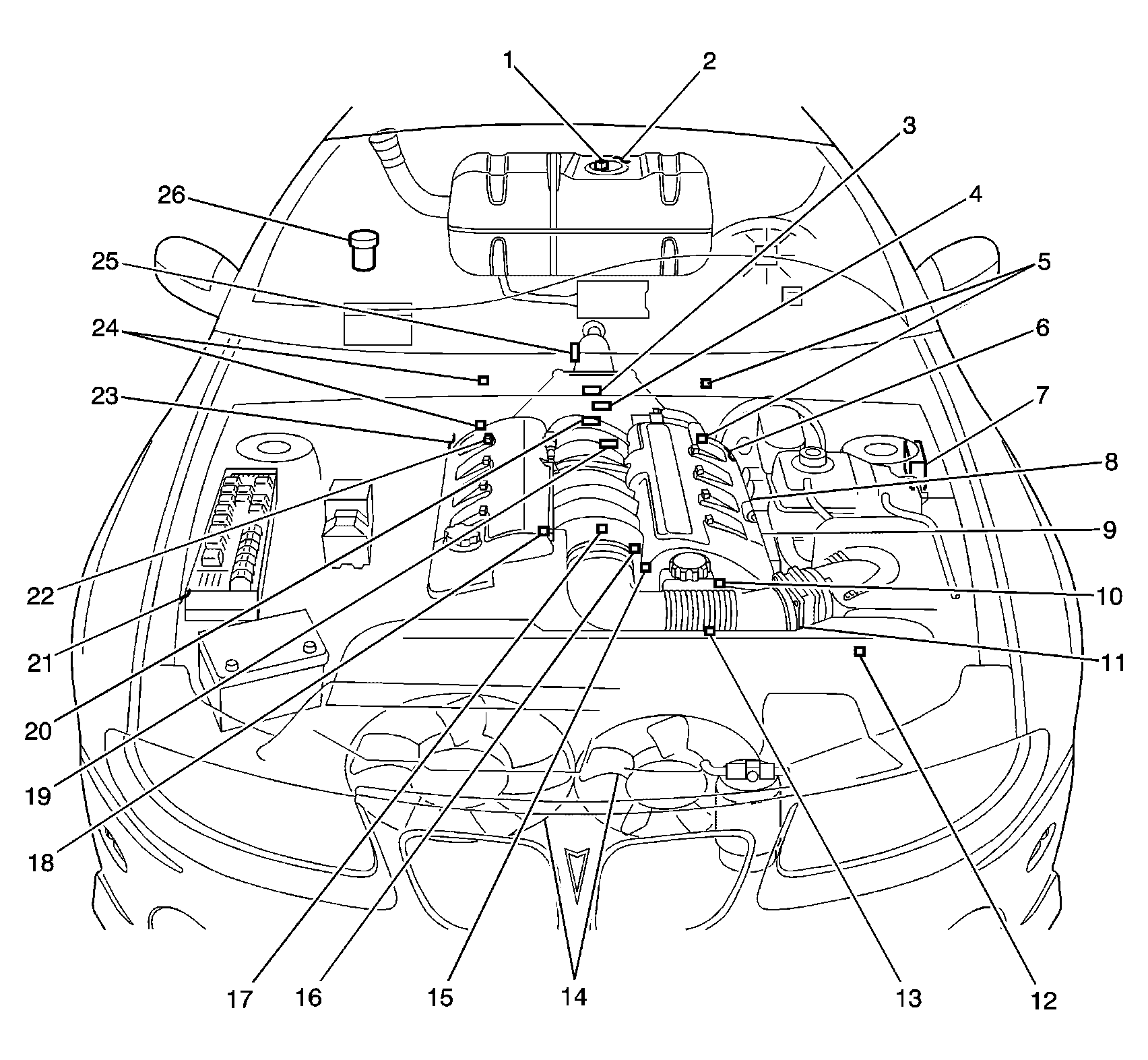
Fig 1: Engine Controls System Component Locations
GM1372057Courtesy of GENERAL MOTORS CORP.
Callout Component Name
1 Fuel Tank Pressure Sensor
2 Modular Fuel Pump and Sender Assembly
3 Manifold Absolute Pressure (MAP) Sensor
4 Oil Pressure Sensor
5 Heated Oxygen Sensors Bank 2
6 Ignition Coil Module Bank 2
7 Powertrain Interface Module
8 EVAP Canister Purge Solenoid
9 Powertrain Control Module (PCM)
10 Engine Coolant Temperature (ECT) Sensor
11 Mass Air Flow (MAF) Sensor
12 A/C Refrigerant Pressure Sensor
13 Intake Air Temperature (IAT) Sensor
14 Engine Cooling Fans
15 Throttle Position (TP) Sensor
16 Idle Air Control (IAC) Valve
17 Knock Sensor (KS)
18 Crankshaft Position (CKP) Sensor
19 Knock Sensor (KS)
20 Camshaft Position (CMP) Sensor
21 Under Hood Fuse Block
22 Fuel Injectors
23 Ignition Coil Module Bank 1
24 Heated Oxygen Sensors Bank 1
25 Vehicle Speed Sensor (VSS)
26 Evaporative Canister Vent Solenoid
Fig 2: Full Engine View LH Side Component View
GM760771Courtesy of GENERAL MOTORS CORP.
Callout Component Name
1 Ignition Coils/Modules Bank 2
2 Evaporative Emission (EVAP) Canister Purge Solenoid
3 Fuel Pulse Dampener
4 Fuel Rail
5 PCV Crossover Hose
6 Ignition Coils/Modules Bank 1
7 Heated Oxygen Sensor (H02S) Bank 1 Sensor 1 Mounting Flange
8 Engine Coolant Temperature (ECT) Sensor
9 Fuel Pressure Gauge Test Connector
10 Throttle Position (TP) Sensor
11 Idle Air Control (IAC) Valve
12 Throttle Body
Fig 3: Front Of Engine Component View
GM218886Courtesy of GENERAL MOTORS CORP.
Callout Component Name
1 Idle Air Control (IAC) Valve
2 Throttle Position (TP) Sensor
3 Generator
4 Throttle Body
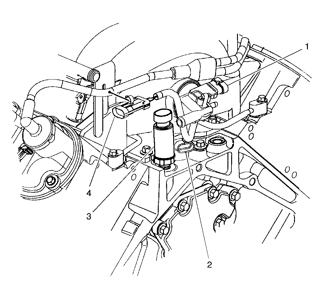
Fig 4: Rear Of Engine Component View
GM247435Courtesy of GENERAL MOTORS CORP.
Callout Component Name
1 Manifold Absolute Pressure (MAP) Sensor
2 Camshaft Position (CMP) Sensor
3 Engine Oil Pressure (EOP) Switch
4 Knock Sensor (KS) Jumper Harness
Fig 5: Knock Sensors Component View
GM198593Courtesy of GENERAL MOTORS CORP.
Callout Component Name
1 Knock Sensor (KS) 1
2 Knock Sensor (KS) 2
Fig 6: Crankshaft Position Sensor Location Component View
GM222858Courtesy of GENERAL MOTORS CORP.
Callout Component Name
1 CKP Mounting Bolt
2 CKP Mounting Location
3 Crankshaft Position (CKP) Sensor
Fig 7: Heated Oxygen Sensors Component View
GM1372079Courtesy of GENERAL MOTORS CORP.
Callout Component Name
1 Heated Oxygen Sensor Bank One Sensor One
2 Heated Oxygen Sensor Bank One Sensor Two
3 Heated Oxygen Sensor Bank Two Sensor One
4 Heated Oxygen Sensor Bank Two Sensor Two
Fig 8: Powertrain Control Module Component View
GM1372082Courtesy of GENERAL MOTORS CORP.
Callout Component Name
1 Powertrain Control Module (PCM)
Fig 9: Mass Air Flow/ Intake Air Temperature Air Cleaner Assembly Component View
GM1372084Courtesy of GENERAL MOTORS CORP.
Callout Component Name
1 Mass Air Flow (MAF) Sensor
2 Intake Air Temperature (IAT) Sensor
3 Air Intake Duct to Throttle Body
4 Air Cleaner Housing
Fig 10: Fuel Pump Relay Component View
GM1372092Courtesy of GENERAL MOTORS CORP.
Callout Component Name
1 Fuel Pump Relay