lemon-mirror:
Home >> Pontiac >> 2005 >> Aztek Rally, FWD >> Repair and Diagnosis >> Engine Performance >> System >> Engine Controls - 3.4L - Introduction >> Component Locator >> Engine Controls Component Views

Engine Controls Component Views

Fig 1: Behind Engine, Under Vehicle Component View
GM305319Courtesy of GENERAL MOTORS CORP.
Callout Component Name
1 Heat Shield
2 Catalytic Converter
3 Heated Oxygen Sensor (HO2S) 2
Fig 2: Lower Front Of Engine Component View (LA1)
GM1390334Courtesy of GENERAL MOTORS CORP.
Callout Component Name
1 Crankshaft Position (CKP) Sensor A Connector and Bracket
2 Knock Sensor (KS) Connector
3 Engine Oil Pressure (EOP) Switch Connector
4 Starter Solenoid
5 Starter Motor
6 Fusible Links (Starter)
7 A/C Compressor Clutch Diode
Fig 3: Rear of Engine (LA1) Component View
GM619189Courtesy of GENERAL MOTORS CORP.
Callout Component Name
1 Engine Oil Level Switch
2 Vehicle Speed Sensor (VSS)
3 Crankshaft Position (CKP) Sensor B
3 Heated Oxygen Sensor (HO2S) Sensor 1
Fig 4: Lower Front Of Engine Component View (LA1)
GM1390334Courtesy of GENERAL MOTORS CORP.
Callout Component Name
1 Crankshaft Position (CKP) Sensor A Connector and Bracket
2 Knock Sensor (KS) Connector
3 Engine Oil Pressure (EOP) Switch Connector
4 Starter Solenoid
5 Starter Motor
6 Fusible Links (Starter)
7 A/C Compressor Clutch Diode
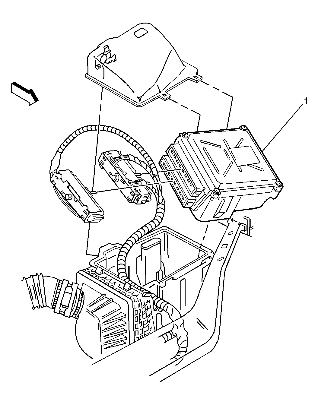
Fig 5: LH Side of Engine Compartment Component View
GM761638Courtesy of GENERAL MOTORS CORP.
Callout Component Name
1 Powertrain Control Module
Fig 6: Fuel Tank Component View
GM761614Courtesy of GENERAL MOTORS CORP.
Callout Component Name
1 Fuel Pump and Sender Assembly
2 Fuel Pump
3 Canister Vent Solenoid
4 EVAP Canister
5 Fuel Level Sender
Fig 7: Throttle Body Assembly Component View
GM757599Courtesy of GENERAL MOTORS CORP.
Callout Component Name
1 Idle Air Control (IAC) Valve
2 Throttle Position (TP) Sensor
Fig 8: Top of Engine (LA1 Component View)
GM741412Courtesy of GENERAL MOTORS CORP.
Callout Component Name
1 Fuel Injector 2
2 Fuel Injector 4
3 Fuel Injector 6
4 Fuel Rail
5 Fuel Injector 5
6 Fuel Injector 3
7 Fuel Injector 1
Fig 9: Left Rear of Engine (LA1) Component View
GM531383Courtesy of GENERAL MOTORS CORP.
Callout Component Name
1 Upper Intake Manifold
2 Manifold Absolute Pressure (MAP) Sensor
3 Secondary Ignition (Spark Plug) Wires
4 Ignition Control Module (ICM) and Ignition Coils
5 Heated Oxygen Sensor (HO2S) Sensor 1
6 Crankshaft Position (CKP) Sensor B
7 Exhaust Gas Recirculation (EGR) Valve
8 Throttle Position (TP) Sensor
9 Fuel Feed and Return Pipes
10 Throttle Body
11 Idle Air Control (IAC) Valve
12 Positive Crankcase Ventilation (PCV) Valve
13 Evaporative Emission (EVAP) Canister Purge Solenoid
14 Camshaft Position (CMP) Sensor Harness Connector
Fig 10: Left Top of Engine (LA1) Component View
GM741405Courtesy of GENERAL MOTORS CORP.
Callout Component Name
1 Exhaust Gas Recirculation (EGR) Valve
2 Mass Air Flow (MAF) Sensor
3 Intake Air Temperature (IAT) Sensor
Fig 11: Rear of Engine Component View
GM760737Courtesy of GENERAL MOTORS CORP.
Callout Component Name
1 Camshaft Position (CMP) Sensor
Fig 12: Behind Engine, Under Vehicle Component View
GM305319Courtesy of GENERAL MOTORS CORP.
Callout Component Name
1 Heat Shield
2 Catalytic Converter
3 Heated Oxygen Sensor (HO2S) Sensor 2
Fig 13: Left Front of Intake Manifold (LA1) Component View
GM447391Courtesy of GENERAL MOTORS CORP.
Callout Component Name
1 Fuel Injection Wiring Harness
2 Engine Coolant Temperature (ECT) Sensor Connector
3 Engine Coolant Temperature (ECT) Sensor
Fig 14: LH Side of Engine Component View (LA1)
GM760722Courtesy of GENERAL MOTORS CORP.
Callout Component Name
1 Generator
2 Ignition Control Module (ICM)
3 Heated Oxygen Sensor (HO2S) 1
4 Ignition Coils