lemon-mirror:
Home >> Pontiac >> 2005 >> GTO Automatic >> Repair and Diagnosis >> Engine Performance >> System >> Engine Controls - 6.0L - Introduction >> Schematic and Routing Diagrams >> Engine Controls Schematics

Engine Controls Schematics

Fig 1: Engine Control Module (ECM), Transmission Control Module (TCM) Power and Ground
GM1519307Courtesy of GENERAL MOTORS CORP.
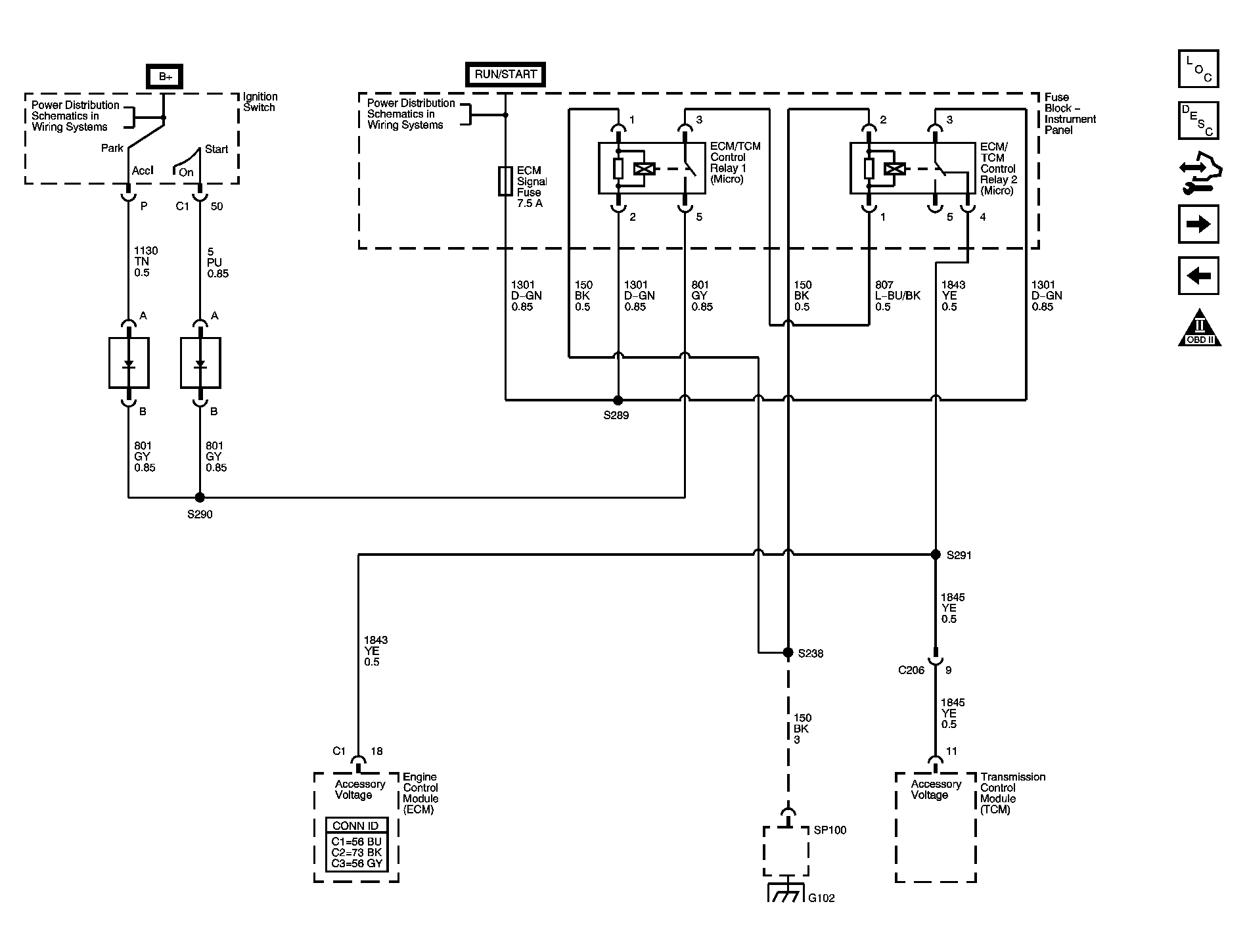
Fig 2: ECM/TCM Control Relays
GM1519358Courtesy of GENERAL MOTORS CORP.
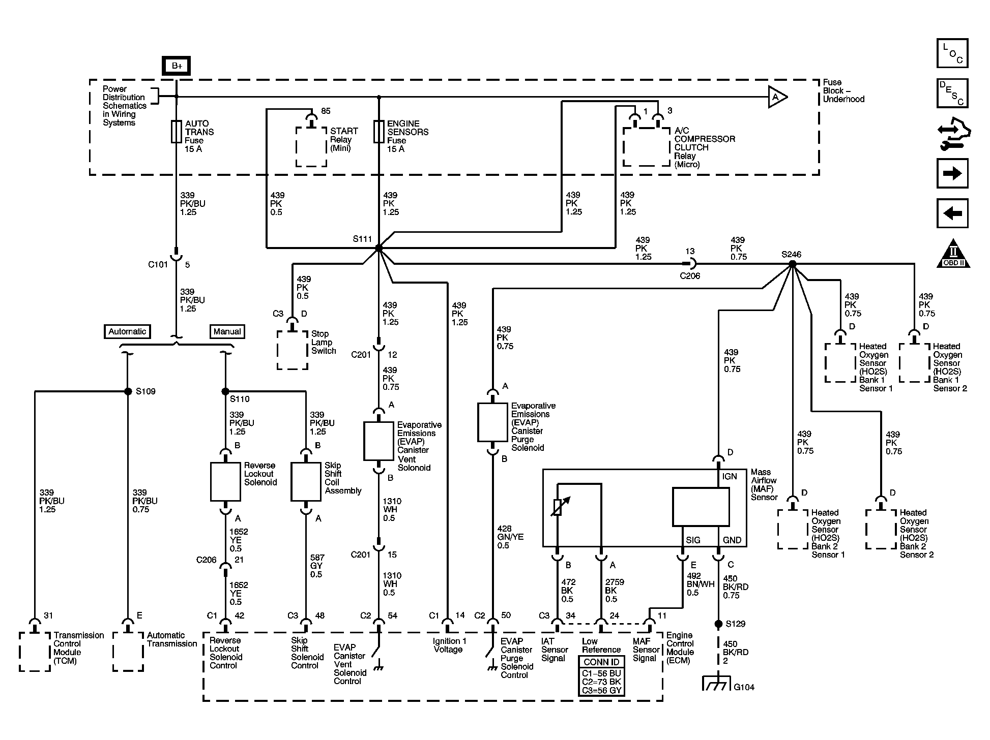
Fig 3: Manual Transmission Solenoids, EVAP Solenoids, Mass Air Flow (MAF) Sensor
GM1519308Courtesy of GENERAL MOTORS CORP.
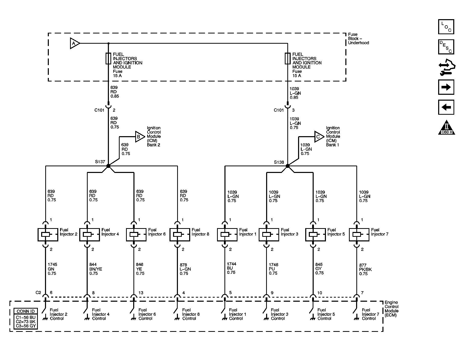
Fig 4: Fuel Injectors
GM1519310Courtesy of GENERAL MOTORS CORP.
Fig 5: Ignition Coils - 1 of 2
GM1519314Courtesy of GENERAL MOTORS CORP.
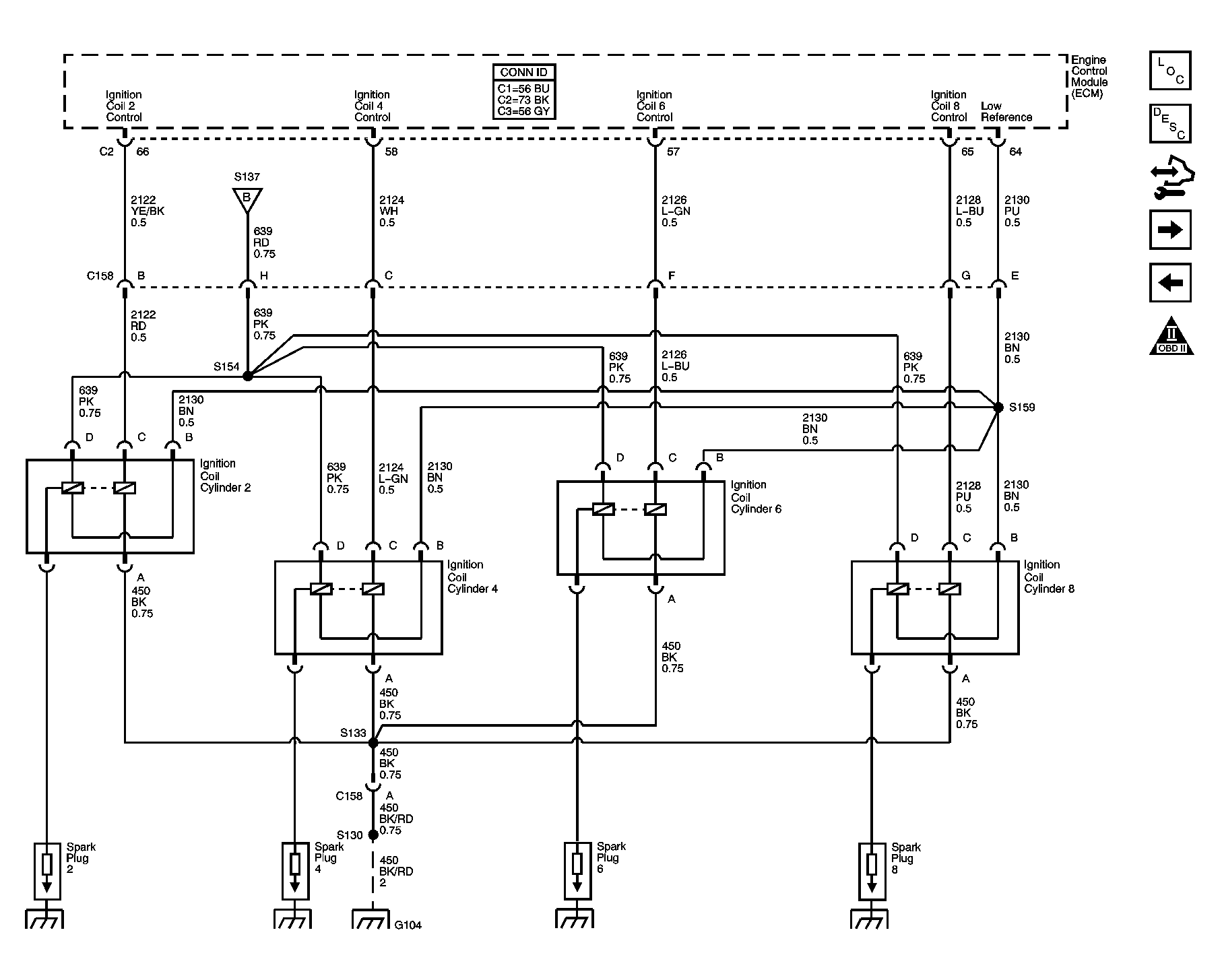
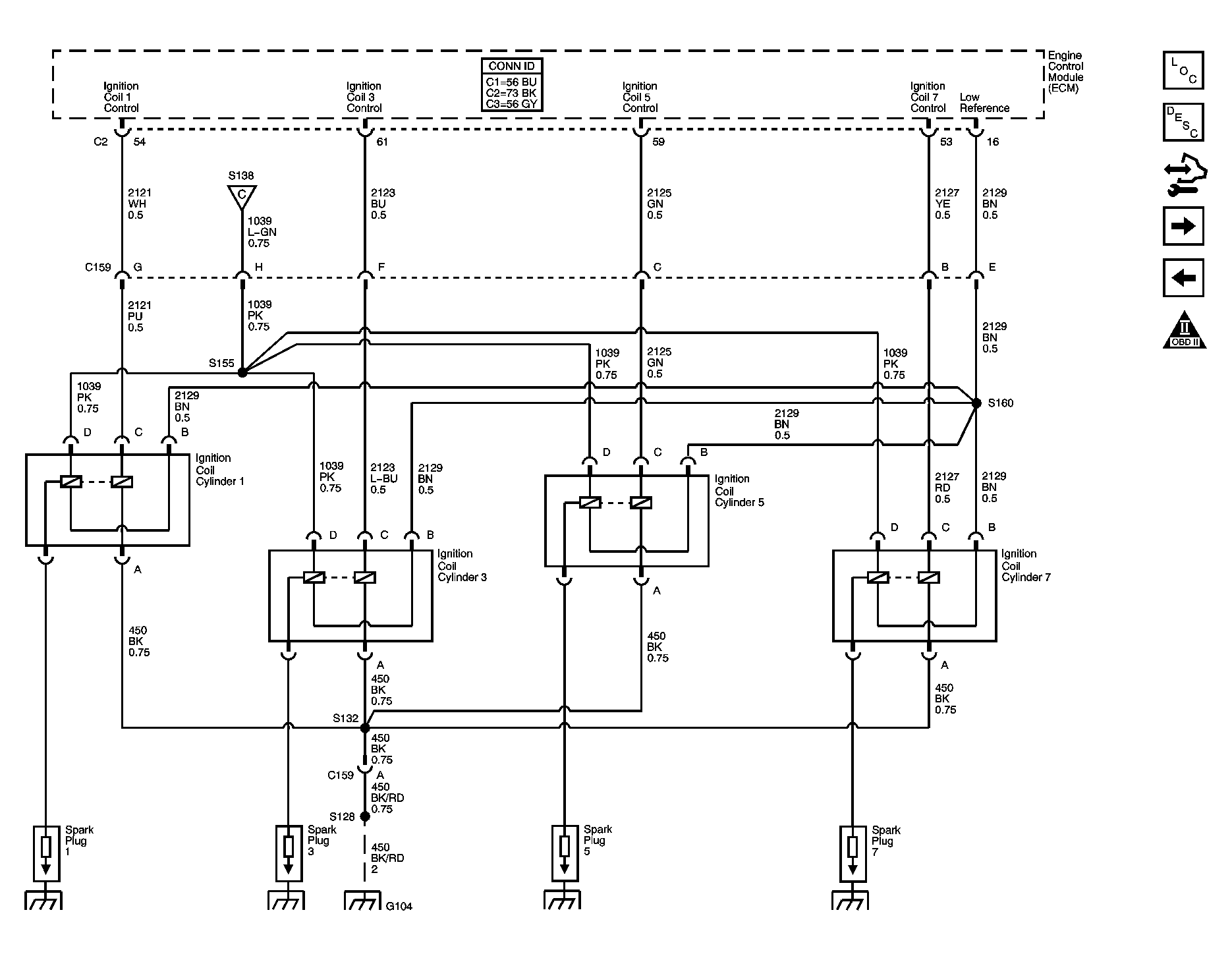
Fig 6: Ignition Coils - 2 of 2
GM1519315Courtesy of GENERAL MOTORS CORP.
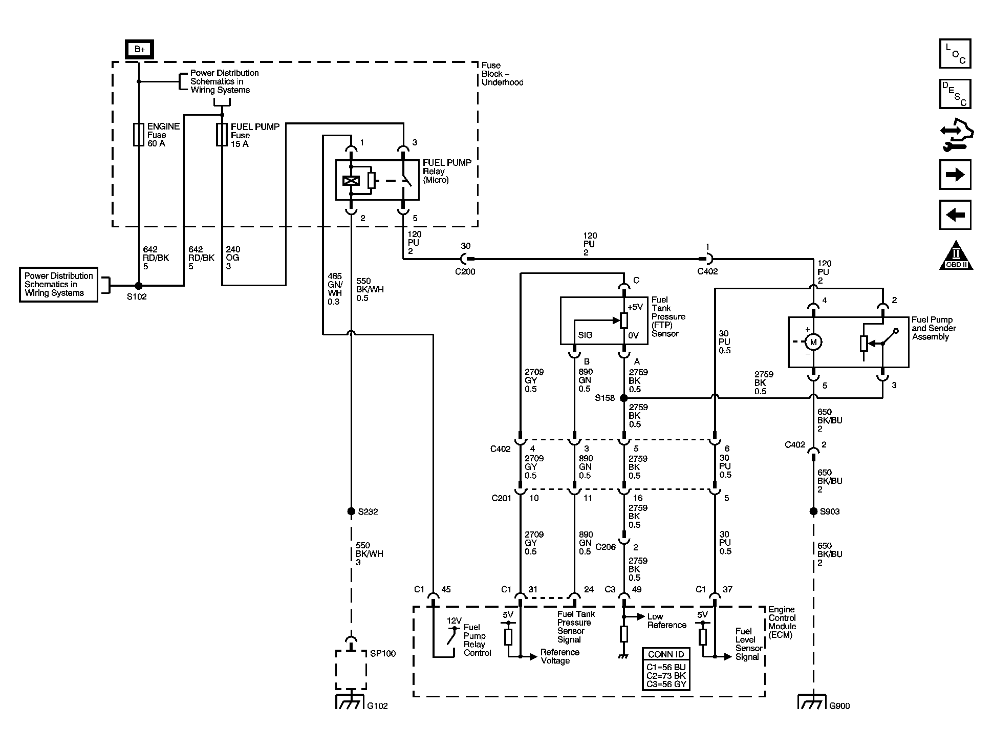
Fig 7: Fuel Pump and Sender Assembly
GM1519352Courtesy of GENERAL MOTORS CORP.
Fig 8: Throttle Position (TP) Sensor, Throttle Actuator Control (TAC) Motor, Accelerator Pedal Position (APP) Sensor
GM1519353Courtesy of GENERAL MOTORS CORP.
Fig 9: Knock Sensors (KS), Manifold Absolute Pressure (MAP), Engine Oil Pressure (EOP), A/C Refrigerant Pressure Sensors
GM1519354Courtesy of GENERAL MOTORS CORP.
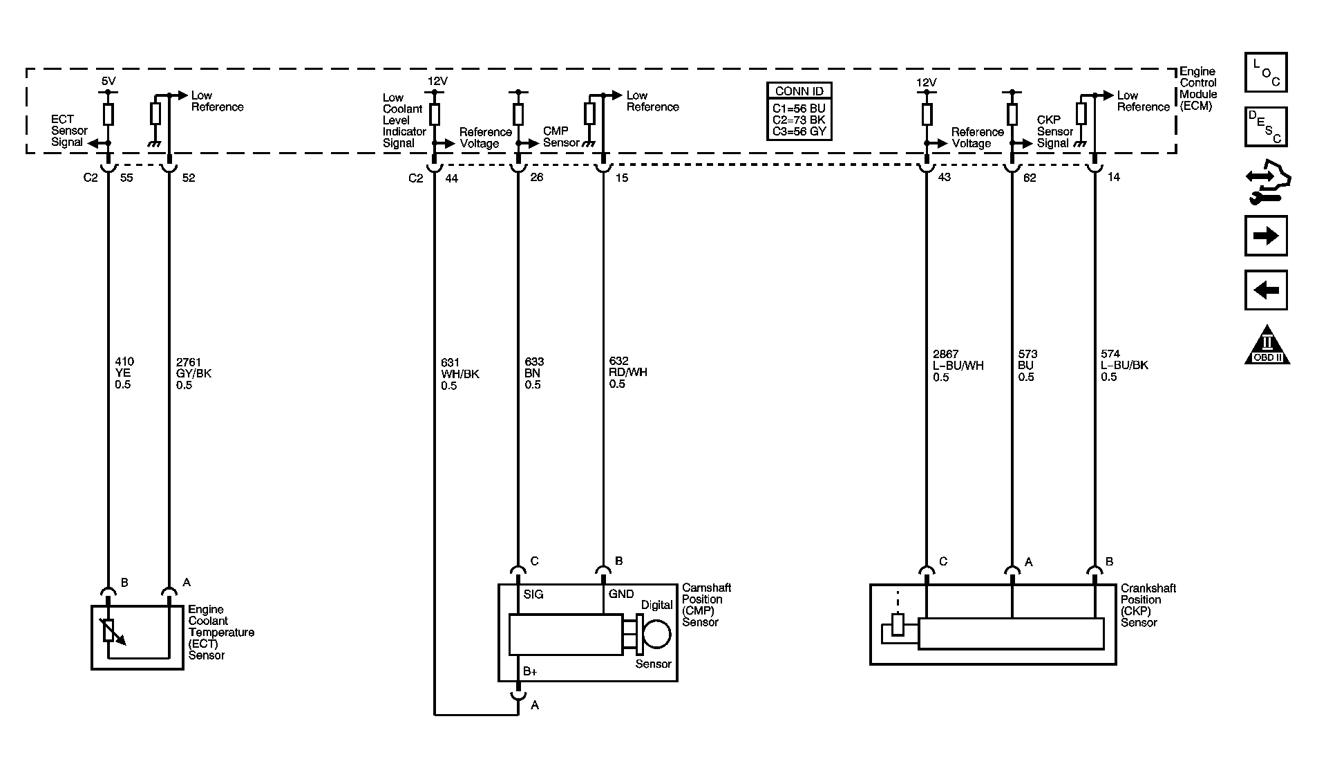
Fig 10: Engine Coolant Temperature (ECT), Camshaft Position (CMP) and Crankshaft Position (CKP) Sensors
GM1519355Courtesy of GENERAL MOTORS CORP.
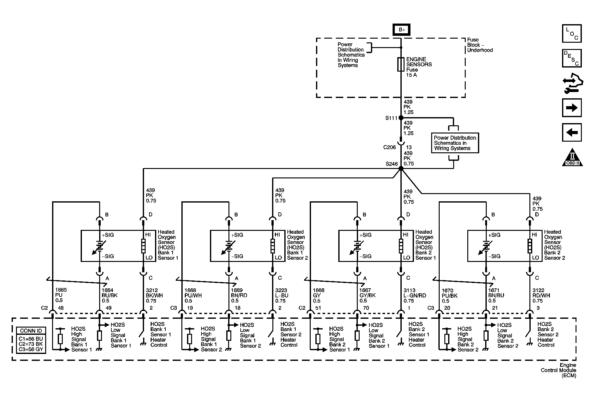
Fig 11: Heated Oxygen Sensors (HO2S)
GM1519356Courtesy of GENERAL MOTORS CORP.
Fig 12: Controlled/Monitored Subsystem References
GM1519359Courtesy of GENERAL MOTORS CORP.
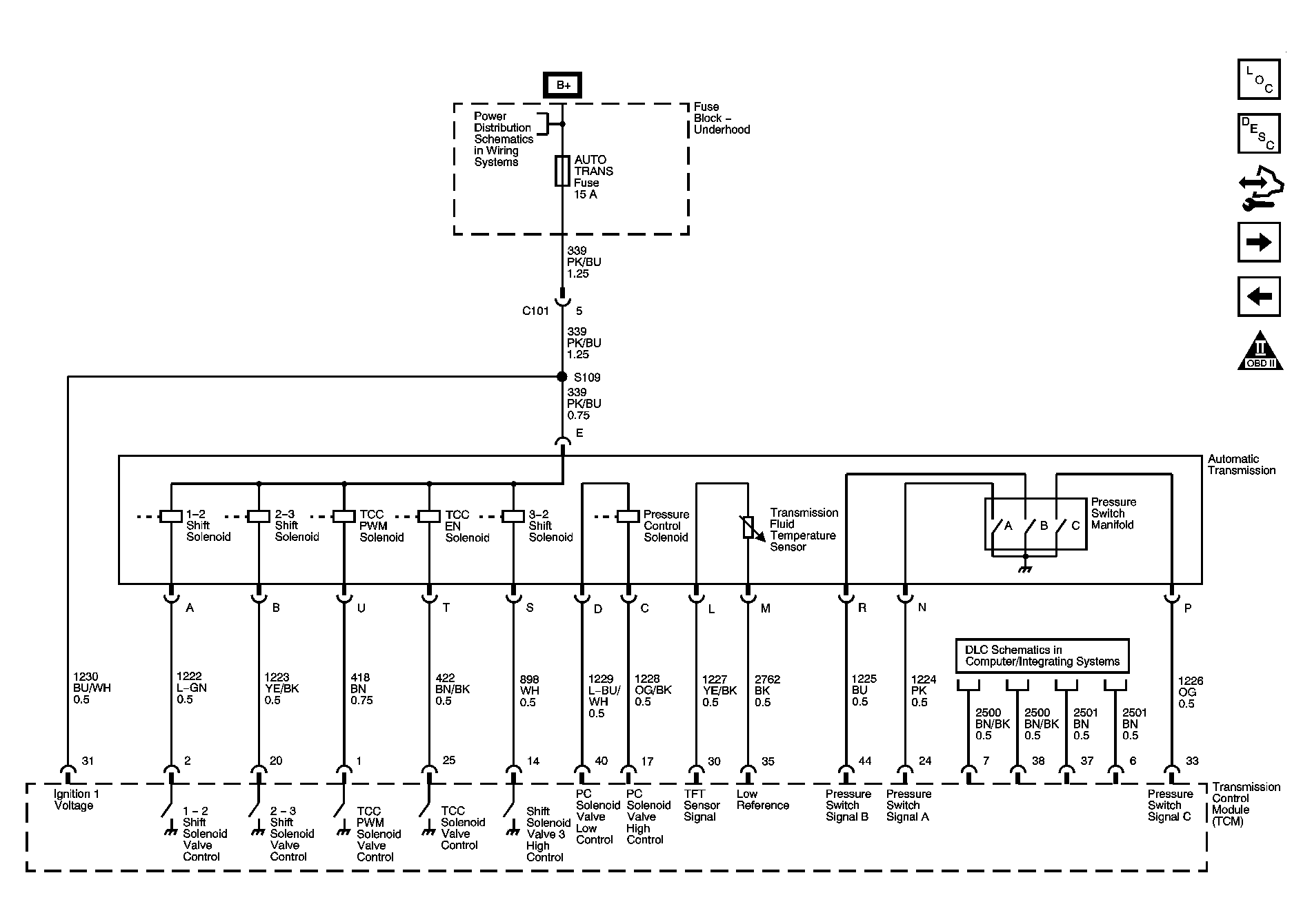
Fig 13: Automatic Transmission Controls
GM1519361Courtesy of GENERAL MOTORS CORP.
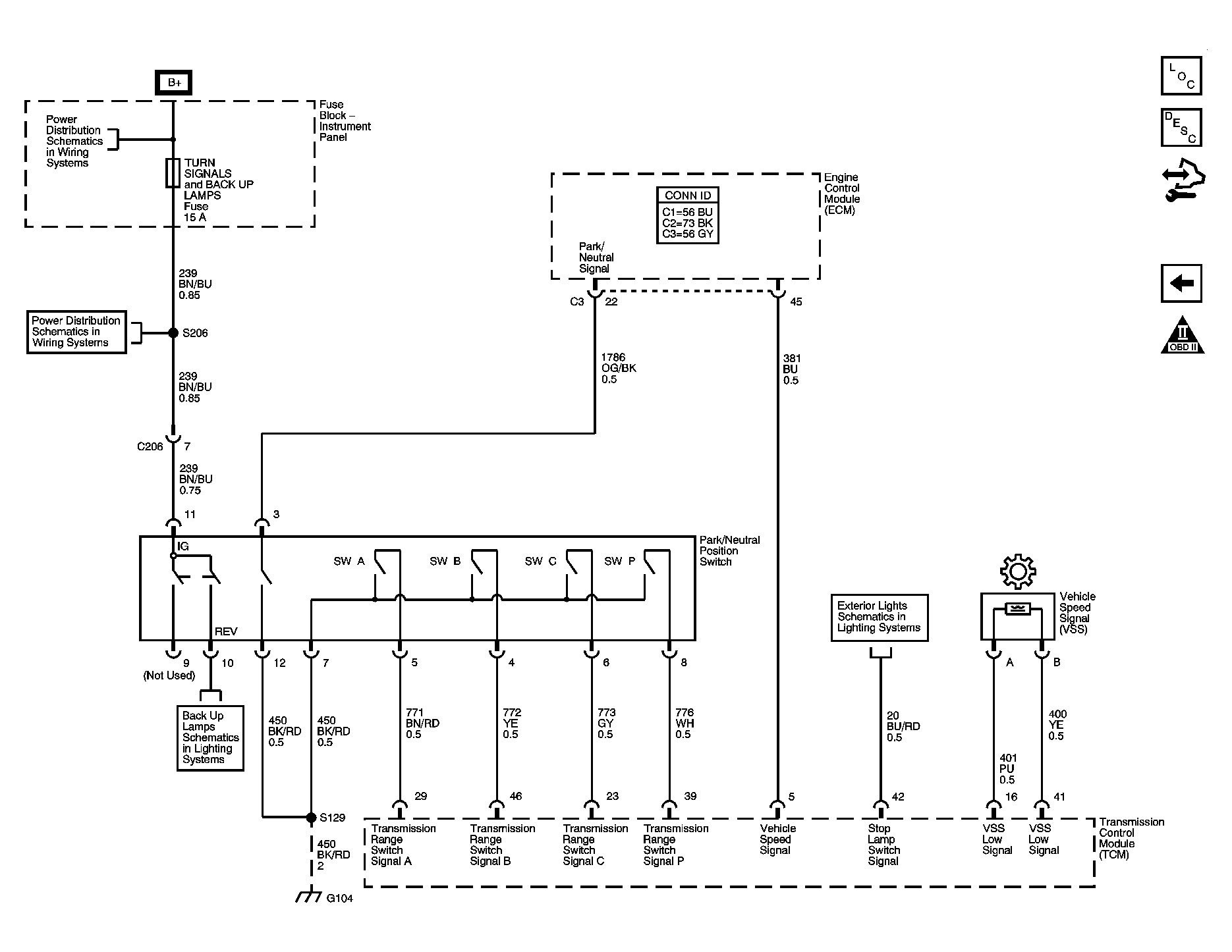
Fig 14: Park/Neutral Position (PNP) Switch, Vehicle Speed Sensor (VSS)
GM1519362Courtesy of GENERAL MOTORS CORP.