lemon-mirror:
Home >> Pontiac >> 2005 >> Grand Prix Base >> Repair and Diagnosis >> Engine Performance >> System >> Engine Controls - 3.8L - Introduction >> Schematic and Routing Diagrams >> Engine Controls Schematics

Engine Controls Schematics

Fig 1: PCM Power, Ground, MIL, and Serial Data Schematics
GM1457693Courtesy of GENERAL MOTORS CORP.
Fig 2: 5-Volt and Low Reference Bussing Schematics
GM1457694Courtesy of GENERAL MOTORS CORP.
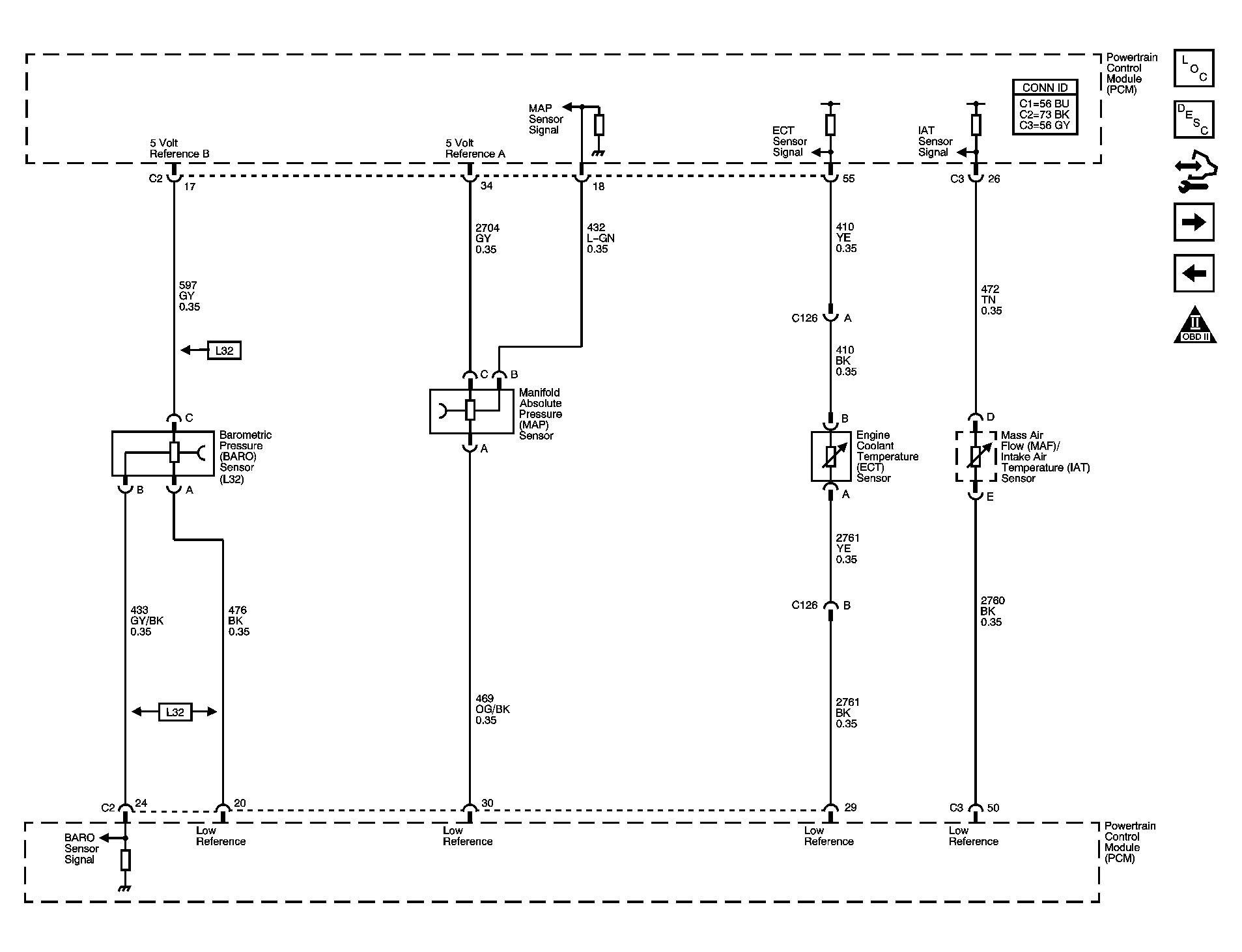
Fig 3: BARO, MAP, ECT, and IAT/MAF Sensors Schematics
GM1457695Courtesy of GENERAL MOTORS CORP.
Fig 4: IAT/MAF Sensor, Super Charger Boost Control Solenoid, and A/T Controls VSS References Schematics
GM1457696Courtesy of GENERAL MOTORS CORP.
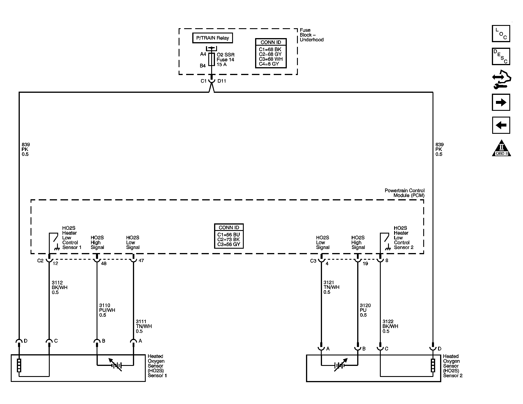
Fig 5: Heated Oxygen Sensors Schematics
GM1457697Courtesy of GENERAL MOTORS CORP.
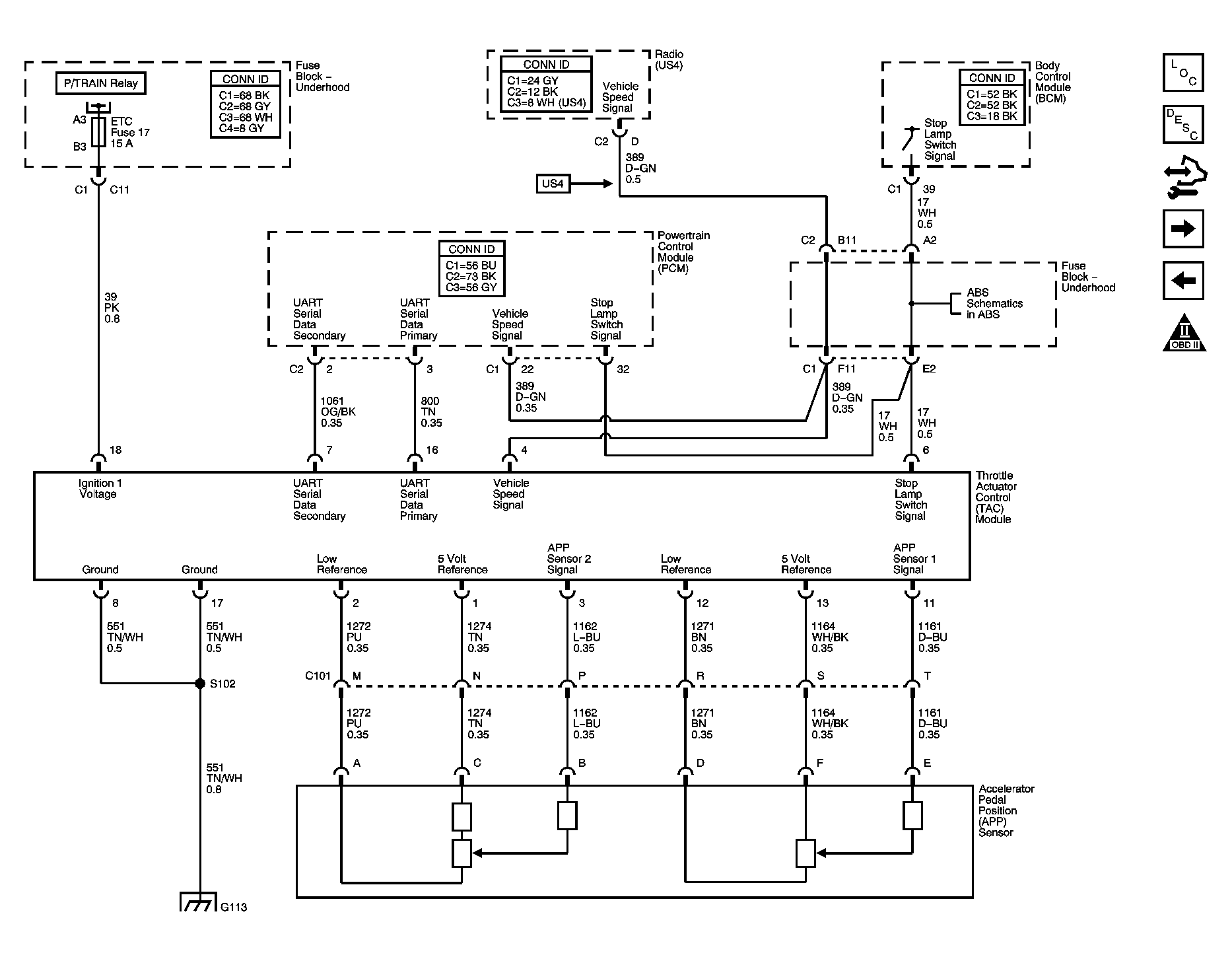
Fig 6: Electronic Throttle Controls Schematics
GM1457698Courtesy of GENERAL MOTORS CORP.
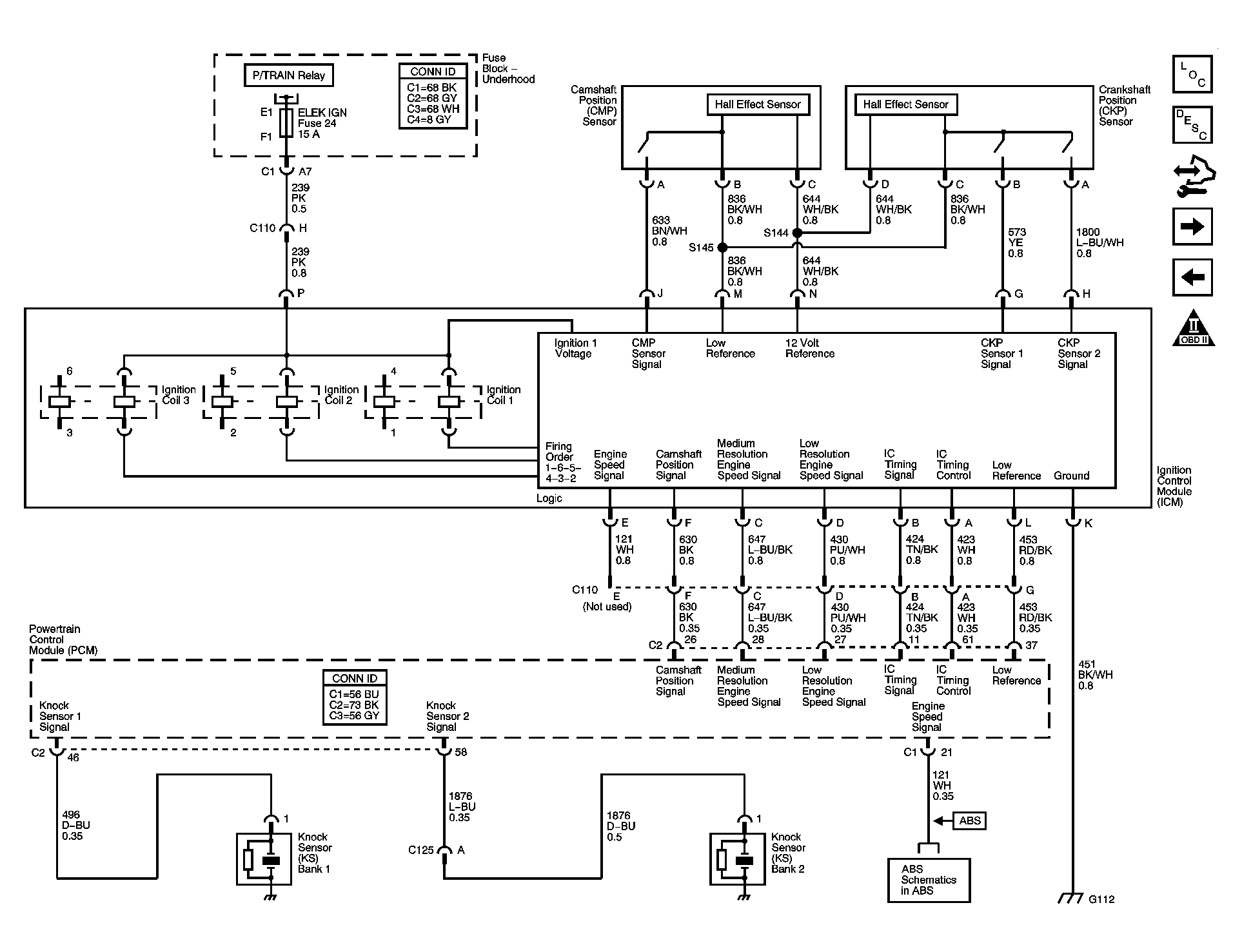
Fig 7: Ignition Control Module Schematics
GM1457699Courtesy of GENERAL MOTORS CORP.
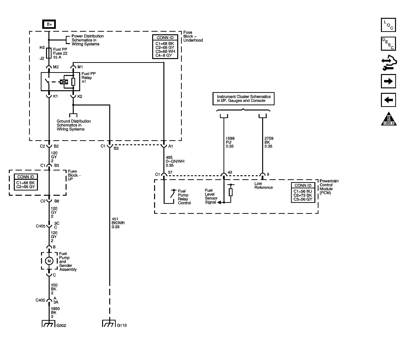
Fig 8: Fuel Pump Controls Schematics
GM1457700Courtesy of GENERAL MOTORS CORP.
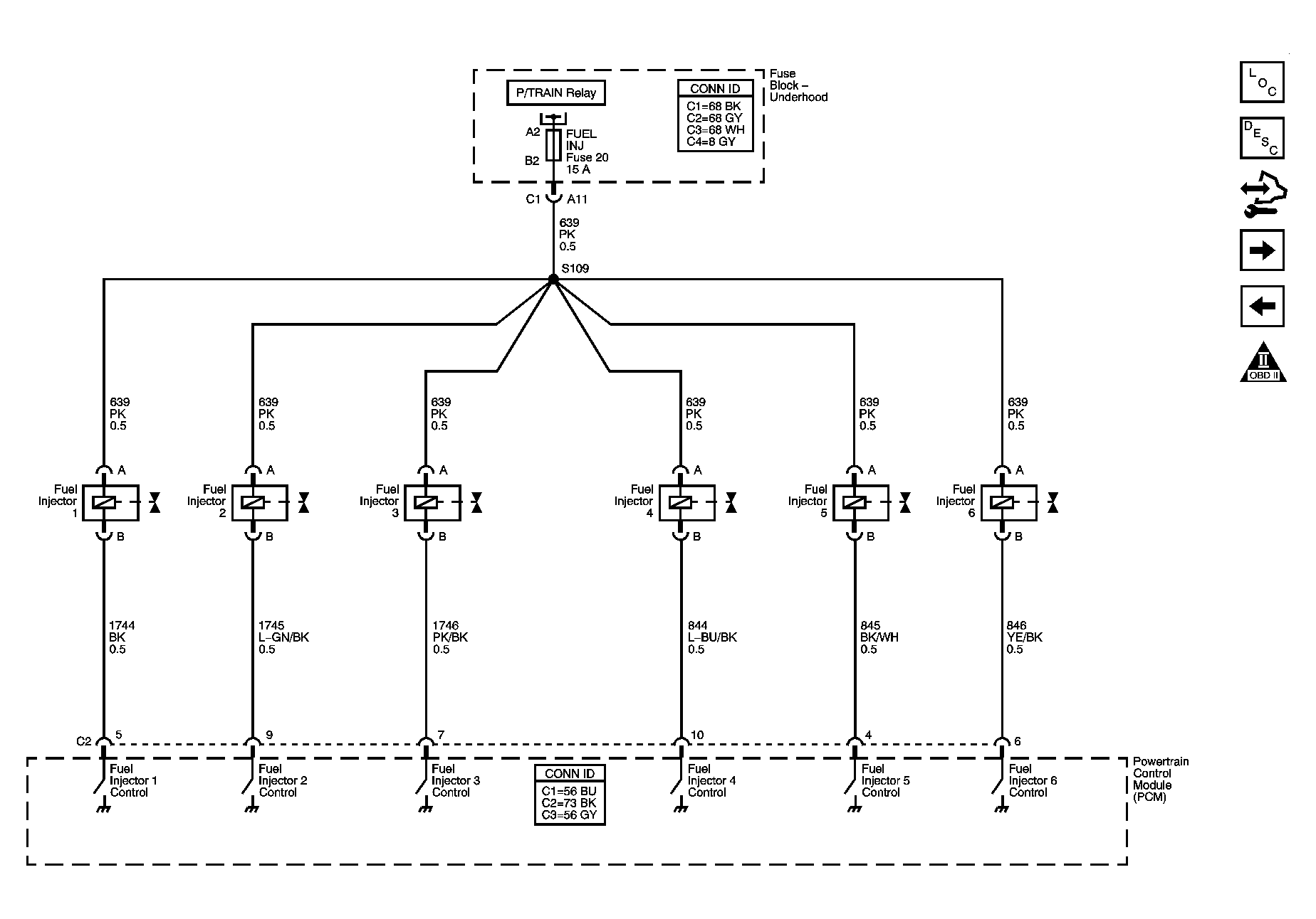
Fig 9: Fuel Injectors Schematics
GM1457701Courtesy of GENERAL MOTORS CORP.
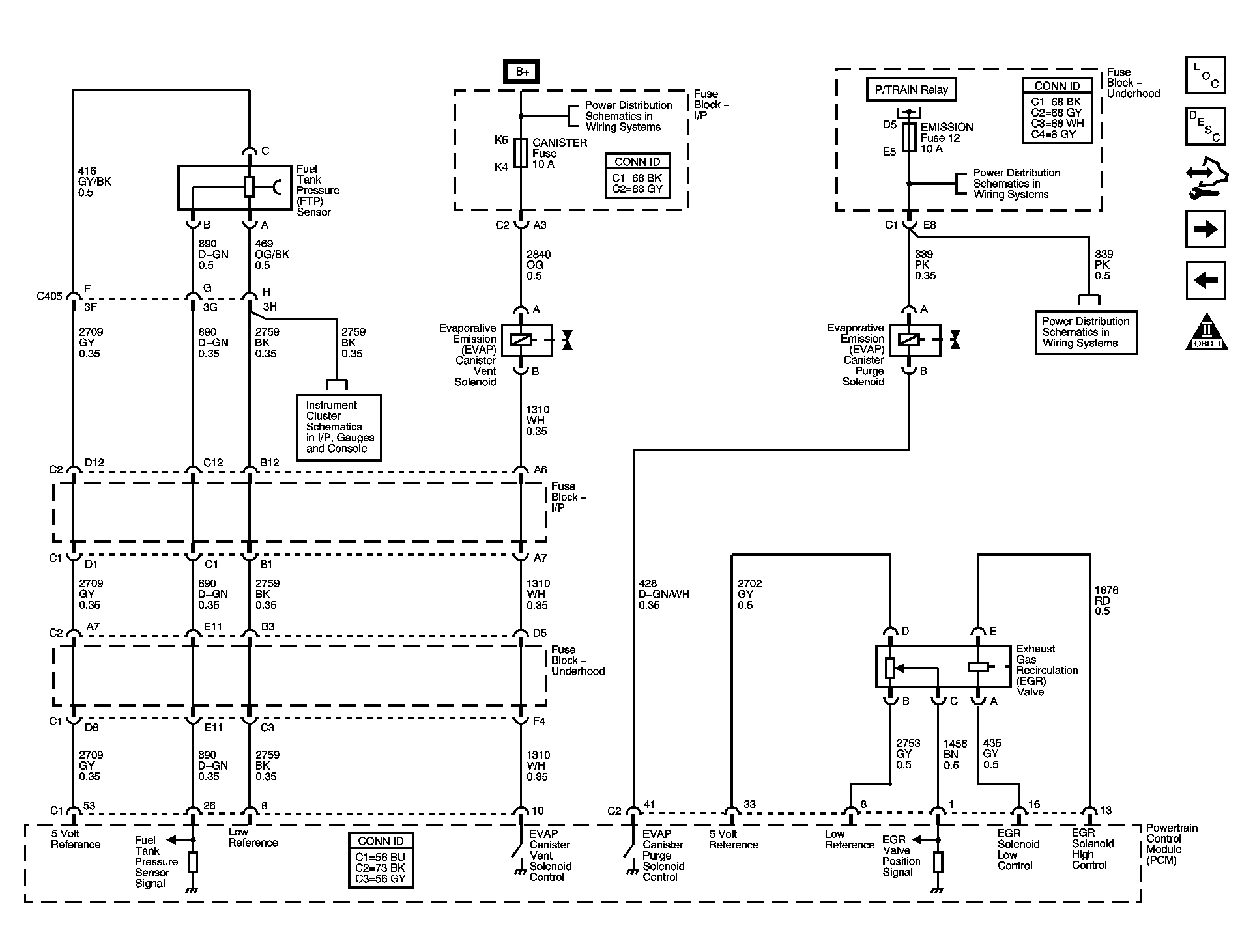
Fig 10: EVAP Solenoids, FTP Sensor, and EGR Valve Schematics
GM1457703Courtesy of GENERAL MOTORS CORP.
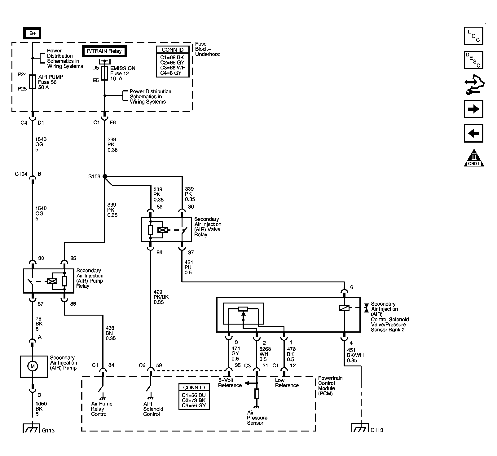
Fig 11: Secondary Air Injection (AIR) Schematics - NU3
GM1507200Courtesy of GENERAL MOTORS CORP.
Fig 12: Controlled/Monitored Subsystem References Schematics
GM1457704Courtesy of GENERAL MOTORS CORP.
Fig 13: Automatic Transmission Controls References Schematics
GM1457705Courtesy of GENERAL MOTORS CORP.