lemon-mirror:
Home >> Pontiac >> 2006 >> Torrent FWD >> Repair and Diagnosis >> Steering >> Power Steering System >> Component Locator >> Power Steering System Component Views

Power Steering System Component Views

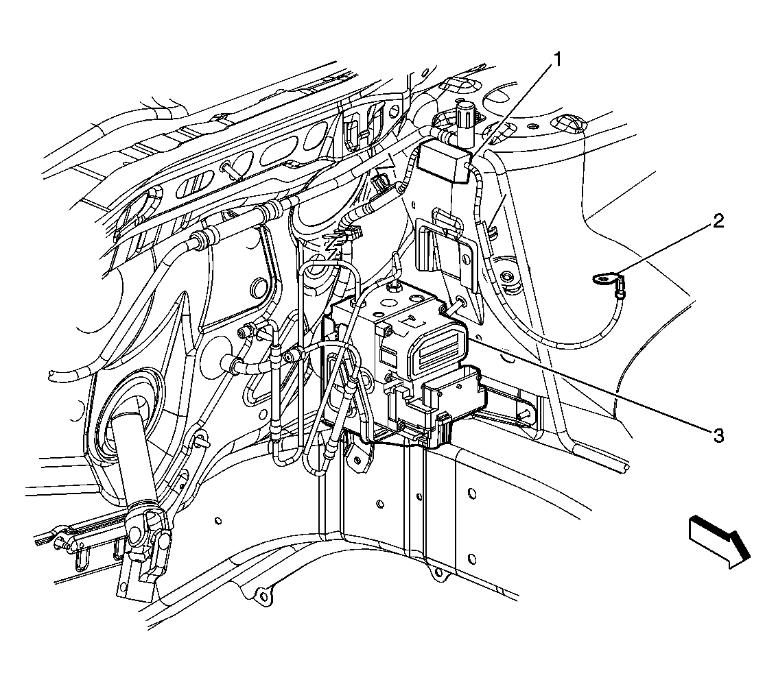
Fig 1: View of Electronic Power Steering Harness, Underhood Side Harness Routing
GM1381493Courtesy of GENERAL MOTORS CORP.
Callout Component Name
1 EPS Inline Fuse Holder
2 PSCM Harness Connection to the Underhood Fuse Block
3 Electronic Brake Control Module (EBCM)
Fig 2: View of Electronic Power Steering Harness, I/P Side Harness Routing
GM1381492Courtesy of GENERAL MOTORS CORP.
Callout Component Name
1 G207
2 Power Steering Control Module (PSCM)
3 Power Steering Control Module (PSCM) C3 - EPS Motor Pigtail
4 Power Steering Control Module (PSCM) C1