lemon-mirror:
Home >> Pontiac >> 2007 >> Solstice Base, Automatic >> Repair and Diagnosis >> Body & Frame >> Door Locks >> Keyless Entry System And Remote Functions >> Schematic and Routing Diagrams >> Remote Function Schematics

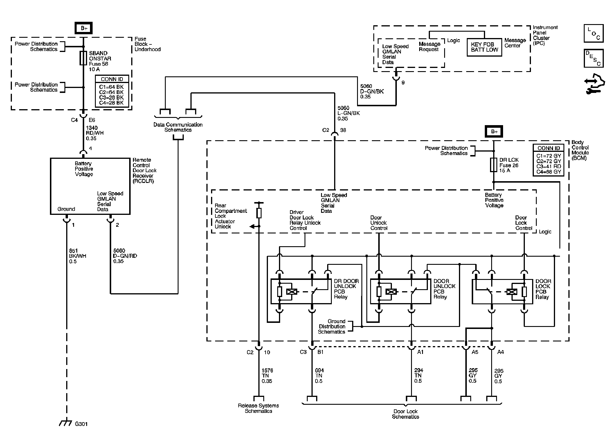
Remote Function Schematics

Fig 1: Remote Function Schematic
GM1830146Courtesy of GENERAL MOTORS CORP.