lemon-mirror:
Home >> Pontiac >> 2007 >> Vibe Automatic >> Repair and Diagnosis >> Body & Frame >> Door Locks >> Keyless Entry System And Remote Functions >> Schematic and Routing Diagrams >> Remote Function Schematics

Remote Function Schematics

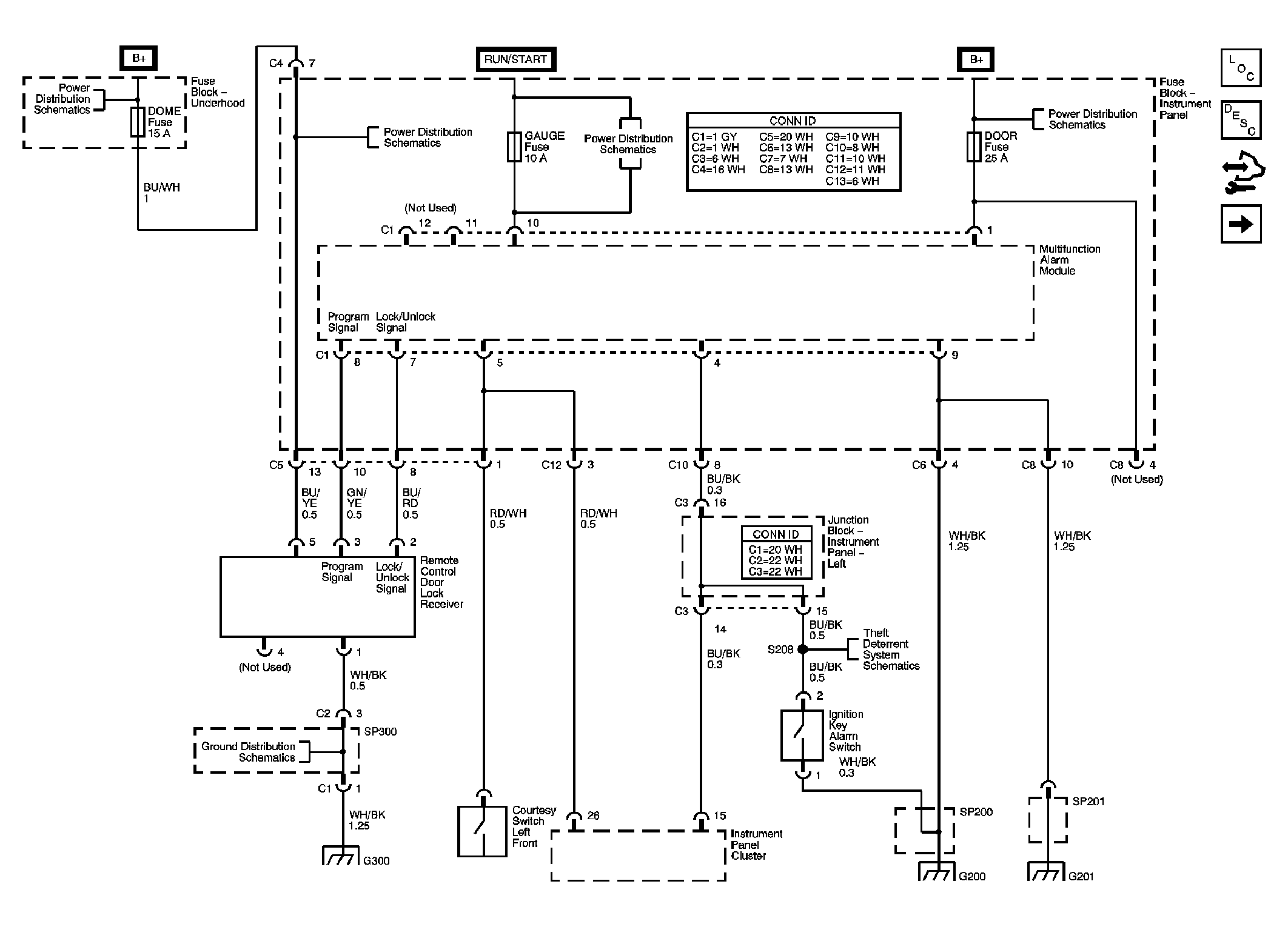
Fig 1: Multifunction Alarm Module, Remote Control Door Lock Receiver
GM1426710Courtesy of GENERAL MOTORS CORP.
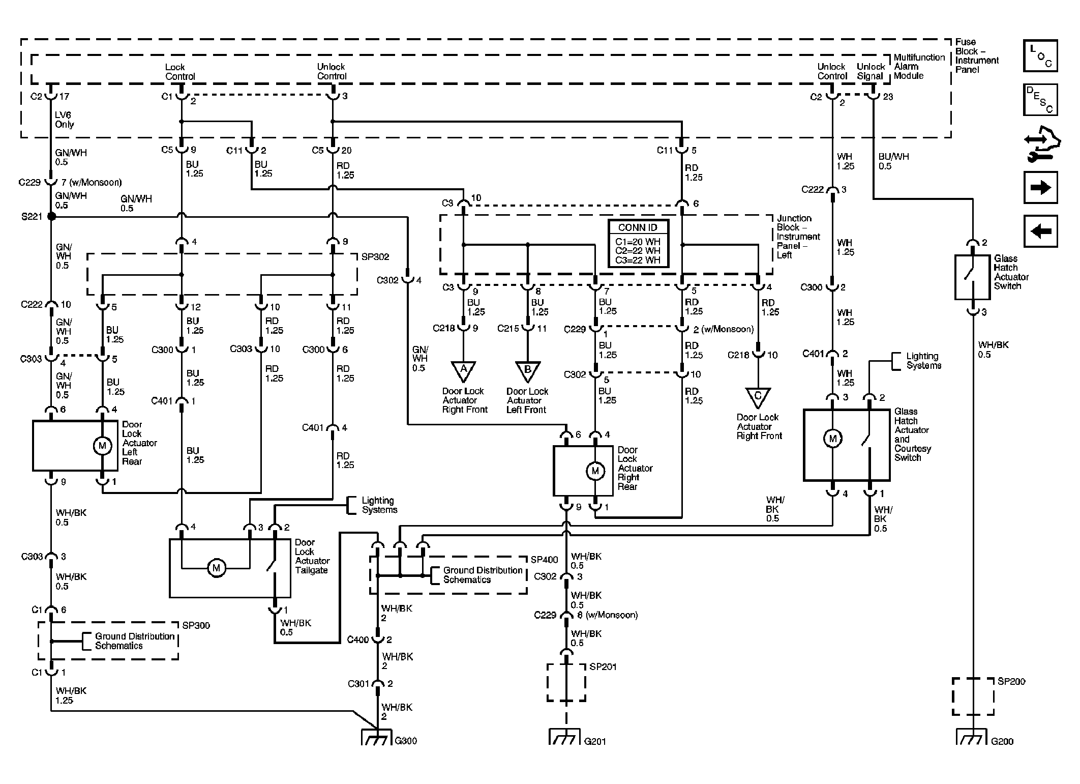
Fig 2: Multifunction Alarm Module, Rear Door Lock, Glass Hatch and Tailgate Actuators
GM1426678Courtesy of GENERAL MOTORS CORP.
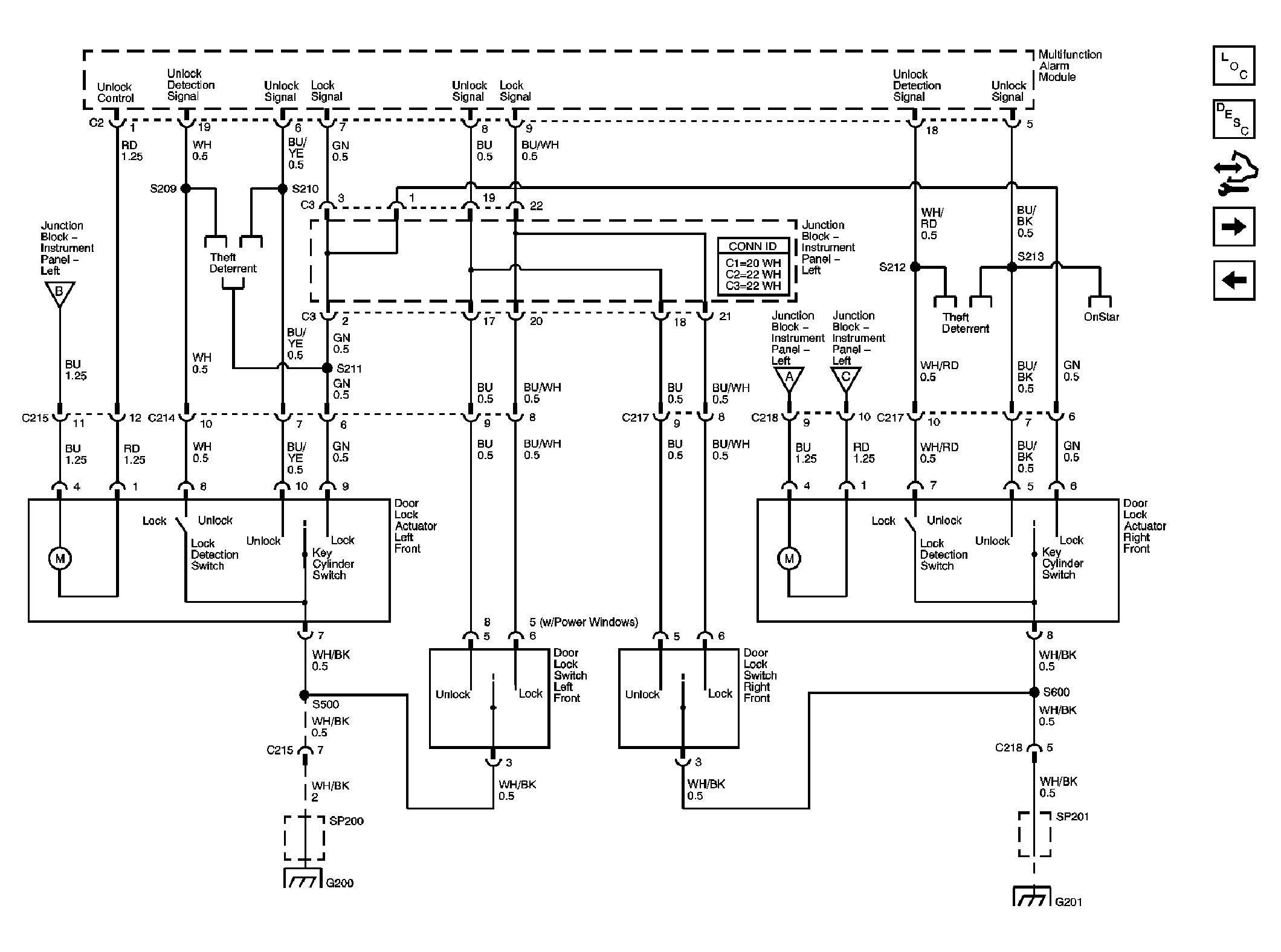
Fig 3: Door Lock Switches and Front Door Lock Actuators
GM1426679Courtesy of GENERAL MOTORS CORP.
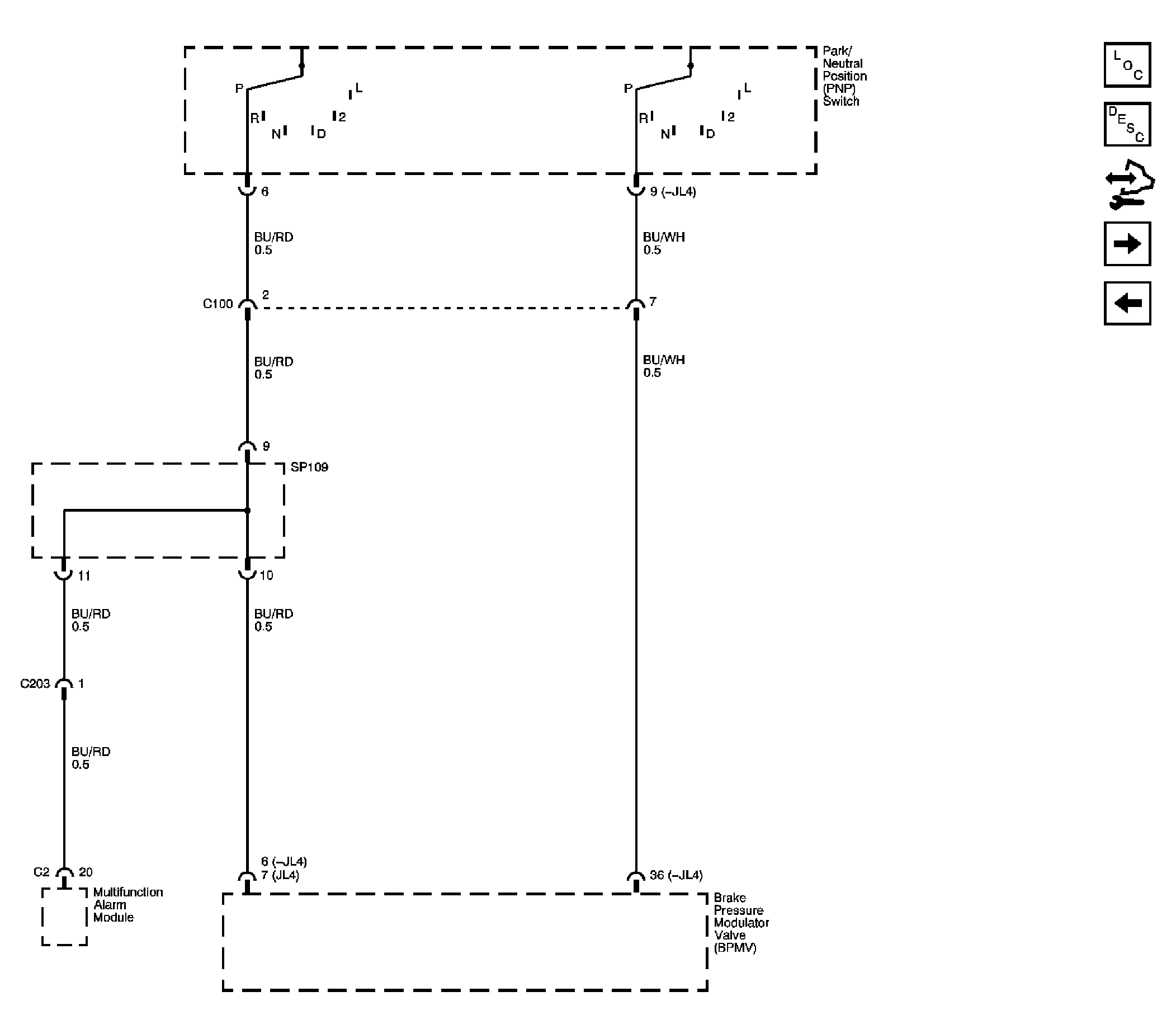
Fig 4: Park/Neutral Position Switch, Brake Pressure Modulator Valve (BPMV), Multifunction Alarm Module
GM1847864Courtesy of GENERAL MOTORS CORP.
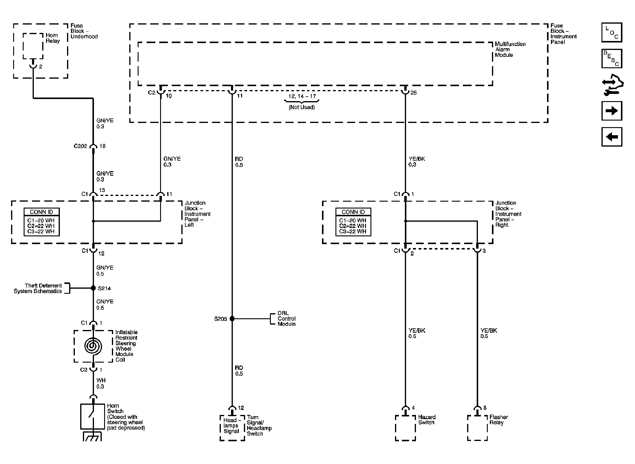
Fig 5: Multifunction Alarm Module, Horn, Hazard, Turn Signal/Headlamp Switches
GM1426712Courtesy of GENERAL MOTORS CORP.
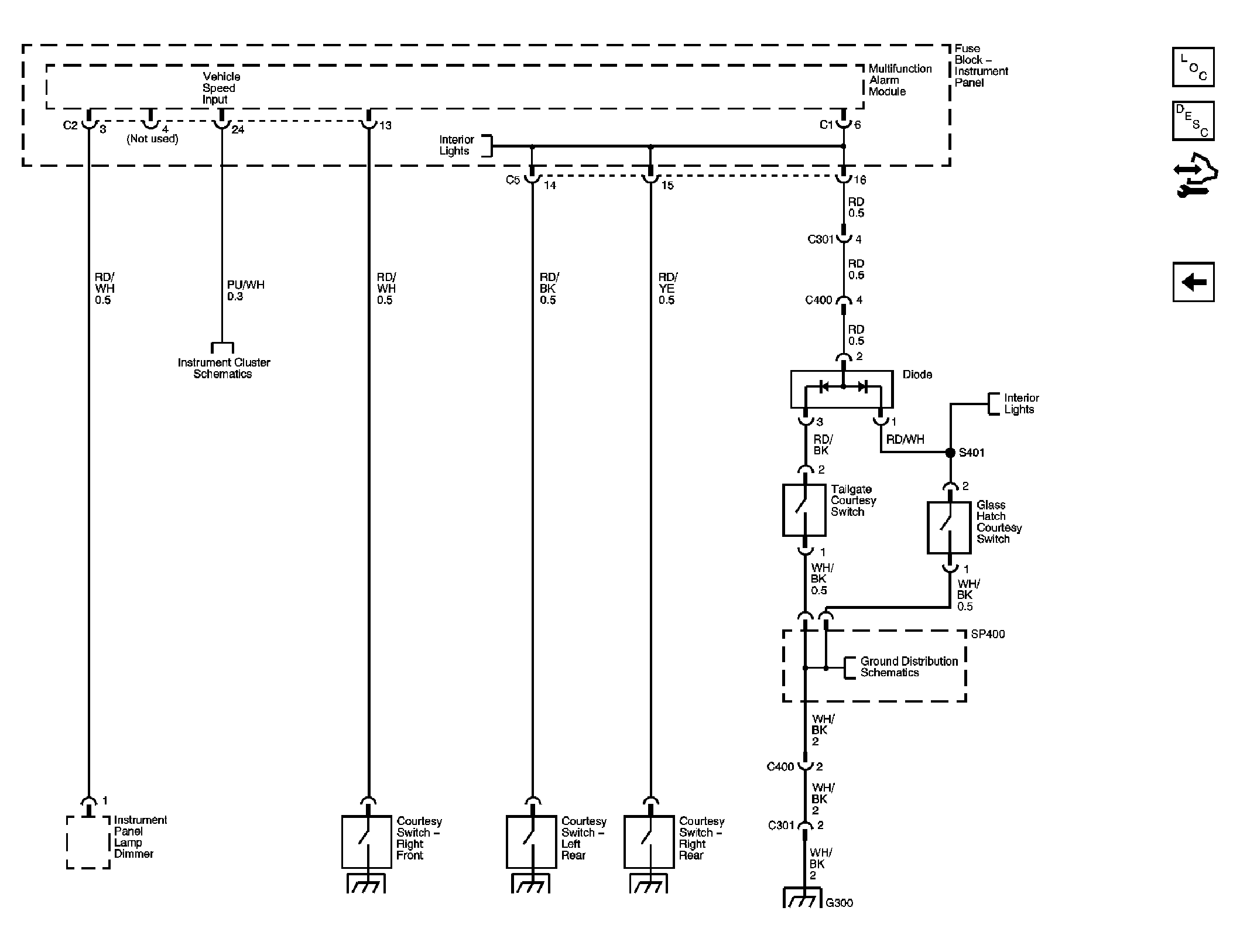
Fig 6: Multifunction Alarm Module and Courtesy Switches
GM1426680Courtesy of GENERAL MOTORS CORP.