lemon-mirror:
Home >> Pontiac >> 2009 >> G5 Base, Automatic >> Repair and Diagnosis >> Engine Performance >> System >> Data Communication System >> Schematic and Routing Diagrams >> Data Communication Schematics

Data Communication Schematics

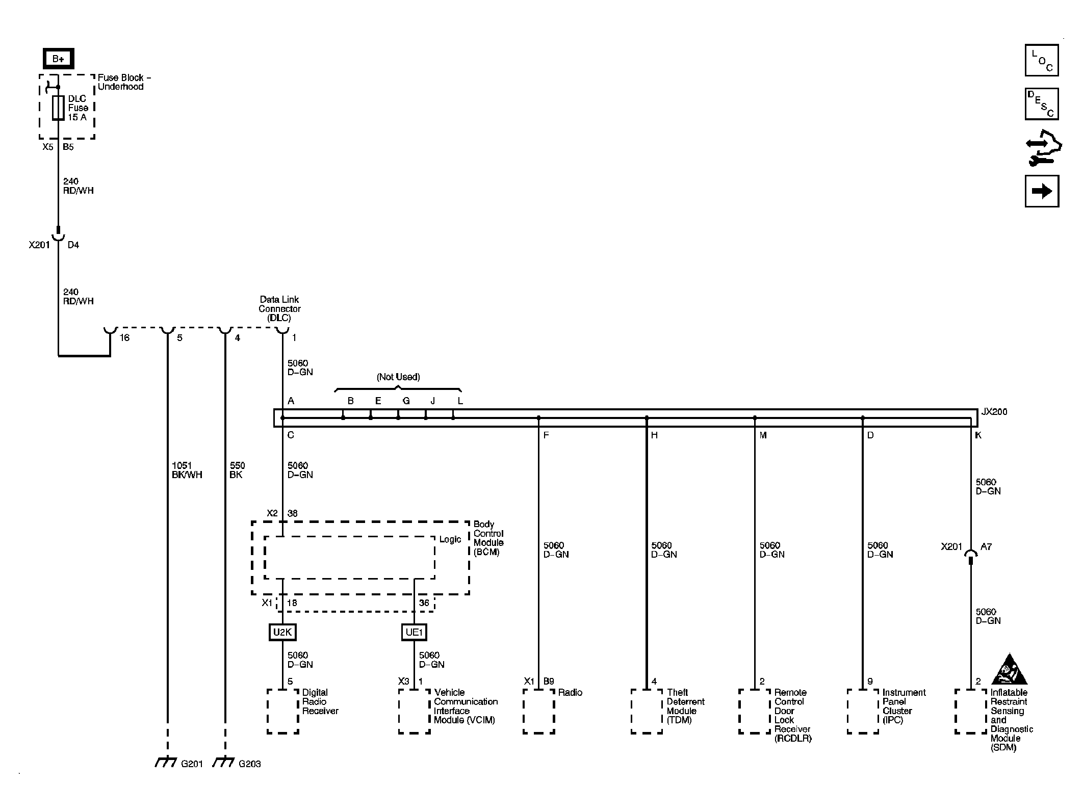
Fig 1: Power, Ground, Low Speed GMLAN Schematic
GM2077603Courtesy of GENERAL MOTORS CORP.
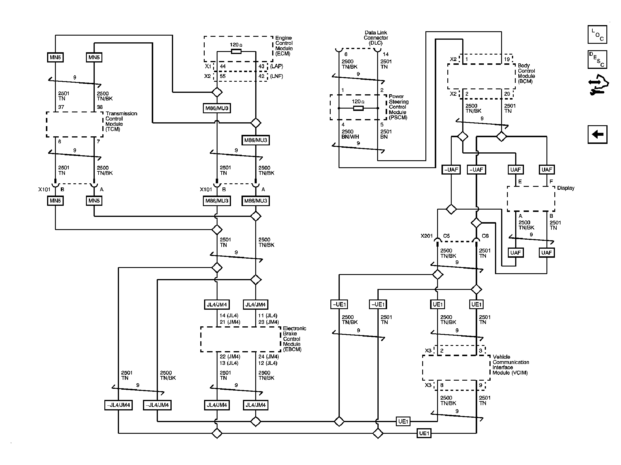
Fig 2: High Speed GMLAN Schematic
GM2077604Courtesy of GENERAL MOTORS CORP.