lemon-mirror:
Home >> Pontiac >> 2009 >> G5 Base, Automatic >> Repair and Diagnosis >> Engine Performance >> System >> Engine Controls And Fuel - 2.2L - Introduction >> Repair Instructions >> Engine Control Module Replacement >> Installation Procedure

Installation Procedure

    Fig 1: View of ECM Retaining Tab
    GM1833662Courtesy of GENERAL MOTORS CORP.
    CAUTION: Control module damage may result when the metal case contacts battery voltage. DO NOT contact the control module metal case with battery voltage when servicing a control module, using battery booster cables or when charging the vehicles battery.
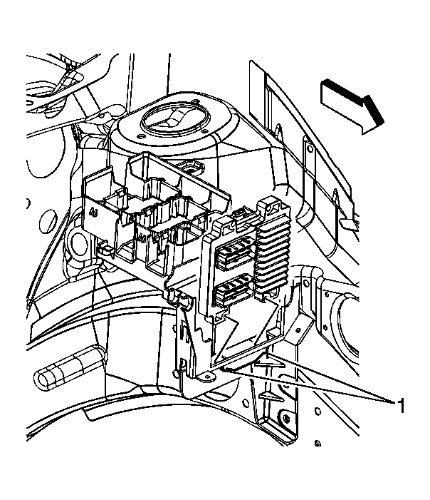
  1. Install the ECM, securing the ECM to the underhood junction block bracket retaining tab (1).
  2. Fig 2: View Of Engine Wiring Harness Electrical Connector
    GM1833663Courtesy of GENERAL MOTORS CORP.
  3. Connect the engine wiring harness electrical connector (1) to the ECM.
  4. Connect the small ECM harness connector to the ECM.
  5. Connect the negative battery cable. Refer to Battery Negative Cable Disconnection and Connection .
  6. Fig 3: View Of Body Wiring Harness Electrical Connector
    GM1833664Courtesy of GENERAL MOTORS CORP.
  7. Connect the body wiring harness electrical connector (1) to the ECM.
  8. Fig 4: View Of Engine Control Module (ECM) Cover
    GM1656931Courtesy of GENERAL MOTORS CORP.
  9. Install the engine control module cover.
  10. Connect the negative battery cable. Refer to Battery Negative Cable Disconnection and Connection .
  11. Program the ECM. Refer to Control Module References .
  12. If equipped with a manual transaxle, perform the clutch pedal position sensor learn procedure. Refer to Clutch Pedal Position Sensor Learn .