lemon-mirror:
Home >> Pontiac >> 2009 >> G6 Base, 2D Coupe >> Repair and Diagnosis >> Engine Performance >> System >> Data Communication System >> Schematic and Routing Diagrams >> Data Communication Schematics

Data Communication Schematics

Fig 1: Power, Ground, High Speed GMLAN Serial Data Schematic
GM2079089Courtesy of GENERAL MOTORS CORP.
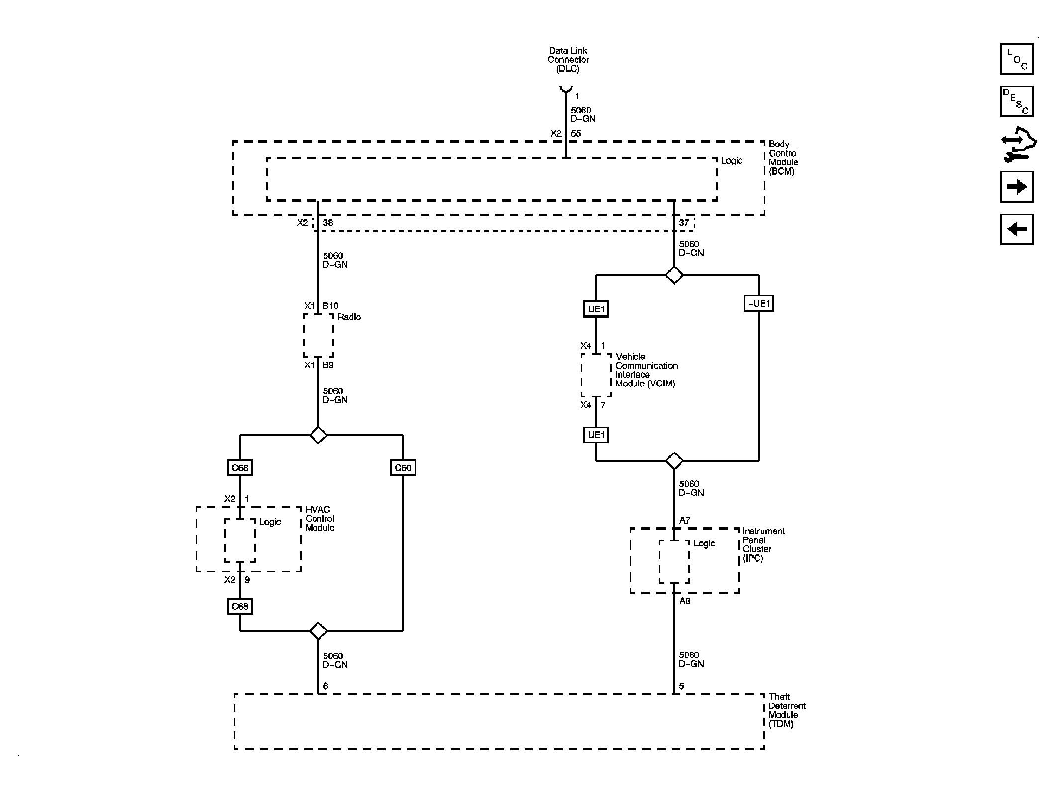
Fig 2: Low Speed GMLAN Serial Data Schematic (1 of 2)
GM2079091Courtesy of GENERAL MOTORS CORP.
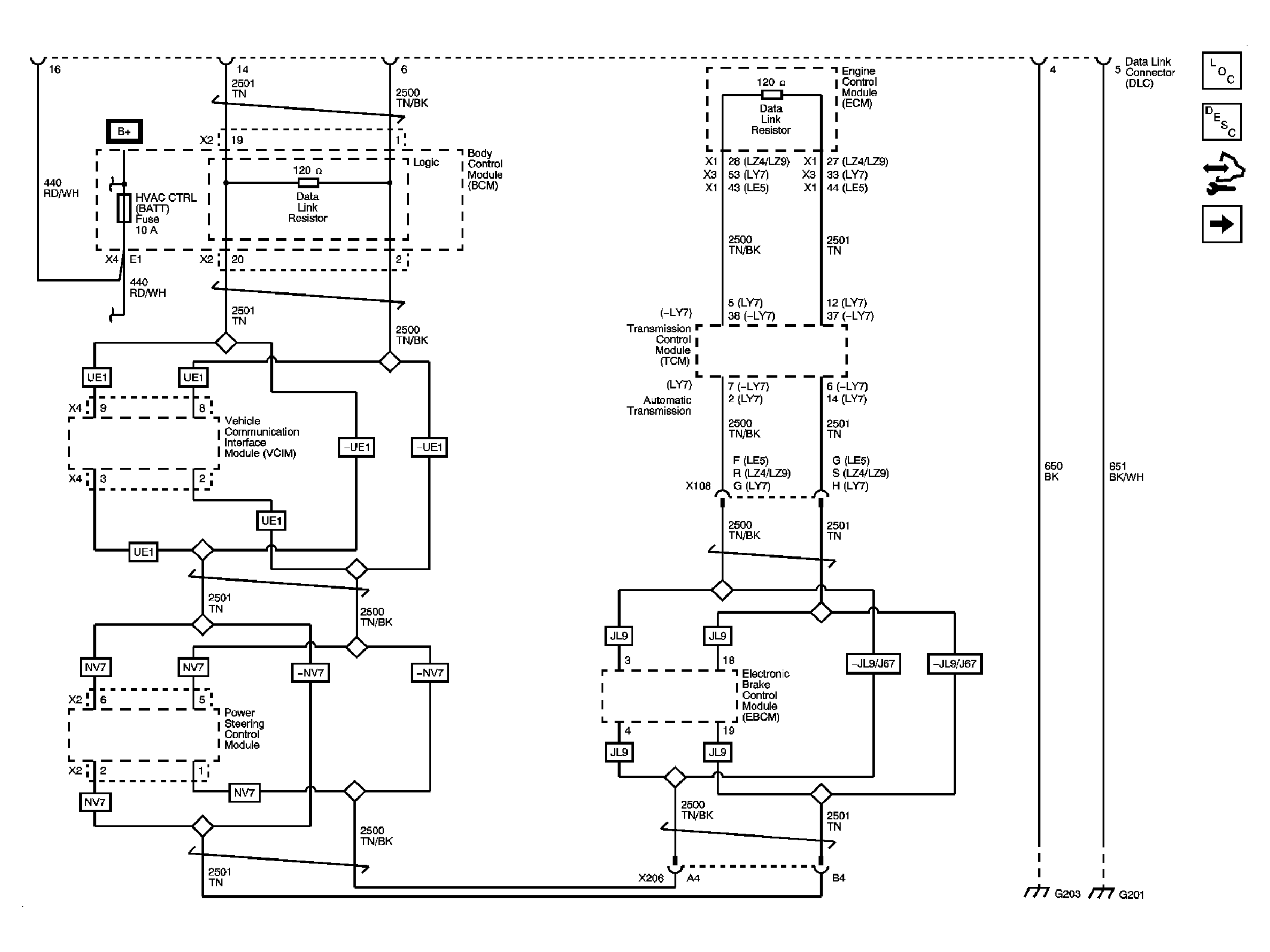
Fig 3: Low Speed Serial Data Schematic (2 of 2)
GM2079100Courtesy of GENERAL MOTORS CORP.