lemon-mirror:
Home >> Pontiac >> 2010 >> G6 Base, 2D Coupe >> Repair and Diagnosis >> Engine Performance >> System >> Data Communication System >> Schematic and Routing Diagrams >> Data Communication Schematics

Data Communication Schematics

Fig 1: Power, Ground, High Speed GMLAN Serial Data Circuit Schematic
GM2254241Courtesy of GENERAL MOTORS CORP.
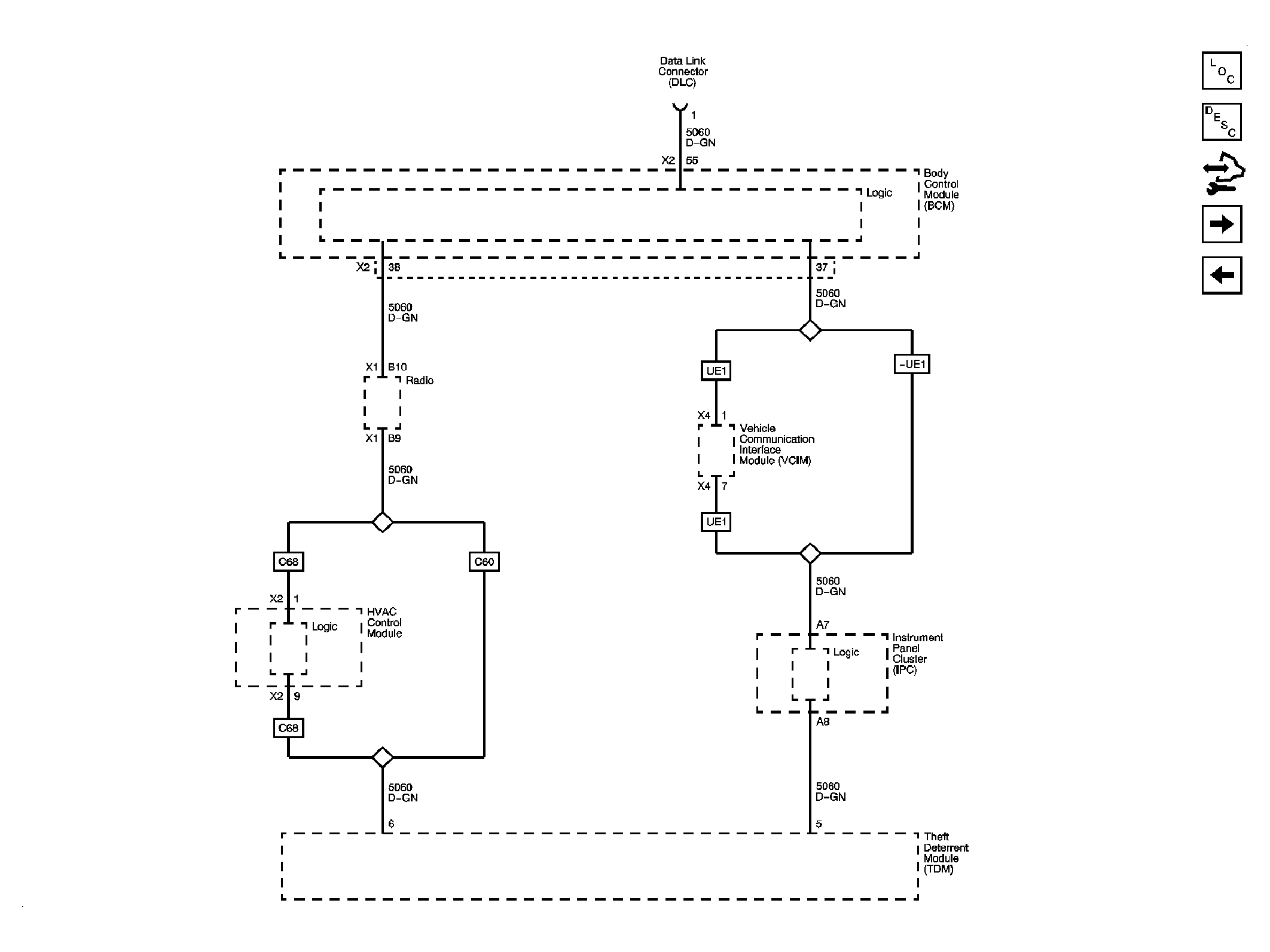
Fig 2: Low Speed GMLAN Serial Data Circuit Schematic (1 Of 2)
GM2254242Courtesy of GENERAL MOTORS CORP.
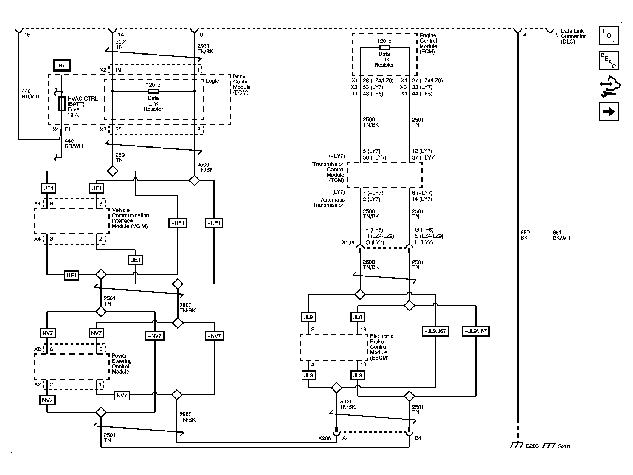
Fig 3: Low Speed GMLAN Serial Data Circuit Schematic (2 of 2)
GM2254243Courtesy of GENERAL MOTORS CORP.