lemon-mirror:
Home >> Porsche >> 1985 >> 928 Automatic >> Repair and Diagnosis >> Engine Performance >> Ignition System - BOSCH EZF >> Testing >> Ignition System Tests >> Preliminary Information

Preliminary Information

  1. Ensure engine has reached normal operating temperature. Check and adjust idle speed and CO levels. See FUEL INJECTION SYSTEM - BOSCH LH article in ENGINE PERFORMANCE section. Always disconnect battery or turn off ignition when connecting test equipment or replacing ignition system components.
  2. Measure resistance ONLY after turning off ignition or disconnecting battery. Pull off both ignition control unit plugs or connect coil tower (terminal No. 4) to ground when checking compression.
  3. NEVER replace ignition coil with a different ignition coil. Use part number of coil being replaced. NEVER connect a shielded capacitor to terminals No. 1 or 15 of ignition coil.
  4. Ignition coil terminal No. 1 must NEVER be used to ground burglar alarm systems as ignition coil will be damaged with ignition on. NEVER connect battery positive terminal or test lamp to terminal No. 1 of ignition coil as the ignition control unit will be damaged.
    Fig 1: EZF Ignition System Components
    G29179
  5. NEVER disconnect ignition coil tower (terminal No. 4) or HIGH VOLTAGE distributor while engine is running as serious personal injury may occur. NEVER allow voltage to jump from coil tower to terminals No. 1 or 15 of ignition coil as EZF ignition control unit will be damaged.
  6. To avoid damage to the EZF ignition control unit, secondary side of ignition system must be shielded with at least 4000 ohms. ALWAYS install a rotor with a 1000-ohm shielded resistor.
  7. Arcing or disruptive ignition discharge on distributor cap (poor insulation) may damage the ignition control unit. NEVER disconnect battery while engine is running.
  8. Reversing battery polarity will damage ignition system sensors, ignition coil, or ignition control unit. NEVER start engine with battery charger connected to battery.
NOTE: Always perform tests in specified sequence to prevent ignition system misdiagnosis and unnecessary parts replacement.
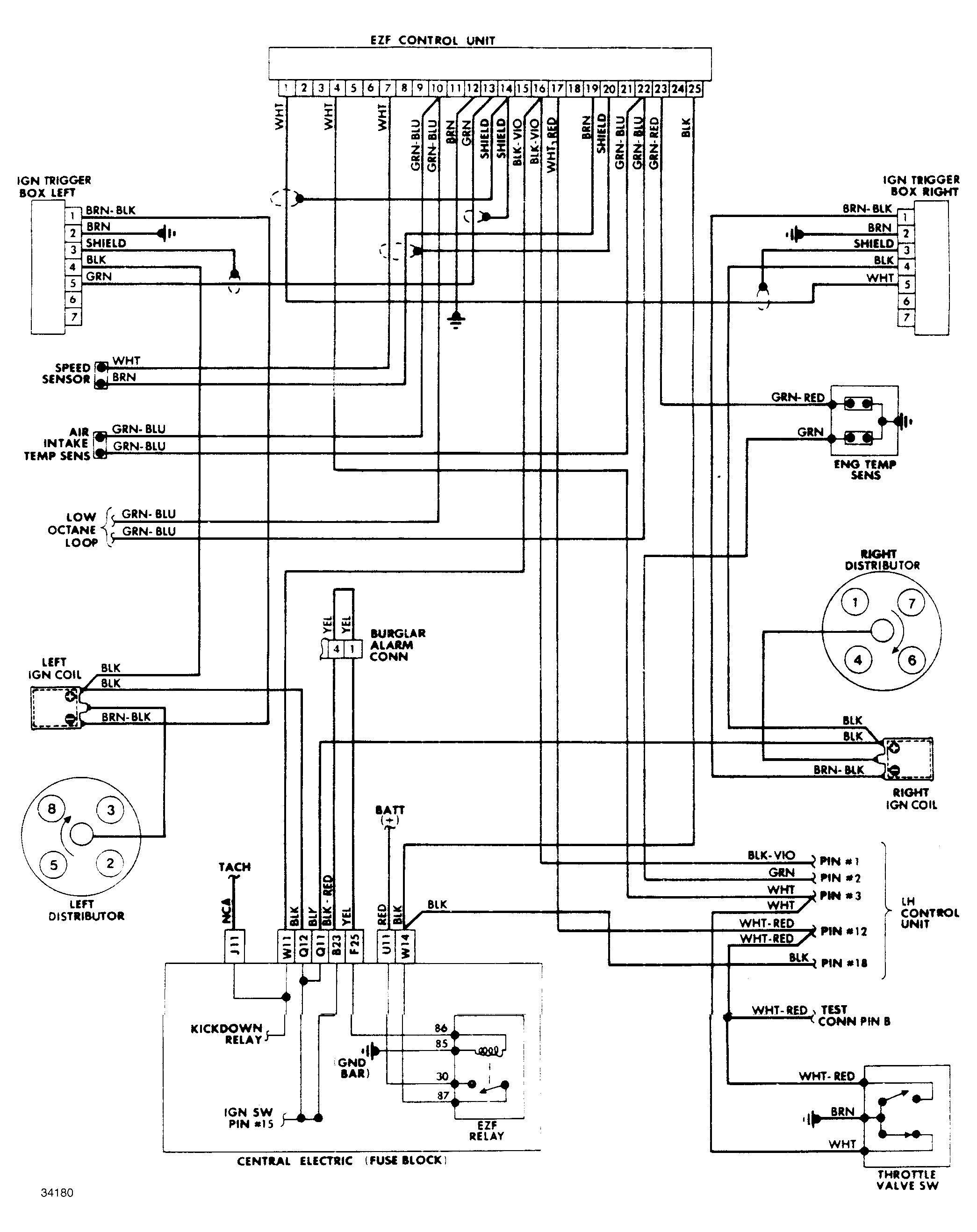
Fig 2: Bosch EZF Ignition System Wiring Diagram
G34180